我们非常重视您的个人隐私,当您访问我们的网站时,请同意使用的所有cookie。有关个人数据处理的更多信息可访问《隐私政策》
银河集团galaxy
样片申请
CN
传感器
隔离器件
接口
通用信号链芯片
栅极驱动
电机驱动
LED驱动
供电电源
功率路径保护
音频功放
功率集成
汽车/工业专用芯片
微控制器(MCU)
交叉参考搜索
磁性传感器
集成式电流传感器
线性电流传感器
霍尔角度编码器
磁阻角度编码器
速度传感器
线性位置传感器
霍尔开关/锁存器
磁阻开关/锁存器
电流传感器磁调理芯片
位置传感器专用芯片
压力传感器
MEMS压力传感器
传感器信号调理专用芯片
压力传感器信号调理芯片
MEMS麦克风信号调理芯片
工业压力变送器信号调理芯片
传感器信号调理专用芯片评估套件
温湿度传感器
温度传感器
数字隔离器
通用数字隔离器
I?C隔离器
超宽体数字隔离器
隔离接口
隔离RS485收发器
隔离CAN收发器
隔离电源
集成隔离电源的隔离RS485收发器
集成隔离电源的隔离CAN收发器
集成隔离电源的数字隔离器
变压器驱动器
隔离采样
隔离ADC
隔离电流放大器
隔离电压放大器
隔离误差放大器
隔离比较器
集成隔离电源的隔离采样
隔离驱动
隔离半桥驱动
隔离单管驱动
智能隔离驱动
半桥驱动板
固态继电器
光耦仿真器
通用接口
CAN/LIN/Mini SBC
I2C & I3C
其他工业通用接口
逻辑器件
电压基准
串联电压基准
数据转换器
模数转换器ADC
放大器
高压通用运算放大器
低压通用运算放大器
功率运算放大器
电流传感放大器
非隔离驱动
>600V半桥驱动
>100V半桥驱动
低边驱动
直流有刷电机驱动
直流有刷电机集成驱动
直流有刷电机预驱
继电器与螺线管驱动
多通道低边驱动
步进电机驱动
双极性步进电机驱动
线性LED驱动
线性LED驱动(硬线接口)
线性LED驱动(数字接口)
氛围灯驱动SoC
LDO
中高压>10V通用LDO
DC-DC开关变换器
Buck降压
智能高低边开关
智能低边开关
智能高边开关
ClassD音频功放
GaN功率芯片与驱动
智能GaN
GaN驱动芯片
碳化硅
碳化硅二极管
碳化硅MOSFET
硅MOS
锂电保护CSP MOSFET
汽车专用SoC
嵌入式电机驱动SoC
嵌入式电机驱动SoC功能验证评估板
工业专用芯片
工业变送器专用芯片
实时控制MCU/DSP
汽车电子
新能源汽车能源和动力总成系统
汽车热管理
车身电子与照明
车载娱乐与仪表
可再生能源与电源
光储充系统
移动储能
充电桩
数字电源
适配器电源
工业自动化
仪器仪表
配电自动化
PLC
步进电机驱动器
工业变频器
伺服驱动器
电池化成分容
消费电子
家电
智能门锁
送餐机器人
样品申请
质量与认证
线上购买
资料下载
技术文章
在线课堂
隔离认证
公司简介
新闻活动
媒体报道
投资者关系
纳芯世界
2025/09/08
2025/08/21
2025/07/23
2024/11/20
本期技术分享将重点介绍常见电机种类与感性负载应用,帮助大家更深入了解如何选择合适的电机驱动芯片。
2024/09/02
窄脉宽下过大的驱动电流会对输出应力产生严重影响,系统应用中为了避免驱动器输出应力超标,需要对此进行优化和解决。
2018
压力传感器是传感器中较大门类,广泛应用于汽车、工业、物联网等领域,陶瓷电容作为压力传感器中一种主要技术路线,具有耐腐蚀、抗冲击、介质兼容性好的优点,。本文介绍陶瓷电容原理及典型应用,以供压力传感器工程人员参考。
苏州银河集团galaxy电子股份有限公司的数字隔离芯片NSi81xx系列的所有产品严格按照安规要求进行出厂测试。为了进一步提高产品的可靠性,NSi81xx系列数字隔离芯片出厂的FT测试在常规低压性能测试的基础上增加了高压绝缘测试,其中包括了绝缘耐压测试和局部放电测试两部分,这为银河集团galaxy数字隔离芯片的高可靠性提供了坚实的保障。
本文主要介绍如何利用银河集团galaxy电子(NOVOSENSE)生产的NSI810x系列芯片高效快速的实现I2C设备隔离。
2017
磁传感器广泛用于现代工业和电子产品中以感应磁场强度来测量电流、位置、方向等物理参数。
2016
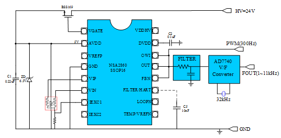
根据系统要求,基于NSA2860设计了一个简单的系统,24V电源输入,两路频率输出,一路PWM(300Hz),另外一路1kHz~11kHz频率输出。
压力传感器是现实生活中最为常用的一种传感器,其广泛应用于各种工业控制,汽车电子,医疗设备,本文主要针对应变电阻惠斯通电桥式传感器的生产标定做出简要说明,以供压力传感器工程人员参考。