ÎÒÃǷdz£ÖØÊÓÄúµÄ¸öÈËÒþ˽£¬µ±Äú·ÃÎÊÎÒÃǵÄÍøÕ¾Ê±£¬ÇëͬÒâʹÓõÄËùÓÐcookie¡£ÓйظöÈËÊý¾Ý´¦ÀíµÄ¸ü¶àÐÅÏ¢¿É·ÃÎÊ¡¶Òþ˽Õþ²ß¡·
ÔÚÏÖ´úÉú»îÖУ¬µç»ú¹ã·ºÊ¹ÓÃÔÚ¼Òµç²úÆ·¡¢Æû³µµç×Ó¡¢¹¤Òµ¿ØÖƵÈÖÚ¶àÓ¦ÓÃÁìÓò£¬Ã¿Ò»¸öµç»úµÄÔËת¶¼Àë²»¿ªºÏÊʵÄÇý¶¯Ð¾Æ¬¡£ÒøºÓ¼¯ÍÅgalaxyÌṩ·á¸»µÄµç»úÇý¶¯²úÆ·Ñ¡Ôñ£¬±¾ÆÚ¼¼Êõ·ÖÏí½«ÖØµã½éÉܳ£¼ûµç»úÖÖÀàÓë¸ÐÐÔ¸ºÔØÓ¦Ó㬰ïÖú´ó¼Ò¸üÉîÈëÁ˽âÈçºÎÑ¡ÔñºÏÊʵĵç»úÇý¶¯Ð¾Æ¬¡£
³£¼û¸ÐÐÔ¸ºÔصÄÖÖÀ༰ӦÓýéÉÜ
µç»ú±¾ÖÊÉÏÊÇÒ»ÖÖÄÜÁ¿×ª»»×°Öã¬Í¨¹ýµç´Å¸ÐÓ¦ÔÀí½«µçÄÜת»¯Îª¶¯ÄÜ£¬Ö÷Òª·ÖΪֱÁ÷ÓÐË¢µç»ú£¨BDC£©¡¢Ö±Á÷ÎÞË¢µç»ú£¨BLDC£©ºÍ²½½øµç»ú£¨Stepper£©ÈýÀ࣬³ýÁ˵ç»úÍ⣬¼ÌµçÆ÷ºÍµç´Å·§Ò²ÊôÓÚ³£¼ûµÄ¸ÐÐÔ¸ºÔØ£¬ÆäÇý¶¯ÔÀíÓëµç»úÏàËÆ¡£

³£¼û¸ÐÐÔ¸ºÔصÄÖÖÀ༰ӦÓýéÉÜ
ÔÚÈÕ³£Éú»îÖУ¬µç»ú¹ã·ºÓ¦ÓÃÓÚ¸÷ÖÖµçÆ÷É豸ÖУ¬¼¸ºõÎÞ´¦²»ÔÚ¡£ÀýÈ磬ÔÚÆû³µÄÚ£¬³µ´°Éý½µ¡¢×ùÒε÷½Ú¡¢ºóÊÓ¾µµ÷Õû¡¢µç¶¯Î²ÃÅ¿ØÖÆÒÔ¼°³µÃÅËø±ÕµÈ¹¦Äܶ¼ÒÀÀµÓÚ²»Í¬ÀàÐ͵ĵç»ú×÷ΪºËÐIJ¿¼þ¡£

µç»úÇý¶¯Ð¾Æ¬µÄ¹¤×÷ÔÀí
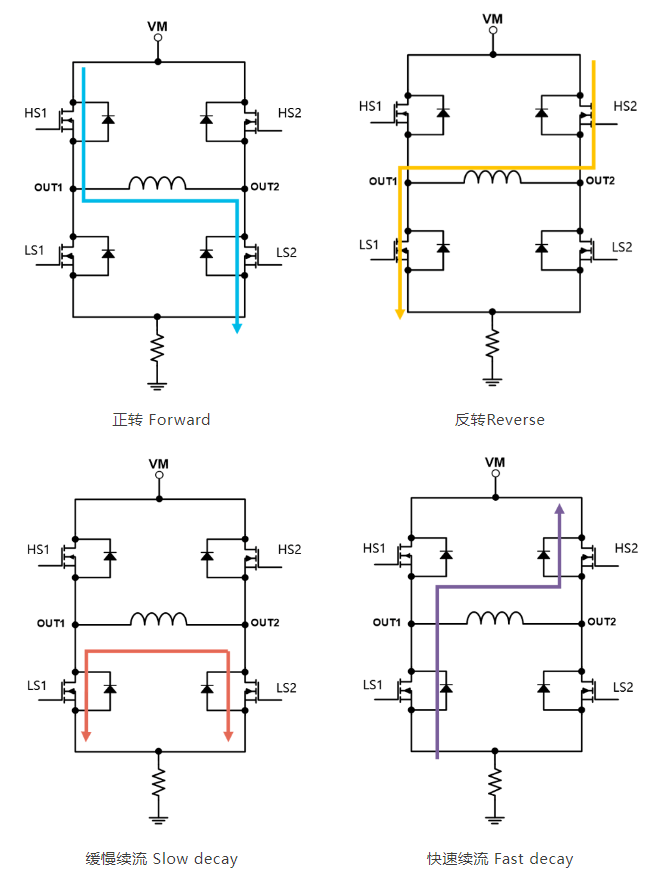
Ò»¸öµäÐ͵ÄHÇŵç»úÇý¶¯Ð¾Æ¬ÏÂͼËùʾ£¬Ð¾Æ¬ÄÚ²¿ÓÉËĸöMOS¹Ü×é³ÉHÇÅ£¨HS1,HS2,LS1,LS2£©£¬Ð¾Æ¬Êä³öOUT1ºÍOUT2·Ö±ðÁ¬½ÓÖ±Á÷ÓÐË¢µç»úµÄÁ½¸öµçË¢£¬Ð¾Æ¬ÊäÈë¶ËÓë¿ØÖÆµ¥ÔªÁ¬½Ó£¬Í¨¹ý¿ØÖÆÄÚ²¿MOS¹ÜµÄͨ¶Ï´Ó¶ø¿ØÖÆÊä³ö¶ËÓëµç»úÈÆ×éÖеĵçÁ÷´óСºÍ·½Ïò¡£

Õýת Forward£º µçÁ÷´ÓOUT1Á÷Ïò OUT2£¬ÊµÏÖµç»úµÄÕýת¡£
·´×ª Reverse£ºµçÁ÷´ÓOUT2Á÷Ïò OUT1£¬ÊµÏÖµç»úµÄ·´×ª¡£
»ºÂýÐøÁ÷ Slow decay£ºÍ¬Ê±µ¼Í¨LS1ºÍLS2Á½¸öϹܣ¬ÈÆ×éµçÁ÷ÂýËÙйµ½µØ£¬ÊµÏÖÈÆ×é·Åµç£¬¼´É²³µ»òÂýËÙË¥ÍË¡£
¿ìËÙÐøÁ÷ Fast decay£ºÈô´Ëʱ´ò¿ªLS1ºÍHS2£¬Ôò»áÔÚÈÆ×éÁ½¶ËÊ©¼ÓÒ»¸ö¸ºµçѹ£¬ÈÆ×éµçÁ÷»á±»µçÔ´¿ìËÙÎüÊÕ£¬¼´¿ìËÙË¥ÍË¡£
ÒÔÉÏËÄÖÖ¹¤×÷ģʽͨ¹ý¿ØÖÆ MOS ¹ÜµÄ¿ª¹Ø×´Ì¬£¬¾«×¼µ÷Õûµç»úµÄ¹¤×÷״̬£¬Âú×ã¸÷ÖÖÓ¦ÓÃÐèÇó¡£
µç»úÇý¶¯Ð¾Æ¬µÄ¹Ø¼ü²ÎÊý
ÔÚÑ¡Ôñµç»úÇý¶¯Ð¾Æ¬Ê±£¬ÐèÒªÖØµã¹Ø×¢ÒÔϼ¸¸ö¹Ø¼ü²ÎÊý£¬ÒÔÒøºÓ¼¯ÍÅgalaxyNSD7312 HÇÅÇý¶¯ICΪÀý£º

ÒøºÓ¼¯ÍÅgalaxyNSD7312·â×°ÐÎʽ
VM¹¤×÷µçѹºÍ×î´óÄÍѹ£º×î´óÄÍѹ´ú±í¸ÃоƬÄܳÐÊܵÄ×î´óµçѹ·¶Î§£¬NSD7312µÄ¹¤×÷µçѹΪ5VÖÁ36V£¬×î´óÄÍѹΪ40V¡£
ÊäÈë¿ØÖÆ·½Ê½£ºNSD7312µÄÊäÈë¿ØÖÆ·½Ê½ÎªIN1ºÍIN2Âß¼ÊäÈ룬֧³ÖPWMµ÷ÖÆÀ´¿ØÖƵç»úËÙ¶È¡£Í¬Ê±NSD7312ÄÚÖÃPWMµçÁ÷µ÷ÖÆ¹¦ÄÜ£¬ÔÚµç»úÆô¶¯¹ý³Ì»òÕ߸ºÔسöÏֽϴóµçÈÝʱ£¬¸Ã¹¦ÄÜ¿ÉÓÐЧ¼õС·åÖµµçÁ÷£¬½µµÍÓÉÓÚ˲̬µçÁ÷¹ý´ó´Ó¶ø¶ÔϵͳÔì³ÉµÄ³å»÷¡£
Êä³öµçÁ÷£ºNSD7312µÄÀíÂÛµçÁ÷ÄÜÁ¦Îª3.5A£¬ÔÚʵ¼ÊÓ¦ÓÃÖУ¬Çý¶¯Ð¾Æ¬µÄµçÁ÷ÄÜÁ¦Í¨³£ÐèÒª×ÛºÏÆÀ¹ÀµçÁ÷µÄ³ÖÐøÊ±¼ä¡¢Ð¾Æ¬É¢ÈÈ¡¢¹¦ºÄ£¬ÒÔ¼°»·¾³Î¶ȵÈÒòËØÀ´¹²Í¬¾ö¶¨¡£
µçÁ÷µ÷ÖÆºÍ²ÉÑù£ºNSD7312ÄÚ²¿¼¯³ÉÁ˵çÁ÷µ÷ÖÆ¹¦ÄÜ£¬ÔÚµçÁ÷´ïµ½ÉèÖõķåÖµItripºó£¬Ð¾Æ¬»áͨ¹ýPWMÕ¶²¨·½Ê½À´ÏÞÖÆ¹¤×÷µçÁ÷²»³¬¹ý¸ÃÉ趨ֵ¡£ÁíÍ⣬NSD7312»¹ÄÚ²¿¼¯³ÉµçÁ÷²ÉÑù¹¦ÄÜ£¬¿Éʵʱ¼ì²âµçÁ÷µÄ´óС¡£
±£»¤ºÍ·´À¡£ºNSD7312¼¯³É·á¸»µÄ±£»¤¹¦ÄÜÈçVMǷѹ±£»¤¡¢OCP¹ýÁ÷±£»¤¡¢TSD¹ýÈȱ£»¤¡¢ºÍ¹ÊÕÏ·´À¡µÈ¡£
ÒøºÓ¼¯ÍÅgalaxy¶àͨµÀ°ëÇŵç»úÇý¶¯Ð¾Æ¬ÔÚÖ±Á÷ÓÐË¢µç»úµÄÓ¦ÓÃ
ÒøºÓ¼¯ÍÅgalaxy¶àͨµÀ°ëÇÅÇý¶¯NSD8381Ö§³Ö¶àÖÖÂí´ï¹¤×÷ģʽ£º
¶ÀÁ¢Ä£Ê½£ºÇý¶¯n/2Ö±Á÷Âí´ï
²¢ÁªÄ£Ê½£ºÔö¼ÓÇý¶¯µçÁ÷
´®Áª&·Öʱ¸´ÓãºÇű۹²ÏíÊä³ö£¬·Öʱ¸´Óã¬Ö§³Ö¸ü¶àÂí´ïÊýÁ¿
¶ÀÁ¢µÄ¸ßµÍ±ß¿ª¹Ø£¨Çý¶¯¼ÌµçÆ÷£¬LEDµÈ£©£ºÖ§³Ö³¬µÍµçÁ÷¿ªÂ·¼ì²â

ÒøºÓ¼¯ÍÅgalaxy¶àͨµÀ°ëÇÅÇý¶¯NSD8381·½°¸
ÒøºÓ¼¯ÍÅgalaxy¶àͨµÀ°ëÇÅÇý¶¯NSD83xxϵÁУº
Ìṩ6/8/10/12ͨµÀ°ëÇÅ·½°¸£¬¸ÃϵÁÐÄÚÖÃ8·PWMÉú³ÉÆ÷£¬½öͨ¹ýSPI¼´¿ÉʵÏÖÊä³öPWMµÄƵÂÊÓëÕ¼¿Õ±ÈÅäÖá£
ÌṩÖÇÄÜÕï¶Ï¹¦ÄÜ£¬°ïÖú³µ»úϵͳÅжϸºÔØÁ¬½Ó״̬£¬Èç¹û³öÏÖ¶ÏÏß»òÕß¶Ì·Çé¿ö£¬ÍⲿMCU¿ÉÒÔͨ¹ýоƬÄÚ²¿¼Ä´æÆ÷£¬»ñÈ¡¶ÀÁ¢Í¨µÀµÄ±¨´íÐÅÏ¢¡£

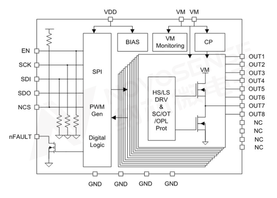
ÒøºÓ¼¯ÍÅgalaxy¶àͨµÀ°ëÇÅÇý¶¯NSD83xxϵÁй¦ÄÜ¿òͼ
ÒøºÓ¼¯ÍÅgalaxy²½½øµç»úÇý¶¯Ð¾Æ¬ÔÚË«¼«ÐÔÁ½Ïà»ìºÏʽ²½½øµç»úµÄÓ¦ÓÃ
Ò»¸öµäÐ͵ÄË«¼«ÐÔ²½½øµç»úÇý¶¯Ð¾Æ¬ÄÚÖÃÁ½¸öHÇŵç·£¨ÈçÏÂͼËùʾ£©£¬Êä³ö·Ö±ð¿ØÖƲ½½øµç»úÁ½¸öÈÆ×éµÄµçÁ÷·½ÏòºÍ´óС¡£

Ë«¼«ÐÔ²½½øµç»úÇý¶¯
ͨ¹ý¸øÁ½¸öÈÆ×éÌṩ¶àϸ·Ö¶ÈµÄÕý½»µçÁ÷£¬¿ÉÒÔ¾«È·¿ØÖƵç»úÄÚ²¿´Å³¡Ê¸Á¿µÄ·½ÏòºÍ´óС£¬´Ó¶øÊµÏÖ²½½øµç»úµÄ¾«×¼Î»ÖÿØÖÆ¡£
µçÁ÷µÄϸ·Ö¶ÈÔ½¸ß£¬²½½øµç»ú¿ØÖƵÄλÖþ«¶ÈºÍƽ»¬¶ÈÒ²Ô½ºÃ¡£¸ù¾Ýϸ·Ö¶È²»Í¬³£¼ûÓÐ4ϸ·Ö£¬16ϸ·Ö£¬32ϸ·ÖµÈģʽ¡£

?²½Ï¸·ÖʾÒâͼ
¶ÔÓÚ²½½øÇý¶¯Ð¾Æ¬¶øÑÔ£¬³ýÁËÄÚ²¿µÄHÇÅÇý¶¯Ö®Í⣬¸üÖØÒªµÄÊǶÔÊä³öϸ·ÖµçÁ÷µÄ¾«×¼¿ØÖÆ¡£ÒÔ1/4ϸ·ÖģʽΪÀý£¬90¡ãµÄµçλ½ÇÄÚµçÁ÷ÖµÓÐËĸöϸ·Ö¶È£¬2¸öÈÆ×éµÄµçÁ÷ÊdzÊ90¡ãÏàλ²îµÄÕýÏÒ²¨ÐΡ£
Çý¶¯Ð¾Æ¬Í¨¹ý¿ØÖÆËã·¨ºÍµ÷ÖÆµç·£¬¾«×¼¿ØÖÆHÇŽøÐеçÁ÷µ÷ÖÆ£¬Ê¹µç»úÈÆ×éÄÚµçÁ÷ÕýºÃΪÎÒÃÇÉ趨µÄ²¨ÐκʹóС£¬Í¬Ê±¶ÔÊä³öµçÁ÷²ÉÑù£¬ÊµÏÖ·´À¡¿ØÖÆ¡£
¶ÔÓÚ²½½øµç»úÇý¶¯Ð¾Æ¬ÐèÒª¹Ø×¢µÄоƬ²ÎÊýÓУº¹¤×÷µçѹ¡¢ÏàµçÁ÷´óС¡¢¿ØÖÆÐźÅÀàÐÍ¡¢×î´óϸ·Ö¶È¡¢µçÁ÷µ÷ÖÆ¼°Ë¥ÍËģʽÒÔ¼°±£»¤¹¦Äܵȡ£

ÒøºÓ¼¯ÍÅgalaxyNSD8381¹¦ÄÜ¿òͼ
ÒøºÓ¼¯ÍÅgalaxyĿǰÄܹ»Ìṩ×î¸ß1/32ϸ·ÖµÄ²½½øµç»úÇý¶¯Ð¾Æ¬NSD8381£¬¸ÃоƬÄÚÖÃÁ½¸ö H ÇŽṹ£¬¿É¿ØÖÆË«¼«ÐÔÁ½Ïಽ½øµç»ú¡£Ö§³Öϸ·Ö¶Èµ÷½Ú£¬Èç 1/16 ²½¡¢1/32 ²½µÈ£¬¿ÉÂú×ã¸ß¾«¶È¿ØÖÆÐèÇ󡣹㷺ÓÃÓÚ³µÔØ AFS£¨×ÔÊÊӦǰÕÕµÆÏµÍ³£©¡¢Ë®±Ã¡¢¹¤Òµ±ùÏä¡¢´òÓ¡»úµÈ¶àÖÖÁìÓò¡£