我们非常重视您的个人隐私,当您访问我们的网站时,请同意使用的所有cookie。有关个人数据处理的更多信息可访问《隐私政策》
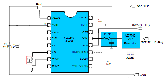
根据系统要求,基于NSA2860设计了一个简单的系统,24V电源输入,两路频率输出,一路PWM(300Hz),另外一路1kHz~11kHz频率输出。NSA2860工作在PWM输出模式,PWM信号经过低通滤波输出直流电平,通过AD7740电压到频率的转换,输出频率可以随着输入信号变化。AD7740是有汽车级的产品。
24V电源输入通过JFET控制输出5V,给传感器和芯片供电。

系统框图