ÎÒÃǷdz£ÖØÊÓÄúµÄ¸öÈËÒþ˽£¬µ±Äú·ÃÎÊÎÒÃǵÄÍøÕ¾Ê±£¬ÇëͬÒâʹÓõÄËùÓÐcookie¡£ÓйظöÈËÊý¾Ý´¦ÀíµÄ¸ü¶àÐÅÏ¢¿É·ÃÎÊ¡¶Òþ˽Õþ²ß¡·
½üÄêÀ´£¬Êý×Ö¸ôÀëоƬÔÚ¹¤Òµ¡¢Ò½ÁÆ¡¢Æû³µµÈÁìÓòÔ½À´Ô½¶àµÄ±»¹¤³ÌʦËùÐÅÀµ¡£Êý×Ö¸ôÀëоƬÒòΪÌå»ýС£¬¼¯³É¶È¸ß£¬¹¦ºÄµÍ£¬Í¨Ñ¶ËٶȸߵÈÏÔÖøµÄÌØµã£¬ÕýÔÚÖð²½Ìæ´ú´«Í³µÄ¹âñîÆ÷¼þ¡£Êý×Ö¸ôÀëоƬÊÇϵͳÖÐÉæ¼°µ½¸ßѹ°²È«µÄºËÐÄÆ÷¼þ£¬Òò´Ë³ö³§µÄʱºòÐèÒª¾¹ýÑϸñɸѡ¡£
UL1577°²¹æ±ê×¼ÖÐÃ÷È·¹æ¶¨£¬²úÆ·³ö³§µÄʱºò±ØÐëÒª½øÐвúÆ·¹æ¸ñËù¶ÔÓ¦µÄ¾øÔµÄÍѹÌõ¼þÏÂ60s»òÊÇ1.2±¶¾øÔµÄÍѹÌõ¼þÏÂ1sµÄ²âÊÔ£¬Í¨¹ý¸ßѹ²âÊԵIJúÆ·²Å¿ÉÒÔ³ö³§¡£ÒÔ¸ôÀëÇ¿¶ÈΪ3000VrmsµÄ²úƷΪÀý£¬ÆäÔÚ³ö³§Ê±ÐèÒª½øÐÐÔÚ3000Vrms¡¢ÆµÂÊΪ60Hz½»Á÷µçѹϳÐÊÜ60s»òÊÇÔÚ3600Vrms¡¢ÆµÂÊΪ60HzµÄ½»Á÷µçѹϳÐÊÜ1sµÄ¸ßѹ²âÊÔ£¬Í¨¹ýºó²Å¿ÉÒÔ³ö³§¡£
UL1577¹æ¶¨µÄ¸ßѹ²âÊԵļì²â·½·¨ÊǼì²â¾øÔµ²ãµÄ©µçÁ÷¡£Èç¹ûÊý×Ö¸ôÀëоƬµÄ¾øÔµ²ãÄÍѹÄܹ»³ÐÊܲâÊÔ¸ßѹ£¬ÄÇô¼ì²âµ½µÄ¾øÔµ²ãµÄ©µçÁ÷»á±È½ÏС£¬Õâ¸öÊýֵͨ³£ÊÇuA¼¶±ð£¬ÕâÊÇÒòΪʩ¼ÓµÄÊÇµÍÆµµÄ½»Á÷¸ßѹ£¬Ö»Òª¸ôÀëÁ½²à´æÔÚÒ»¶¨µÄ¼ÄÉúµçÈÝ£¬¾Í»áÓн»Á÷©µçÁ÷´æÔÚ¡£µ«ÊÇÈç¹ûÊý×Ö¸ôÀëоƬµÄ¾øÔµ²ãÄÍѹ²»Äܹ»³ÐÊܶÔÓ¦µÄ¸ßѹ£¬ÄÇô¾øÔµ²ã¾Í»áÒòΪ¸ßѹ¶ø²úÉú²»¿É¿ØÖƵÄ©µçÁ÷£¬×îºóµ¼Ö¸ôÀë´øÊÜËð¡£
ͨ³£Êý×Ö¸ôÀëоƬµÄ¾øÔµ²ãÔÚÉú²úÖÆÔìµÄʱºòÓнϸߵĻ·¾³½à¾»¶ÈÒªÇ󣬲»ÄÜÓÐÆøÅÝ»òÊÇ¿Õ϶µÄ´æÔÚ£¬ÕâÑù²ÅÄܱ£Ö¤Á¼ºÃµÄ¾øÔµÐ§¹ûºÍ½Ï³¤µÄ¾øÔµÊÙÃü¡£µ«ÊÇÔÚʵ¼ÊÉú²ú¹ý³ÌÖУ¬ÄÑÒÔÈ·±£ËùÓÐоƬ100%µÄ±£Ö¤¾øÔµ²ãûÓÐÆøÅÝ»òÕßÊÇ¿Õ϶£¬¶øÕâЩ¿Õ϶»òÕ߯øÅݵĴæÔڻᵼÖ¾øÔµÐÔÄÜϽµ£¬µ«ÊÇÕâЩ¿Õ϶»òÆøÅݲ¢²»ÄÜͨ¹ý¼ì²â¸ßѹ©µçÁ÷µÄ·½·¨¼ì²â³öÀ´¡£µ±¸ßѹ¼ÓÔÚ¾øÔµ½éÖÊÁ½¶Ë£¬ÒòΪÕâÐ©ÆøÅÝ»ò¿Õ϶µÄ´æÔÚ£¬»á²úÉú¾Ö²¿·Åµç£¨Partial Discharge£©£¬Çá΢µÄ¾Ö²¿·Åµç¶ÔµçÁ¦É豸¾øÔµµÄÓ°Ïì½ÏС£¬¾øÔµÇ¿¶ÈµÄϽµ½ÏÂý£»¶øÇ¿Áҵľֲ¿·Åµç£¬Ôò»áʹ¾øÔµÇ¿¶ÈºÜ¿ìϽµ¡£ÕâÊÇʹ¸ßѹµçÁ¦É豸¾øÔµË𻵵ÄÒ»¸öÖØÒªÒòËØ¡£¾Ö²¿·Åµç»á°éËæ²úÉúµçÂö³å¡¢³¬Éù²¨¡¢µç´Å·øÉä¡¢¹â¡¢»¯Ñ§·´Ó¦£¬²¢ÒýÆð¾Ö²¿·¢ÈȵÈÏÖÏó£¬ÊǵçÆ÷Ôª¼þÀÏ»¯µÄÔ¤Õס£¾Ö²¿·Åµç¼ì²âµÄÊ©¼Óµçѹ²»ÊǾøÔµÄÍѹֵ£¬¶øÊǼÓÔÚ¾øÔµ²ãÉϵŤ×÷µçѹ£¬ÒòΪֻÓй¤×÷µçѹ²ÅÊdz¤ÆÚ×÷ÓÃÔÚ¾øÔµ²ãÉϵ쬲¢ÇÒ¿ÉÄÜ»áÒýÆð²»Á¼Æ··´¸´µÄ³ä·Åµç£¬×îÖÕµ¼Ö¾øÔµ²ã¹ýÔçµØÊ§Ð§¡£Òò´Ë£¬VDE0884-10°²¹æ¹æ¶¨ÔÚ²úÆ·³ö³§²âÊÔʱ£¬³ýÁ˸ßѹ©µçÁ÷²âÊÔÍ⣬»¹ÐèÒª½øÐоֲ¿·Åµç¼ì²â¡£¾Ö²¿·Åµç¼ì²âµÄ²âÊÔµçѹÊÇ·åÖµ¹¤×÷µçѹµÄ1.875±¶£¬²âÊÔʱ¼äΪ1s£¬¼ì²â½á¹ûµÄÄ¿±êÖµÊÇ©µçºÉµÄ´óС¡£

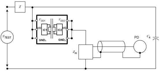
ͼ1. ¾Ö²¿·Åµç²âÊÔµç·
ËÕÖÝÒøºÓ¼¯ÍÅgalaxyµç×ӹɷÝÓÐÏÞ¹«Ë¾µÄÊý×Ö¸ôÀëоƬNSi81xxϵÁеÄËùÓвúÆ·Ñϸñ°´ÕÕ°²¹æÒªÇó½øÐгö³§²âÊÔ¡£ÎªÁ˽øÒ»²½Ìá¸ß²úÆ·µÄ¿É¿¿ÐÔ£¬NSi81xxϵÁÐÊý×Ö¸ôÀëоƬ³ö³§µÄFT²âÊÔÔÚ³£¹æµÍѹÐÔÄܲâÊԵĻù´¡ÉÏÔö¼ÓÁ˸ßѹ¾øÔµ²âÊÔ£¬ÆäÖаüÀ¨Á˾øÔµÄÍѹ²âÊԺ;ֲ¿·Åµç²âÊÔÁ½²¿·Ö£¬ÕâÎªÒøºÓ¼¯ÍÅgalaxyÊý×Ö¸ôÀëоƬµÄ¸ß¿É¿¿ÐÔÌṩÁ˼áʵµÄ±£ÕÏ¡£
ÒøºÓ¼¯ÍÅgalaxyµç×ÓΪÁ˱£Ö¤³ö³§µÄÊý×Ö¸ôÀëоƬµÄ¿É¿¿ÐÔ£¬Ì½Ë÷½¨Á¢ÁËÒ»Ì×ÓÐЧ¿É¿¿µÄ¸ßѹ²âÊÔϵͳ£¬ÌرðÊǾֲ¿·Åµç²âÊÔϵͳ£¬¸Ãϵͳ²»½öÐèҪרÓõļì²âÒÇÆ÷£¬»¹ÐèÒª¶Ô×Ô¶¯²âÊÔµÄhandler½øÐÐÌØÊâ¸ÄÔ죬Ŀǰ¸ÃÌ×Êý×Ö¸ôÀëоƬµÄ¸ßѹ²âÊÔϵͳÒѵõ½Á˹úÄÚÍâ°²¹æ»ú¹¹µÄÈϿɡ£

ͼ2. Êý×Ö¸ôÀëоƬ³ö³§FT¸ßѹ¾øÔµ²âÊÔ²¨ÐÎ