ÎÒÃǷdz£ÖØÊÓÄúµÄ¸öÈËÒþ˽£¬µ±Äú·ÃÎÊÎÒÃǵÄÍøÕ¾Ê±£¬ÇëͬÒâʹÓõÄËùÓÐcookie¡£ÓйظöÈËÊý¾Ý´¦ÀíµÄ¸ü¶àÐÅÏ¢¿É·ÃÎÊ¡¶Òþ˽Õþ²ß¡·
Ëæ×ÅÆû³µµç×Ó²»¶ÏÏòÖÇÄÜ»¯·¢Õ¹£¬ÏµÍ³¶ÔµçÔ´Îȶ¨ÐÔµÄÐèÇóÔÚÈÕÒæÔö¼Ó¡£Ò»Á¾ÖÇÄܳµÖпÉÄÜ»áʹÓõ½¼¸Ê®¿ÅÉõÖÁÉϰٿÅLDO£¬ÒÔÈ·±£ÏµÍ³µÄÎȶ¨ÔËÐС£ÔÚÒ»Ð©ÌØ¶¨µÄÓ¦Óó¡¾°Ï£¬Éè¼ÆÕßÔÚ¿¼ÂÇÆä±¾ÉíµÍѹ²îµÄÌØÐÔÍ⣬ҲÐèÒª¼æ¹Ëºó¶Ë¸ºÔصĴóµçÁ÷ºÍµÍÔëÉùµÄÒªÇó¡£¶Ô´Ë£¬ÒøºÓ¼¯ÍÅgalaxyÐû²¼ÍƳö¾ßÓиßPSRRºÍµÍÔëÉùÌØÐÔµÄLDO¡ªNSR30x0xϵÁУ¬×¨ÎªÆû³µºÍ¹¤ÒµÓ¦ÓÃÉè¼Æ£¬Ö¼ÔÚÌṩ׿ԽµÄµçÔ´¹ÜÀí½â¾ö·½°¸£¬Âú×ãÏÖ´ú¸ßÐÔÄÜϵͳ¶ÔµçÔ´Îȶ¨ÐԺ͵ÍÔëÉùµÄÑϸñÒªÇó¡£
Ó¦Óó¡¾°
¡¤ ³µÔØÐÅÏ¢ÓéÀÖϵͳ
¡¤ Æû³µ×Ô¶¯¼ÝÊ»
¡¤ ³µÉí¿ØÖÆÄ£¿é
¡¤ MCU¡¢´¦ÀíÆ÷µÈ¿ØÖƵç·
¡¤ ¸ßËÙ½Ó¿Ú¹©µçÓ¦ÓÃ

²úÆ·ÓÅÊÆ»®Öص㣡
¸ßPSRR±íÏÖ
µ±¸ºÔØÊÇÉãÏñÍ·Ä£×é»òÕßÔËËã·Å´óÆ÷µÈ¶ÔµçÔ´¹ìÓÐÑϸñÒªÇóʱ£¬ÐèÒªLDOÓµÓÐÁ¼ºÃµÄÎÆ²¨ÒÖÖÆÐ§¹û£¬¶ÔÓ¦µÄÆÀ¹ÀÖ¸±êÊÇPSRR£¨µçÔ´ÒÖÖÆ±È£©¡£PSRRÓ빤×÷ƵÂÊ¡¢¸ºÔصçÁ÷¡¢ÊäÈëÊä³öµçѹ¡¢Êä³öµçÈݵȾùÓйØÏµ¡£

PSRRʵ²â±ä»¯ÇúÏßͼ
NSR30601ÔÚVIN=2.5V,VOUT=1.1V,IOUT=1AµÄ¹¤¿öÏ£¬ÈçÉÏͼËùʾ£¬ÔÚ²»Í¬ÆµÂÊϵÄPSRR¿ÉÒÔ´ïµ½
¡¤ 100Hz£º61.9 dB
¡¤ 1kHz£º68.7 dB
¡¤ 10kHz£º82.99 dB
Áé»îµ÷½Ú
×÷Ϊ¶þ¼¶ÎÈѹÆ÷¼þ£¬NSR30x0xϵÁÐÂú×ãAEC-Q100±ê×¼£¬ÊÊÓÃÓÚϵͳ3.3V»òÕß5VµÄÉè¼Æ£¬Íⲿ¿Éµ÷µÄÊä³öÌØÐÔºÍ1AµçÁ÷Êä³öÄÜÁ¦Ê¹Æä¿ÉÒÔ×öµ½Í¬Ò»¿ÅÎïÁÏÂú×ãϵͳ·±¶àµÄ¸ºÔØÐèÇó¡£
¡¤ ÊäÈëµçѹ·¶Î§£º2.5Vµ½5.5V
¡¤ Êä³öµçѹ·¶Î§£º0.8Vµ½5V
¡¤ ×î´óÊä³öµçÁ÷£º1A
¸ßЧÎÈѹ
¡¤ ³¬µÍ¹Ø¶Ï¹¦ºÄISD£º80nA£¨typ£©¹Ø¶ÏµçÁ÷
¡¤ ³¬µÍѹ²î£º180mV µÍѹ²î@1A µçÁ÷£¬²¢¿ÉÌṩ¿ìËÙµÄ˲̬ÏìÓ¦¼°¸ºÔص÷ÕûÐÔÄÜ
¡¤ µÍÔëÉù: 7.6?VRMS µäÐÍÖµ(10Hz ÖÁ 100kHz£¬CNR=470nF)
¡¤ ¾ßÓÐ¿É¼à¿Ø·´À¡Òý½ÅµçѹµÄµçÔ´Õý³£ (PG)Êä³ö£¬¿ÉÒÔָʾÊä³öµçѹµÄ״̬£¬ ENÊäÈëºÍPG Êä³ö¿ÉÒÔÓÃÓÚϵͳ¶àµçԴʱÐò¹ÜÀí
È«Ãæ±£»¤
¡¤ ´øÄÚ²¿ÕÛ·µµçÁ÷ÏÞÖÆ¹¦ÄÜ£¬ÓÐÖúÓÚÔڶ̷ʼþÖмõÉÙÈȺÄÉ¢
¡¤ ¿ÉÑ¡ÔëÉùÒÖÖÆÒý½Å£¬ÔöÇ¿ÔëÉùÒÖÖÆ
¡¤ ¼¯³ÉÄÚ²¿¶Ì·±£»¤£¬ÈȹضϺÍÇ·Ñ¹Ëø¶¨ (UVLO) ¹¦ÄÜ

µäÐÍÓ¦Óÿòͼ

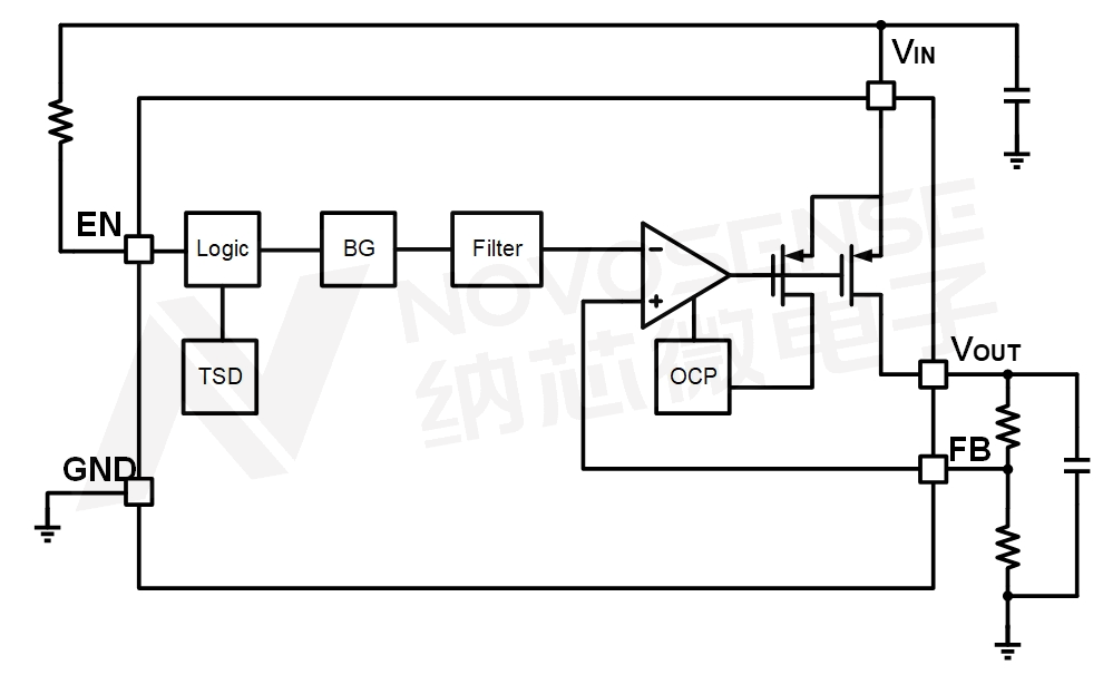
NSR30xxϵÁй¦ÄÜ¿òͼ
·â×°ÓëÑ¡ÐÍ
NSR30x0xϵÁиøÓ²¼þÉè¼ÆÕßÌṩÁ˳ä×ãµÄ½â¾ö·½°¸£¬ÆäÊä³öµçѹ¿Éµ÷£¬²ÉÓþßÓпÉÈóʪÐÔ²àÒíµÄСÐÍDFN-6½Å(2mm¡Á2mm)·â×°ºÍDFN-8½Å(3mm¡Á3mm)·â×°£¬±ãÓÚ½øÐйâѧ¼ì²â£¬¿ÉÒԺܺõØÖ§³ÖС³ß´çϵͳ½â¾ö·½°¸£¬Âú×㲻ͬÉè¼ÆÐèÇó¡£

δÀ´£¬ÒøºÓ¼¯ÍÅgalaxy½«¼ÌÐøÖÂÁ¦ÓÚ¼¼Êõ´´Ð£¬ÍƳö¸ü¶à¸ßÐÔÄÜ¡¢¸ß¿É¿¿ÐԵĵçÔ´¹ÜÀí½â¾ö·½°¸¡£³µÔØLDOµÄһվʽ½â¾ö·½°¸ÔÚ·ÉÏ£¬¾´ÇëÆÚ´ý£¡