ÎÒÃǷdz£ÖØÊÓÄúµÄ¸öÈËÒþ˽£¬µ±Äú·ÃÎÊÎÒÃǵÄÍøÕ¾Ê±£¬ÇëͬÒâʹÓõÄËùÓÐcookie¡£ÓйظöÈËÊý¾Ý´¦ÀíµÄ¸ü¶àÐÅÏ¢¿É·ÃÎÊ¡¶Òþ˽Õþ²ß¡·
¹ú¼Ò¡°ÐÂÊ®Ìõ¡±Õþ²ß·¢²¼£¬ÒßÇé·À¿Ø½øÈëн׶Σ¬Ã¿¸öÈ˶¼Òª×ö×Ô¼º½¡¿µµÄµÚÒ»ÔðÈÎÈË¡£´Ó×Ô¼º×öÆð£¬¼Ó±¶¹Ø×¢¸öÈ˺ͼÒÍ¥·À»¤£¬ÀûÓñãЯʽ¼ÒÓÃÒ½ÁÆÉ豸»òÖÇÄܽ¡¿µ¼à²âÉè±¸ËæÊ±Á˽â×Ô¼ººÍ¼ÒÈ˵Ľ¡¿µ×´¿ö£¬·À»¼ÓÚδȻ¡£
ÀýÈçÊÐÃæÉÏ·¢²¼µÄ²¿·Ö¼ÒÍ¥ÖÇÄܽ¡¿µ¼à²âÒǸÅÄî²úÆ·£¬¿ÉÒÔʵÏÖÒ½ÁƼ¶¾«¶ÈµÄÌåΡ¢Ðĵ硢ÐÄÂÊ¡¢ÑªÑõ¡¢ÐÄ·ÎÒô¡¢Ë¯ÃߵȽ¡¿µÌåÕ÷Êý¾Ý¼à²â£¬Óû§¿ÉÒÔ¶Ô¸öÈ˼°¼ÒÍ¥³ÉÔ±µÄ½¡¿µÊý¾Ý½øÐÐ×ۺϼǼºÍ¹ÜÀí£¬×öµ½¶Ô¼ÒÈ˽¡¿µÐÄÖÐÓÐÊý¡£¸öÈ˺ͼÒÍ¥½¡¿µÒѳÉΪ¹Ø×¢Èȵ㣬ÎÒÃÇÀ´¿´¿´Ó¦ÓÃÓÚ±ãЯʽ¼ÒÓÃÒ½ÁÆÉ豸»òÖÇÄܽ¡¿µ¼à²âÉ豸Öж¼²ÉÓÃÁËÄÄЩоƬ²úÆ·½â¾ö·½°¸¡£

ͼ£ºÒøºÓ¼¯ÍÅgalaxy²úÆ·½â¾ö·½°¸Ó¦ÓÃÓÚ¼ÒÓúôÎü»ú¡¢¼ÒÓÃÖÆÑõ»ú¡¢¶îÎÂǹ¡¢¶úÎÂǹºÍ¿É´©´÷Ìåμà²âÉ豸µÈ
¼ÒÓúôÎü»ú
2021Ä꣬¹úÄÚ¼ÒÓÃÎÞ´´ºôÎü»úÊг¡¹æÄ£Îª100Íǫ̀£¬Ëæ×Å»¼Õß½¡¿µ¹ÜÀíÒâʶÔöÇ¿£¬Î´À´10ÄêÄÚÓÐÍû³öÏÖ20£¥¡«30£¥µÄ¿ìËÙÔö³¤¡£ÁíÍ⣬ºôÎü»ú¾ßÓй¤×÷ʱ¼ä³¤¡¢Ò×ËðºÄµÄʹÓÃÌØÐÔ£¬²úÆ·ÉúÃüÖÜÆÚΪ5Äê×óÓÒ£¬Äê¸üÐÂÂÊÔÚ20£¥×óÓÒ¡£
2016ÄêÖÁ2020Ä꣬ȫÇò30¡«69ËêOSA£¨Ë¯ÃߺôÎüÔÝÍ£µÍÍ¨Æø×ÛºÏÕ÷£©ÈËÊý´Ó9.8ÒÚÈËÔö³¤ÖÁ10.5ÒÚ£¬Öйú´Ó1.81ÒÚÉÏÉýÖÁ1.95ÒÚ¡£Ô¤¼Æµ½2024Ä꣬ȫÇò»¼²¡ÈËÊý½«Ôö¼Óµ½11.5ÒÚÈË£¬Öйú½«Ôö¼Óµ½2.12ÒÚÈË£¬°´10%ÉøÍ¸ÂʼÆË㣬Êг¡ÈÝÁ¿ÔÚ2000Íǫ̀×óÓÒ¡£
ÁíÍ⣬2019ÄêÈ«ÇòCOPD£¨ÂýÐÔ×èÈûÐԷμ²²¡£©»¼²¡ÈËÊý´ïµ½4.6ÒÚ×óÓÒ£¬Öйú¸ß´ï1.053ÒÚ×óÓÒ¡£
¼ÒÓúôÎü»úµÄ¹¤×÷ÔÀíÊÇÀûÓÃÆøÌåѹÁ¦²î£¬ºôÎü»úÍ¨ÆøÊ±£¬»úеÇý¶¯Ê¹ÆøµÀ¿ÚÆøÑ¹´óÓÚ·ÎÅÝÆøÑ¹£¬ÆøÌå½øÈë·Î²¿£»ÔÚ³·È¥ÌåÍâ»úеÇý¶¯Ñ¹ºó£¬ÐØÀª¼°·Îµ¯ÐÔ»ØËõ£¬·ÎÅÝÆøÑ¹´óÓÚÆøµÀ¿ÚÆøÑ¹£¬ÆøÌå´Ó·Î²¿Åųö¡£

ͼ£º¼ÒÓúôÎü»úµÄ¹¤×÷ÔÀíºÍÒøºÓ¼¯ÍÅgalaxy²úÆ·½â¾ö·½°¸
ÒøºÓ¼¯ÍÅgalaxyΪ¼ÒÓúôÎü»úÌṩÒÔϲúÆ·£º
- NSPDS5/9ϵÁÐË«Æø×ì²îѹѹÁ¦´«¸ÐÆ÷£ºÖ§³ÖI2C/Ä£ÄâÊä³ö£¬´ý»úµçÁ÷£¼10¦ÌA³ö³§¾«¶È¿É´ï¡À0.5% F.S.£»Ñ¹Á¦Á¿³Ì¿ÉÑ¡¡À125Pa¡«¡À250kPa¡£Ó¦ÓðüÀ¨£ºÆøÁ÷ºÍºôÎü¿ØÖÆ¡¢ÂËĤÇå½à¶È¼à²â£»·çÉÈѹÁ¦¡¢ÆøÁ÷Á¿¿ØÖÆ¡£
- NSPGS5/GD1ϵÁе¥Æø×ì±íѹѹÁ¦´«¸ÐÆ÷£ºÖ§³ÖI2C/Ä£ÄâÊä³ö£¬´ý»úµçÁ÷£¼10¦ÌA£¬³ö³§¾«¶È¿É´ï¡À0.5% F.S.£»Ñ¹Á¦Á¿³Ì¿ÉÑ¡-10kPa¡«+10kPa¡£Ó¦ÓðüÀ¨£ºÆøÁ÷ºÍºôÎü¿ØÖÆ¡¢ÂËĤÇå½à¶È¼à²â£»·çÉÈѹÁ¦¿ØÖÆ¡£
- NSPAS3MϵÁоøÑ¹Ñ¹Á¦´«¸ÐÆ÷£ºÖ§³ÖÄ£ÄâÊä³ö£¬Ð¾Æ¬·â×°ÄÚ²¿·ÀË®·À³±´¦Àí£¬³ö³§¾«¶È¿É´ï¡À1.5% F.S.£»Ñ¹Á¦Á¿³Ì¿ÉÑ¡0kPa¡«+40kPa¡£Ó¦ÓðüÀ¨£º´óÆøÑ¹Á¦¼ì²â£¬Ñ¹Á¦²¹³¥µÈ¡£
- NSPGS2ϵÁе¥Æø×ì±íѹѹѹÁ¦´«¸ÐÆ÷£ºÖ§³ÖI2C/Ä£ÄâÊä³ö£¬³ö³§¾«¶È¿É´ï¡À1% F.S.£»Ñ¹Á¦Á¿³Ì¿ÉÑ¡-100kPa¡«+350kPa¡£Ó¦ÓðüÀ¨£ºÑ¹Ëõ¿ÕÆøºÍÆøÌåѹÁ¦¼ì²â¡£
- NSHT3xϵÁÐС³ß´çµÍ¹¦ºÄI2C½Ó¿Ú¸ß¾«¶ÈÊý×ÖÎÂʪ¶È´«¸ÐÆ÷£ºÖ§³ÖI2C/SMBus±¨¾¯Êä³ö£¬¾«¶È¿É´ï¡À0.3¡æºÍ¡À3%RH£»³¬µÍ¹¦ºÄ1.7¦ÌA@4Hz/0.2¦ÌAÐÝÃßµçÁ÷¡£Ó¦ÓðüÀ¨£º¿ÕÆøºÍÆøÌå»ìºÏÎïµÄÎÂʪ¶È¹ÜÀí¡£
- NSM2012¡¢NSM2016ϵÁм¯³Éʽ»ô¶ûЧӦµçÁ÷´«¸ÐÆ÷оƬ£¬¾ßÓм«µÍµÄԱߵ¼Í¨µç×裬¿ÉÔÚȫζȷ¶Î§ÄÚʵÏÖ¾«¶È¸ß´ï2%µÄ½»Á÷»òÖ±Á÷µçÁ÷²âÁ¿¡£²úÆ·²ÉÓÃÄ£ÄâµçѹÊä³ö£¬ÎÞÐè¶þ´Î±à³Ì£¬¼òµ¥Ò×Ó㻸ߴï3000VrmsµÄÄÍÊܸôÀëÄÍѹÄÜÁ¦£¬Âú×ãUL±ê×¼µÄ¸ß¸ôÀëµÈ¼¶£¬Ìá¸ßÁËÉè¼ÆµÄÁé»îÐÔ£»¸ß´ï400kHzµÄ´ø¿íÒÔ¼°µÍÖÁ1.5¦ÌsµÄÏìӦʱ¼ä£¬´ó´ó½µµÍÁ˶Ì·µÈÒì³£Çé¿ö·¢Éúʱ·¢ÑÌ·¢»ðµÄ·çÏÕ£»Ð¡ÇɵÄSOIC8·â×°£¬½µµÍÁ˿ռäÒªÇó²¢Ìá¸ßÁËÐԼ۱ȣ¬ÊÇÒ½ÁÆÉ豸¹¦ÂÊ¼à¿ØµÄÍêÃÀ½â¾ö·½°¸¡£
¼ÒÓÃÖÆÑõ»ú
¼ÒÓÃÖÆÑõ»úµÄ¹¤×÷ÔÀíÊÇÀûÓ÷Ö×ÓɸÎïÀíÎü¸½ºÍ½âÎü¼¼Êõ£¬ÖÆÑõ»úÄÚ×°Ìî·Ö×Óɸ£¬ÔÚ¼Óѹʱ¿É½«¿ÕÆøÖеĵªÆøÎü¸½£¬Ê£ÓàµÄδ±»ÎüÊÕµÄÑõÆø±»ÊÕ¼¯ÆðÀ´£¬¾¹ý¾»»¯´¦Àíºó¼´³ÉΪ¸ß´¿¶ÈÑõÆø¡£

ͼ£º¼ÒÓÃÖÆÑõ»úµÄ¹¤×÷ÔÀíºÍÒøºÓ¼¯ÍÅgalaxy²úÆ·½â¾ö·½°¸
ÒøºÓ¼¯ÍÅgalaxyµÄ¼ÒÓÃÖÆÑõ»ú²úÆ·ÊÇNSPGS2ϵÁÐѹÁ¦´«¸ÐÆ÷¡£Ëü¼¯³ÉÁË·Å´ó¡¢Ð£×¼¡¢Î²¹¹¦ÄÜ£¬´øÆø×ìSOPÌùƬ·â×°£¬Ò×ÓÚʹÓ㻼¯³É24λADC¡¢12λDAC£¬Ö§³ÖÐÝÃß¹¤×÷ģʽ£¬´ó·ù¼õÇáMCU¸ºµ££»¾«¶È¸ß£¬ÐÔÄܺã¬-20¡«70¡æÈ«ÎÂÇø×ۺϾ«¶È2.5%£»MEMS£¨Î¢»úµçϵͳ£©Ð¾Æ¬±³Ãæ½øÆø£¬¼¯³ÉÄÚ²¿Î¶ȴ«¸ÐÆ÷£¬ÊµÏÖζȲ¹³¥£»Ö§³Ö¶þ½×ζȡ¢Èý½×·ÇÏßÐÔУ׼£¬Áé»î¶È¸ß£¬Ñ¹Á¦Á¿³Ì/Êä³öÐÎʽ¿ÉÑ¡20¡«350kPa£¨¡À¾ùÖ§³Ö£©£»¶àÖÖÊä³öÐÎʽ£º0¡«5VÄ£ÄâµçѹÊä³ö£¨¾ø¶Ô£©¡¢0¡«5VÄ£ÄâµçѹÊä³ö£¨±ÈÀý£©¡¢I2CÊý×ÖÊä³ö¡£
¶îÎÂǹ¡¢¶úÎÂǹ
·Ç½Ó´¥Ê½¶îμơ¢¶úÎÂǹµÄÐèÇó¡°¸ßÉÕ²»ÍË¡±¡£ÔÚ¾Þ´óÉÌÒµÀûÒæÓÕ»óÏ£¬Ò»Ð©Ð½øÈëÕâ¸öÊг¡µÄÆóÒµ²Ý²ÝÑз¢ºó¾Í¿ªÊ¼Éú²úºÍÏúÊÛ£¬Áî²úÆ·Á¼Ý¬²»Æë£¬±©Â¶ÁË´óÁ¿Ó¦ÓÃÎÊÌ⣬²âβ»×¼È·£¬¸üÎÞ·¨´ïµ½Ò½Óü¶ÒªÇ󾫶ȡ£
ÊÂʵÉÏ£¬²»¹ÜÊÇÄÄÀà²âÎÂÉ豸£¬»ùÓÚÈû±´¿ËЧӦµÄºìÍâÈȵç²âη½Ê½¶¼ÊÇ¿ìËÙ¡¢Ö±¹Û¡¢·Ç½Ó´¥¼ì²âµÄÊ×Ñ¡£¬Ïà±ÈÆäËû²âη½Ê½¸üÓÐÓÅÊÆ¡£´ËÀàÉ豸Öж¼Àë²»¿ª»ù´¡µÄºìÍâÈȵç̽²âÆ÷£¬Ò²¾ÍÊǸ÷ÖÖ¶îÎÂǹ¡¢¶úÎÂǹµÄºËÐIJâÎÂÆ÷¼þMEMSÈȵç¶ÑºìÍâ̽²âÆ÷¡£ÔÚ²âÎÂÉ豸ӦÓÃÖУ¬Èȵç¶Ñ´«¸ÐÆ÷»¹ÒªÅäºÏÐźŵ÷ÀíоƬ²ÅÄÜ·¢»Ó×÷Óá£
ÒøºÓ¼¯ÍÅgalaxyÍÆ³öµÄNSA3300ÊÇÒ»¿îÕë¶ÔÈȵç¶Ñ´«¸ÐÆ÷µÄÐźŵ÷ÀíоƬ£¬Ö÷ÒªÓÃÓÚÁ¬½ÓÈȵç¶Ñ´«¸ÐÆ÷£¬²¢¶Ô´«¸ÐÆ÷µÄÊä³öµçѹÐźŽøÐзŴóºÍ²ÉÑù¡£³£¼ûµÄÊýģת»»µ÷ÀíоƬÍùÍù¶¼ÊÇǰ¶Ë´«¸ÐÆ÷Êä³öÒ»¸ö¼«Ð¡µÄÐźţ¬Í¨¹ýADCת»»Ä£¿é¡¢·Å´óÄ£¿é½«Ä£ÄâÐźÅת»»ÎªÊý×ÖÐźš£NSA3300ÊÇרΪÈȵç¶ÑÉè¼ÆµÄADCת»»Ä£¿é£¬ÊǾßÓл·¾³Î¶Ȳ¹³¥¹¦ÄÜ£¬¿ÉÖ±½ÓÊä³ö²âÁ¿Î¶ÈÖµµÄµ÷ÀíоƬ£¬Ìî²¹Á˹úÄÚÊг¡¿Õ°×¡£
NSA3300ÄÚ²¿Êý×ÖÒýÇæ¿ÉÒÔ°´ÕÕ¿Í»§ÅäÖõÄLUTÊý¾Ý£¬×Ô¶¯½«Èȵç¶Ñ´«¸ÐÆ÷µÄµçѹÊä³ö¼ÆËãΪζÈÁ¿Êä³ö£¬·½±ã¿Í»§Í¨¹ýI2C½Ó¿ÚÖ±½Ó¶ÁȡζÈÖµ¡£ÁíÍ⣬NSA3300Ò²¿ÉÒÔÅäÖóÉÊý×Ö¿ª¹ØÁ¿Êä³ö·½Ê½£¬ÓÃ×÷ζȿª¹Ø¡£ÆäÄÚ²¿ÃÅÏÞÉ趨ֵ¿ÉÒÔÈÿͻ§×ÔÐÐÉèÖùýλòǷεıȽÏãÐÖµ¡£

ͼ£ºÒøºÓ¼¯ÍÅgalaxyÕë¶ÔÈȵç¶Ñ´«¸ÐÆ÷µÄÐźŵ÷ÀíоƬNSA3300¹¦ÄÜ¿òͼ
NSA3300µÄÆäËûÌØÐÔ°üÀ¨£ºÄÚ²¿¼¯³ÉÃâ±ê¶¨»·¾³Î¶ȴ«¸ÐÆ÷£¬»·¾³Î¶ȿɲⷶΧΪ-40¡«125¡æ£¬¾«¶È¡À0.2¡æ£»Ö§³Ö¶àÖÖ¹¤×÷ģʽ£ºÁ¬Ðøµ¥Í¨µÀ´«¸ÐÆ÷¼°»·¾³Î¶È×éºÏÊä³ö¡¢Á¬ÐøË«Í¨µÀ´«¸ÐÆ÷¼°»·¾³Î¶È×éºÏÊä³ö¡¢Á¬ÐøË«Í¨µÀ´«¸ÐÆ÷Êä³öÒÔ¼°Ë¯Ãßģʽ£»Á½Â·²î·ÖÊäÈëͨµÀÖ§³ÖÁ½¸ö´«¸ÐÆ÷½ÓÈ룬ÿͨµÀODR¿É´ïµ½½ü800Hz£»Í¬Ê±Ö§³ÖI2C¡¢PWM¡¢ÖжÏÊä³öµÈ¶àÖÖÊä³öģʽ£¬Ë¯Ãß¹¤×÷ģʽµäÐ͹¦ºÄµÍÖÁ5¦ÌA¡£
¿É´©´÷Ìåμà²âÉ豸
ÌåβâÁ¿³ÉΪÁ˽¡¿µ¼à²â¹ÜÀíºÍ¶àάԤ·ÀµÄÖØÒªÊÖ¶ÎÖ®Ò»¡£ÈËÃÇÏ£Íûͨ¹ý¾ßÓÐÌåβâÁ¿¹¦ÄܵĿɴ©´÷Éè±¸ËæÊ±ËæµØÁ˽â×ÔÉí½¡¿µ×´¿ö£¬ÊµÏÖ×ÔÎÒ·À»¤¡£²»¹ý£¬¿É´©´÷ÀàÉ豸²âÎÂÓ¦Óþ³£»áÓöµ½¿Õ¼ä·Ç³£ÓÐÏÞ£¬ÐèÒª¸ß¾«¶È¡¢³¬µÍ¹¦ºÄ¡¢ÏìÓ¦ËٶȺÍʹÓ÷½±ãµÈÌôÕ½£¬¶Ô²âδ«¸ÐÆ÷Ìá³öÁ˸ü¸ßµÄÒªÇó¡£

ͼ£ºÒøºÓ¼¯ÍÅgalaxyζȴ«¸ÐÆ÷²úÆ·¿ÉÓ¦ÓÃÓÚ¿É´©´÷Ìåμà²âÉ豸
ÒøºÓ¼¯ÍÅgalaxyµÄ½Ó´¥Ê½ÌåβâÁ¿·½°¸NST112x²ÉÓø߾«¶ÈÊý×Öζȴ«¸ÐÆ÷£¬¾ßÓÐζÈÏìÓ¦Ëٶȿ졢²âÎÂʱ¼ä¶Ì¡¢µÍ¹¦ºÄ¡¢¸ß¾«¶È¡¢×Ô·¢ÈÈСµÈÌØµã£¬ÌرðÊʺÏÊÖ±í¡¢ÊÖ»·ÀàÒÔ¼°À¶ÑÀÌåÎÂÌùµÈ²úƷʹÓá£

ͼ£ºÒøºÓ¼¯ÍÅgalaxy¸ß¾«¶ÈÊý×Öζȴ«¸ÐÆ÷NST112x¹¦ÄÜ¿òͼ
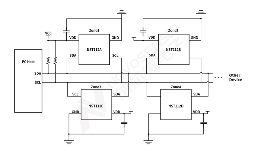
NST112x¼æÈÝI2CºÍSMBus½Ó¿Ú£¬¾ßÓпɱà³Ì¾¯±¨ºÍSMBusÖù¦ÄÜ£¬ÔÚµ¥Â·×ÜÏßÉÏ×î¶à¿ÉÖ§³Ö4¸öÆ÷¼þ¡£ÔÚ¾«¶È·½Ã棬ÎÞÐèУ׼¼´¿ÉÔÚ-20¡æÖÁ125¡æ·¶Î§ÄÚʵÏָߴï¡À0.5¡æµÄ¾«¶È¡£ÓÉÓÚÊǸßÏßÐÔ¶Èζȴ«¸ÐÆ÷£¬NST112xÎÞÐèÖØÐÂ×éºÏ¼ÆËã»ò²é±í¾Í¿ÉÒÔµ¼³öζȡ£Æä14λģÊýת»»¿ÉÌṩ¸ß´ï0.015625¡æµÄ·Ö±æÂÊ¡£
ÒÔÏÂÊÇNST112xϵÁеÄÌØµã£º
- ²ÉÑùËÙÂÊ4Hz£¬Æ½¾ù¹¦ºÄµäÐÍÖµ½öΪ5.7¦ÌA
- DSBGA-4£¨0.75mm¡Á0.75mm£©·â×°£¬ÊµÏÖÌåη¶Î§Äڸߴï¡À0.2¡æµÄÊä³ö¾«¶È
- ²ÉÓÃSMT¹¤ÒÕ£¬×°Å侫¶ÈÈݲîÐÔÇ¿£¬ÊÊÓÃÓÚ´ó¹æÄ£Á¿²ú
- ζȴﵽ63%µÄÏìӦʱ¼äΪ0.1s£¬ÅäºÏ²úÆ·½á¹¹Éè¼Æ´ïµ½ÌåΣ¨99%£©µÄʱ¼äΪ12.73s
NST112x¹¤×÷ζȷ¶Î§Îª-40¡æÖÁ125¡æ£¬ÊÊÓÃÓÚͨÐÅ¡¢¼ÆËã»ú¡¢Ïû·ÑÀà²úÆ·¡¢»·¾³¡¢¹¤ÒµºÍÒÇ±í£¬ÌØ±ðÊÇµç³Ø¹©µçµÄÎïÁªÍø²âÎÂÓ¦Óá£Î´À´£¬Ìåδ«¸ÐÆ÷ÓпÉÄܳÉΪ¶àÖÖ±ãЯʽÉ豸µÄ±êÅ䣬ΪÈËÃǵÄÈÕ³£Éú»î´øÀ´¸ü¶àµÄ±ãÀû¡£
ÕÆÎÕ¿ÆÑ§µÄ·ÀÒß֪ʶ£¬³ýÁËÌá¸ß×ÔÎÒ·À»¤£¬¹Ø×¢¼ÒÈ˽¡¿µÒâʶ֮Í⣬´îÔØ¸÷ÖÖ´«¸ÐÆ÷ºÍÐźŵ÷ÀíоƬµÄÖÇÄܽ¡¿µÉ豸¿ÉÒÔΪÈËÃǵĽ¡¿µ±£¼Ý»¤º½¡£