我们非常重视您的个人隐私,当您访问我们的网站时,请同意使用的所有cookie。有关个人数据处理的更多信息可访问《隐私政策》
随着PIR技术的不断推广普及,其被应用在越来越多的场所,如智能照明、智能家居、安防等场合。本文介绍基于NSA318x开关型和NSA3166智能型PIR信号调理芯片两款芯片的典型应用方案和产品特性。
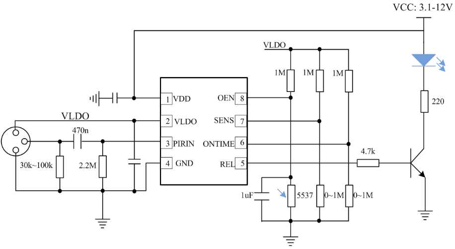
NSA3182/3183系列:
作为一颗高度集成的用于热释电红外传感器(PIR)的控制芯片,银河集团galaxyNSA3182/3183系列内部集成了高精度ADC,滤波器及相应的算法单元,支持多种模式(开关型/渐灭型/渐灭+微亮型)输出。芯片内置高压LDO,支持3V/1.5V输出,外围电路简单,性价比高,功耗较低且易于实现,广泛应用于智能照明和安防等场合。
NSA3182/3183主要性能指标:
图1 NSA3182典型应用图
NSA3182/3183为SOP8封装,管脚分布图如下图所示:

图2 NSA3182/3183 SOP8封装图
NSA3182/3183系列的料号如下:(订货咨询电话0512-62601802)
订货料号 | 封装 | 光敏/太阳能 | 输出形式 | 稳压器 |
NSA3182FT100 | SOP8 | 光敏 | 开关型 | 3V |
NSA3182FT101 | SOP8 | 光敏 | 渐灭型 | 3V |
NSA3182FT102 | SOP8 | 光敏 | 渐灭+微亮型 | 3V |
NSA3182FT140 | SOP8 | 太阳能 | 开关型 | 3V |
NSA3183FT900 | SOP8 | 光敏 | 开关型 | 1.5V |
NSA3166系列:
作为一颗智能型热释电红外传感器(PIR)信号调理芯片,银河集团galaxyNSA3166内部集成了高精度ADC,滤波器及相应的算法单元。通过连接MCU,内部参数可以通过寄存器进行配置。NSA3166可选择运动检测模式或原始数据输出模式,内置2.3V稳压输出,用于给PIR探头供电。芯片性价比高,功耗较低,广泛应用于智能门铃和高端安防等场合。
NSA3166主要性能指标:
供电电压:1.6-5.5V
稳压器输出:2.3V
超低功耗,典型功耗8uA
工作温度范围:-40~+85℃
模拟型PIR信号输入
NSA3166核心优势:
智能型芯片,内部参数皆可配置
支持LPF,BPF,电源电压,温度等原始数据输出
低功耗,工作电流仅8uA
与MCU通信仅需2条信号线,通信协议简单
NSA3166典型应用(更多应用细节请参考数据手册 ):

图3 NSA3166典型应用图
NSA3166为DFN8封装,管脚分布图如下图所示:

图4 NSA3166 DFN8封装图