ÎÒÃǷdz£ÖØÊÓÄúµÄ¸öÈËÒþ˽£¬µ±Äú·ÃÎÊÎÒÃǵÄÍøÕ¾Ê±£¬ÇëͬÒâʹÓõÄËùÓÐcookie¡£ÓйظöÈËÊý¾Ý´¦ÀíµÄ¸ü¶àÐÅÏ¢¿É·ÃÎÊ¡¶Òþ˽Õþ²ß¡·
ÔÚµçÔ´Óë³äµç×®µÈ¸ß¹¦ÂÊÓ¦ÓÃÖУ¬Í¨³£ÐèҪרÓÃÇý¶¯Æ÷À´Çý¶¯×îºóÒ»¼¶µÄ¹¦Âʾ§Ìå¹Ü¡£ÕâÊÇÒòΪ´ó¶àÊý΢¿ØÖÆÆ÷Êä³ö²¢Ã»ÓÐÕë¶Ô¹¦Âʾ§Ìå¹ÜµÄÇý¶¯½øÐÐÓÅ»¯£¬Èç×ã¹»µÄÇý¶¯µçÁ÷ºÍÇý¶¯±£»¤¹¦Äܵȣ¬¶øÇÒÖ±½ÓÓÃ΢¿ØÖÆÆ÷À´Çý¶¯£¬»áµ¼Ö¹¦ºÄ¹ý´óµÈ±×¶Ë¡£
Ê×ÏÈ£¬ÔÚ¹¦Âʾ§Ìå¹Ü¿ª¹Ø¹ý³ÌÖУ¬Õ¤¼«µçÈݳä·Åµç»áÔÚÊä³ö¶Ë²úÉú½Ï¸ßµÄµçѹÓëµçÁ÷£¬¸ßµçѹÓë¸ßµçÁ÷ͬʱ´æÔÚʱ£¬»áÔì³ÉÏ൱´óµÄ¿ª¹ØËðºÄ£¬½µµÍµçԴЧÂÊ¡£Òò´Ë£¬ÔÚ¿ØÖÆÆ÷ºÍ¾§Ìå¹ÜÖ®¼äÒýÈëÇý¶¯Æ÷£¬¿ÉÒÔÓÐЧ·Å´ó¿ØÖÆÆ÷µÄÇý¶¯Ðźţ¬´Ó¶ø¸ü¿ìµØ¶Ô¹¦ÂʹÜÕ¤¼«µçÈݽøÐгä·Åµç£¬À´Ëõ¶Ì¹¦ÂʹÜÔÚÕ¤¼«µÄÉϵçʱ¼ä£¬½µµÍ¾§Ìå¹ÜËðºÄ£¬Ìá¸ß¿ª¹ØÐ§ÂÊ¡£Æä´Î£¬¸ü´óµÄµçÁ÷¿ÉÒÔÌá¸ß¿ª¹ØÆµÂÊ£¬¿ª¹ØÆµÂÊÌá¸ßÒԺ󣬿ÉÒÔʹÓøüСµÄ´ÅÐÔÆ÷¼þ£¬ÒÔ½µµÍ³É±¾£¬¼õС²úÆ·Ìå»ý¡£

ΪʲôҪÓøôÀëÇý¶¯£¿
¸ø¹¦ÂʹÜÔö¼ÓÇý¶¯µÄ·½Ê½ÓÐÁ½ÖÖ£¬Ò»ÖÖÊǷǸôÀëÇý¶¯£¬Ò»ÖÖÊǸôÀëÇý¶¯¡£´«Í³µç·ÀïÃæ¾³£¼ûµ½·Ç¸ôÀëÇý¶¯£¬ÔÚ¸ßѹӦÓÃÖÐÒ»°ã²ÉÓðëÇŷǸôÀëÇý¶¯£¬¸ÃÇý¶¯ÓиߵÍÁ½¸öͨµÀ£¬µÍ²àÊÇÒ»¸ö¼òµ¥µÄ»º³åÆ÷£¬Í¨³£Óë¿ØÖÆÊäÈëÓÐÏàͬµÄ½ÓµØµã£»¸ß²àÔò³ýÁË»º³åÆ÷£¬»¹°üº¬¸ßµçѹµçƽת»»Æ÷¡£
·Ç¸ôÀëÇý¶¯Óкܶà¾ÖÏÞÐÔ¡£Ê×ÏÈ£¬·Ç¸ôÀëÇý¶¯Ä£¿éÕûÌå¶¼ÔÚͬһ¹èƬÉÏ£¬Òò´ËÄÍѹÎÞ·¨³¬³ö¹è¹¤ÒÕ¼«ÏÞ£¬´ó¶àÊý·Ç¸ôÀëÇý¶¯Æ÷µÄ¹¤×÷µçѹ¶¼²»³¬¹ý700·ü¡£Æä´Î£¬µ±¸ß²à¹¦ÂʹܹرնøµÍ²à¹¦Âʹܴò¿ªÊ±£¬ÓÉÓÚ¼ÄÉúµç¸ÐЧӦ£¬Á½¹ÜÖ®¼äµÄµçѹ¿ÉÄÜ»á³öÏÖ¸ºÑ¹£¬¶ø·Ç¸ôÀëÇý¶¯Ä͸ºÑ¹ÄÜÁ¦½ÏÈõ£¬ËùÒÔÈç¹û²ÉÓ÷ǸôÀëÇý¶¯£¬Ó¦Ìرð×¢ÒâÁ½¹Ü¼äµç·Éè¼Æ¡£µÚÈý£¬·Ç¸ôÀëÇý¶¯ÖÐÐèÒªÓõ½¸ßµçѹµçƽת»»Æ÷£¬¸ßµçƽת»»µ½µÍµçƽʱ»á´øÀ´ÔëÉù£¬ÎªÁËÂ˳ýÕâЩÔëÉù£¬µçƽת»»Æ÷ÖÐͨ³£¼ÓÈëÂ˲¨Æ÷£¬Õâ»áÔö¼Ó´«²¥ÑÓ³Ù£¬¶øµÍ²àÇý¶¯Æ÷¾ÍÐèÒª¶îÍâÔö¼Ó´«ÊäÑÓ³Ù£¬ÒÔÆ¥Åä¸ß²àÇý¶¯Æ÷£¬Õâ¾Í¼ÈÔö¼ÓÁ˳ɱ¾£¬ÓÖʹµÃÑӳٺܳ¤¡£µÚËÄ£¬·Ç¸ôÀëÇý¶¯Óë¿ØÖÆÐ¾Æ¬¹²µØ£¬²»¹»Áé»î£¬ÎÞ·¨Âú×ãÏÖÔÚÐí¶à¸´ÔÓµÄÍØÆËµç·ҪÇó£¬ÀýÈçÔÚÈýÏàPFCÈýµçÆ½ÍØÆËÖУ¬ÒªÇó¶à¸öÊä³öÄܹ»×ª»»ÖÁ¿ØÖƹ«¹²¶ËµçƽÒÔÉÏ»òÒÔÏ£¬ËùÒÔÕâÖÖ³¡¾°ÎÞ·¨Ê¹Ó÷ǸôÀëÇý¶¯¡£

Ïà±È·Ç¸ôÀëÇý¶¯£¬¸ôÀëÇý¶¯¾ÍÓкܶàÓÅÊÆ£¬ÕâÀïÒÔÊý×Ö¸ôÀëÇý¶¯À´×ö˵Ã÷¡£ÔÚÊý×Ö¸ôÀëÇý¶¯Æ÷ÄÚ²¿£¬ÓÐÁ½¿é»ò¸ü¶àµÄ¹èƬ£¬¹èƬ֮¼äͨ¹ý¾øÔµ²ÄÁϸôÀ룬¶ø¿ØÖÆÐźÅͨ¹ýµçÈÝÐÍ»òµç´ÅÐÍ·½Ê½´©¹ý¸ôÀë²ãÀ´´«µÝ£¬´Ó¶øÈÃÊäÈëÓëÊä³ö´¦ÓÚ²»Í¬¹èƬÉÏ£¬ÕâÖÖ¸ôÀ뷽ʽÄÜÈÆ¹ý¹è¹¤ÒÕ¼«ÏÞ£¬¿ÉÒÔÂú×ã¸ßÄÍѹÐèÇ󣬸ôÀëÇý¶¯¿ÉÒÔ³ÐÊÜ10kVÒÔÉϵÄÀËÓ¿µçѹ¡£´ËÍ⣬Á½¸öÊä³öÇý¶¯Ö®¼ä£¬Ò²ÓоøÔµ²ÄÁϽ¨¹¹µÄ¸ôÀë´ø£¬ËùÒÔÓë·Ç¸ôÀëÇý¶¯ÒªÇóÓë¿ØÖÆÐźŹ²µØ²»Í¬£¬¸ôÀëÊä³ö½ÓµØµãÑ¡Ôñ¸üÁé»î£¬¿ÉÒÔÆ¥Å䲻ͬµçÂ·ÍØÆËÐèÒª¡£

ÒøºÓ¼¯ÍÅgalaxyNSi8100NϵÁÐ˫ͨµÀË«ÏòI2CÊý×Ö¸ôÀëÆ÷Âú×ãAEC-Q100±ê×¼£¬Êý¾ÝÂʸߴï150Mbps£¬Ê±ÖÓËÙÂʿɴï2MHz£¬ÌṩÊý×ÖͨµÀ·½ÏòÅäÖÃÑ¡Ôñ£¬Êä³öĬÈÏ¸ßµçÆ½ºÍµÍµçƽѡÔñ¡£¿í¹©µç·¶Î§¿ÉÖ±½Ó¶Ô½Ó´ó¶àÊýMCUµÈÊý×Ö½Ó¿Ú£¬²¢ÇÒ¿ÉÒÔ·½±ãµÄÌṩµçƽת»»¹¦ÄÜ¡£ÒøºÓ¼¯ÍÅgalaxy×îÐÂÍÆ³öµÄ¸ôÀëCANÊÕ·¢Æ÷NSi1050µÄ´«ÊäËÙÂʿɴï1Mbps£¬Ô¶¸ßÓÚµçĦBMS±ê×¼µÄÒªÇó¡£
Êý×Ö¸ôÀëÇý¶¯Æ÷µÄÓÅÊÆ
¹âñî¸ôÀëÊÇ´«Í³µÄ¸ôÀ뷽ʽ£¬µ«ÓëÊý×Ö¸ôÀëÏà±È£¬¹âñî¸ôÀëÔÚÐÔÄܺÍÃæ»ýÉ϶¼²»Õ¼ÓÅÊÆ¡£
Ê×ÏÈ£¬¹âñî¸ôÀë·½°¸´«ÊäÑӳٽϴó£¬Í¨³£ÔÚ°ÙÄÉÃëÒÔÉÏ¡£ÔÚ¹âñî¸ôÀë·½°¸ÖУ¬LED½«Õ¤¼«Çý¶¯ÐźÅת»»Îª¹âÐźţ¬ÔÙͨ¹ý¹âµç¶þ¼«¹ÜµÈ¹âÃôµç·ת»»Îª´ý²âµçÐźţ¬¸ù¾Ý½á¹¹Éè¼ÆµÄ²»Í¬£¬³£¼ûµÄ¹âñî´«²¥ÑÓ³ÙÔÚ¼¸°ÙÄÉÃëÉõÖÁ΢Ãë¼¶¡£¸ßËÙ¹âñîͨ¹ýÓÅ»¯ÄÚ²¿¼ÄÉú²ÎÊý¡¢Ôö¼ÓLEDÇý¶¯Ç¿¶ÈµÈÉè¼Æ£¬¿ÉÔÚ¼¸Ê®ÄÉÃëʱ¼äÄÚ½ÓͨºÍ¶Ï¿ª£¬µ«³É±¾»áÉÏÉýºÜ¶à¡£
³£¹æ¹âñî·½°¸µÄ´«²¥ÑÓ³ÙÉõÖÁ²»Èç·Ç¸ôÀëÇý¶¯¡£ÔÚ°ëÇŷǸôÀëÇý¶¯ÖУ¬ÒòΪÔö¼ÓÌí¼ÓÁËËٶȽÏÂýµÄ¸ßµçѹµçƽת»»Æ÷£¬ÒÔ¼°È¥Ã«´ÌºÍÂ˲¨µç·£¬³£¼ûÑÓ³Ùʱ¼ä¿É´ïµ½100ÄÉÃ룬ÒòΪµÍ²àÒªÓë¸ß²àÆ¥Å䣬ËùÒÔÒªÔڵͲàÌí¼ÓÒ»¸öµ¥¶ÀµÄÑÓ³ÙʱÖÓ£¬Õû¸öϵͳ´«²¥ÑÓ³ÙÔÚ100ÄÉÃë×óÓÒ¡£
Êý×Ö¸ôÀëÇý¶¯Í¨¹ýÉϰÙÕ׏߯µÔز¨±à½âÂ룬¿ª¹ØÖ»Ð輸ÄÉÃëÉõÖÁ¸ü¶ÌµÄʱ¼ä¡£µ«ÓÉÓÚÄÚ²¿Âß¼ÑÓ³ÙºÍȥë´ÌÂ˲¨Éè¼Æ£¬ËùÒÔÑÓ³Ùµ½¼¸Ê®ÄÉÃë¡£ÒÔÒøºÓ¼¯ÍÅgalaxyNSi6602ΪÀý£¬¸ôÀëÇý¶¯´«ÊäÑÓ³ÙµäÐÍÖµÊÇÔÚ25ÄÉÃ룬×î¸ßÖµ²»³¬¹ý35ÄÉÃë¡£
Æä´Î£¬¹âñî·½°¸Âö¿íÊ§Õæ½Ï´ó¡£ÒòΪ¹âµç¼ì²âÆ÷ÖеÄLED¿ªÆôºÍ¹Ø±Õʱ¼ä²¢²»×ÜÊǶԳƣ¬ÇÒζÈÔ½¸ß²»¶Ô³ÆÔ½ÑÏÖØ£¬ËùÒÔ¹âñîÂö¿íÊ§Õæ±È½ÏÑÏÖØ£¬¹âñî·½°¸Âö¿íÊ§Õæ·¶Î§´Ó¼¸Ê®ÄÉÃëµ½¼¸°ÙÄÉÃë¡£
Êý×Ö¸ôÀëÇý¶¯µÄÂö¿íÊ§ÕæÖ÷ÒªÓÉÕñµ´Æ÷¼ÆÊ±¾«¶È¡¢¸ôÀë²ã´«ÊäÌØÐԺͽÓÊն˼ì²âµç·Ôì³É¡£NSi6602¿É½«Âö¿íÊ§Õæ¿ØÖÆÔÚ6ÄÉÃëÒÔÄÚ£¬ÔÚÂö¿íÊ§ÕæÕâÏî²ÎÊýÉÏ£¬Êý×Ö¸ôÀëÇý¶¯Ò²ÊÇ´ó·ùÁìÏÈ¡£
ÆäËûÔÚÉè¼ÆÖÐҪעÒâµÄ²ÎÊý
³ýÁË´«²¥ÑÓ³ÙºÍÂö¿íÊ§Õæ¡£ÔÚ°ëÇÅÍØÆËÖУ¬Èç¹ûʹÓõ¥Í¨µÀ¸ôÀëÇý¶¯Æ÷£¬ÐèҪעÒâÉÏÏÂÁ½Í¨µÀµÄÑÓʱƥÅ䣬Èç¹û²ÉÓÃÁ˲»Í¬Åú´ÎµÄÆ÷¼þ£¬ºÜÈÝÒ×´øÀ´ÑÓʱƥÅäÎÊÌ⣬ÁíÍ⣬Á½¸öµ¥Í¨µÀ¸ôÀëÇý¶¯ÔÚ¹¤×÷ʱ½áοÉÄÜÒ²»áÓвîÒ죬ζȲîÒ²»áµ¼ÖÂÐźŴ«ÊäÑÓʱ¡£¶ÔNSi6602ÕâÖָ߼¯³ÉµÄ˫ͨµÀ°ëÇÅÊý×Ö¸ôÀëÇý¶¯¶øÑÔ£¬¾Í²»Ì«ÐèÒª¿¼ÂÇÑÓʱƥÅäÎÊÌ⣬ÕâÊÇÒòΪÔÚ·âװʱ£¬ÒøºÓ¼¯ÍÅgalaxy¶¼»áÑ¡ÔñͬһÅú´Î¶øÇÒÔÚ¾§Ô²ÉÏλÖÃ×î½Ó½üµÄÒ»¶Ô½ÓÊÕÆ÷£¬ÕâÑùÖÆÔì²îÒìÓ°Ïì×îС£¬¶øÒ»¶Ô½ÓÊÕÆ÷·â×°ÔÚͬһ¸öоƬÖУ¬Ò²ÄܼõÉÙζȲîÒì¶ÔÑÓʱµÄÓ°Ïì¡£NSi6602¿É½«ÉÏÏÂͨµÀµÄÑÓʱƥÅäÕâ¸öÖ¸±ê¿ØÖÆÔÚ5ÄÉÃëÒÔÄÚ¡£
¹²Ä£Ë²Ì¬¿¹¸ÉÈŶȣ¨CMTI£©Ò²ÊÇÒ»¸öÐèҪעÒâµÄÖ¸±ê¡£ÌرðÊÇÈç¹ûÇý¶¯ºó¼¶½ÓµÄÊÇ̼»¯¹è¹¦Âʹܣ¬ÕâÊÇÒòΪ̼»¯¹è¹¦ÂʹܼÄÉúµçÈݸüС£¬ËùÒÔµçѹ˲̬±ä»¯Öµ¸ü´ó£¬Í¬ÑùÒ»¸öϵͳ£¬Èç¹û´ÓMOS¹¦ÂʹܸÄΪ̼»¯¹è¹¦Âʹܣ¬Æä˲̬µçѹ±Èʱ¼ä£¨dV/dt£©µÄ·åÖµ»áÊÇMOS¹ÜµÄ2µ½3±¶£¬ËùÒÔÐèÒª¸ü¸ßµÄCMTIÖ¸±ê¡£NSi6602µÄCMTI´ïµ½¡À150kV/¦Ìs£¬Çý¶¯Ì¼»¯¹è¹¦ÂʹܺÁÎÞѹÁ¦¡£
ÔÚ5G»ùÕ¾¡¢Êý¾ÝÖÐÐĺͳäµç×®ÖеÄÓ¦ÓÃ
Ëæ×Å¿ª¹ØµçÔ´µÄСÐÍ»¯ºÍÖÇÄÜ»¯£¬ÔÚ5GͨÐÅ¡¢Êý¾ÝÖÐÐÄ¡¢³äµç×®ºÍ³µÔصçÔ´ÖУ¬¹¤³ÌʦԽÀ´Ô½¶àÑ¡Ôñ¸ôÀëÇý¶¯ÒÔÔöÇ¿µçÔ´ÐÔÄÜ¡£
ÓÉÓÚÀúÊ·ÔÒò£¬Í¨ÐÅϵͳֱÁ÷¹©µçÒ»°ã²ÉÓÃ-48VÊäÈ룬¼´±¸µçµç³ØµÄÕý¶Ë½ÓµØ¡£ÔÚ¹ýÈ¥£¬Í¨ÐÅÉ豸ÄÚ²¿Í¨³£²ÉÓÃÉý½µÑ¹Ê½£¨Buck-Boost£©·Ç¸ôÀëÍØÆËÀ´ÊµÏÖÊäÈ븺ѹµ½Êä³öÕýѹµÄת»»¡£µ«°éËæ5GµÄµ½À´£¬»ùÕ¾²¿ÊðÊýÁ¿Ôö¼Ó£¬»ùÕ¾É豸СÐÍ»¯ÒªÇóÒ²Ô½À´Ô½¸ß£¬Õâ¾ÍÐèÒªÔÚµçÔ´²¿·Ö½øÒ»²½Ìá¸ß¹¦ÂÊÃܶȣ¬²ÉÓøôÀëÇý¶¯»á´øÀ´ºÜ¶àºÃ´¦¡£

·Ç¸ôÀëÇý¶¯ÐèÒªÓë¿ØÖÆÐ¾Æ¬¹²µØ£¬ËùÒԷǸôÀëÇý¶¯ÖУ¬¿ØÖÆÐ¾Æ¬µØÖ»ÄÜÈ¡ÔÚ-48V£¬Õâ¾ÍʹµÃ¿ØÖÆÐ¾Æ¬Ò×Êܵ½À´×Ô-48VµçƽµÄÀËÓ¿»òÀ×»÷µÈÓ°Ïì¡£¶ø²ÉÓøôÀëÇý¶¯£¬Ôò¿ÉÒÔ°Ñ¿ØÖÆÐ¾Æ¬ÓëÇý¶¯½Óµ½²»Í¬µÄ½ÓµØµã£¬¿ØÖÆÐ¾Æ¬¿ÉÒÔ½ÓÔÚPGND£¨¼´É豸µØ£©£¬ËùÒÔ²»Ò×ÊÜÀ×»÷ÓëÀËÓ¿Ó°Ï죬¿¹¸ÉÈÅÄÜÁ¦Ç¿¡£¶øÇÒ£¬¿ØÖÆÐ¾Æ¬½Óµ½É豸µØÒ²Ê¹µÃÆäÓëÉÏλ»úͨПü¼Ó·½±ã£¬²»ÐèÒªÔÙ¼Ó×ÜÏ߸ôÀëоƬ£¬Êä³ö²ÉÑùÒ²²»ÓøôÀ룬µçÔ´ÐÔÄܸüÎȶ¨£¬²ÉÑù±£»¤¸ü¼°Ê±¡£
ÔÚÊý¾ÝÖÐÐĽ»Á÷תֱÁ÷£¨AC-DC£©µçÔ´ÖУ¬Ò²¿ÉÒÔͨ¹ý¼ÓÈëNSi6602¸ôÀë°ëÇÅÇý¶¯À´¸ÄÉÆµçÔ´ÐÔÄÜ£¬ÔÚÁ÷ÐеÄÕûÁ÷ÇżÓÉýѹPFCÓëLLC¼Ü¹¹ÖУ¬»¹¿ÉÒÔͨ¹ýÔö¼Ó¸ôÀë°ëÇÅÇý¶¯µÄ·½Ê½£¬½«ÓÐÇÅPFC¸ÄΪÎÞÇÅPFC£¬´Ó¶ø¼õÉÙ¶þ¼«¹ÜʹÓÃÊýÁ¿£¬²¢Ìá¸ßµçԴЧÂÊ¡£

ÔÚÐÂÄÜÔ´Æû³µ³äµç×®ÖеÄÖ±Á÷ת½»Á÷µçԴͨ³£²ÉÓÃÈýÏཻÁ÷¹©µç£¬ÓÉÓÚ¸ÃÉ豸ÐëÈËÔ±²Ù×÷£¬ËùÒÔÔÚ°²È«±ê×¼ÉÏÒªÇ󼫸ߣ¬ÐèÒªÔÚ²Ù×÷ÈËÔ±¿ÉʹÓõĽӿÚÓëÈκθßѹµç·֮¼äÌṩÔöÇ¿¸ôÀ룬ÒÔÂú×ãϵͳ¶Ô°²È«µÄÒªÇ󣬷Àֹ˲ʱ¹ýѹ¡¢ÀËÓ¿¹ýѹºÍÅÀµçµÈÔì³ÉµÄ°²È«Òþ»¼¡£Õâʱºò£¬¸ôÀëÇý¶¯¾ÍÊÇ×îºÃµÄÑ¡Ôñ¡£

ÊÂʵÉÏ£¬³äµç×®Ö±Á÷Êä³ö¸ß´ï800V£¬¶ø·Ç¸ôÀëÇý¶¯×î¸ßÄÍѹֻÓÐ700V£¬ÎÞ·¨Âú×ã³äµç×®Ó¦ÓõĻù±¾ÒªÇó¡£¶ø±äѹÆ÷¸ôÀëÇý¶¯Ð§Âʵ͡¢Æ÷¼þ¶à¡¢Ãæ»ý´ó¡£ÒÔNSi6602Ϊ´ú±íµÄÊý×Ö¸ôÀëÇý¶¯Ôò¾ßÓи߼¯³ÉÌØÐÔ£¬³É±¾¸üµÍ£¬¶øÇÒÂú×ã¼ÓÇ¿¾øÔµÒªÇó£¬ÔڿɳÐÊÜÄÍѹÌõ¼þÏ£¬¿É¹¤×÷Ê®ÄêÒÔÉÏ¡£
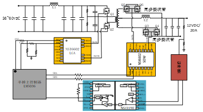
»ùÓÚ¸ôÀë°ëÇÅÇý¶¯µÄ240W¸ßЧÂÊͬ²½ÕûÁ÷µçÔ´·½°¸
ÈçÏÂͼËùʾ£¬ÊÇÒ»¿î¿ÉÓÃÓÚͨÐÅϵͳµÄ48VÊäÈë¡¢12VÊä³ö240WµÄ¸ôÀë°ëÇÅͬ²½ÕûÁ÷µçÔ´·½°¸£¬Æä¿ª¹ØÆµÂÊΪ200KHz£¬×î¸ßЧÂʿɴï95%
´ËµçÔ´·½°¸µÄ°ëÇŹ¦ÂʹÜÇý¶¯²¿·ÖÓ븱±ßͬ²½ÕûÁ÷¹¦ÂʹÜÇý¶¯²¿·Ö²ÉÓÃÁËÒøºÓ¼¯ÍÅgalaxy¸ß¼¯³É¶È¡¢¸ß¿É¿¿ÐÔ¸ôÀë°ëÇÅÇý¶¯Ð¾Æ¬NSi6602£¬Êä³ö·´À¡¿ØÖƲ¿·Ö²ÉÓÃÁËÒøºÓ¼¯ÍÅgalaxy¸ß¾«¶È¸ôÀëÎó²î·Å´óÆ÷NSi3190¡£´Ë·½°¸Ö§³ÖÊäÈëµçѹ·¶Î§36V-60V£¬Êä³öµçѹ12V£¬µçÁ÷20A£¬¿ª¹ØÆµÂÊ200KHz£¬Ô¸±±ßµÄ¸¨Öú¹©µçµç·²ÉÓÃFly-buckÍØÆË£¬±¾µçÔ´¾ß±¸UVLO\OVP\OCP\OTPµÈ¶àÖÖ±£»¤¹¦ÄÜ¡£¹¦ÄÜ¿òͼÈçÏ£º
ͼ 240Wͬ²½ÕûÁ÷µçÔ´¹¦ÄÜ¿òͼ
µã»÷»ñÈ¡¸ü¶à¹ØÓÚ´Ë·½°¸µÄÏêϸ×ÊÁϺÍÊý¾Ý¡£
×ܽá
ÔÚ5GͨÐÅ¡¢Êý¾ÝÖÐÐÄ¡¢³äµç×®ºÍ³µÔصçÔ´µÈÓ¦ÓÃÖУ¬ÎÞÂÛÊÇÓë·Ç¸ôÀëÇý¶¯£¬»¹ÊÇÓë¹âñî¸ôÀëÇý¶¯Ïà±È£¬Êý×Ö¸ôÀëÇý¶¯ÔÚ´«²¥Ê±ÑÓ¡¢¿É¿¿ÐԺͳߴçµÈ·½Ãæ¶¼¾ßÓÐÃ÷ÏÔµÄÓÅÊÆ£¬ÓÉÓÚ¼¯³É¶È¸ß£¬³É±¾ÓÅÊÆÒ²ºÜÃ÷ÏÔ£¬ÌرðÊʺϵ±Ç°¿ª¹ØµçÔ´Éè¼ÆÖÇÄÜ»¯¡¢Ð¡ÐÍ»¯µÄÇ÷ÊÆ¡£