ÎÒÃǷdz£ÖØÊÓÄúµÄ¸öÈËÒþ˽£¬µ±Äú·ÃÎÊÎÒÃǵÄÍøÕ¾Ê±£¬ÇëͬÒâʹÓõÄËùÓÐcookie¡£ÓйظöÈËÊý¾Ý´¦ÀíµÄ¸ü¶àÐÅÏ¢¿É·ÃÎÊ¡¶Òþ˽Õþ²ß¡·
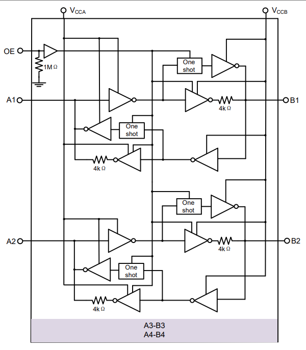
NCAB0104ÊÇÒ»¿îÓÃÓÚÍÆÍìÓ¦ÓõÄ4λÎÞ·½Ïòµçѹµçƽת»»Æ÷¡£Ëü°üº¬Á½¸öµçÔ´Òý½Å£¨VCCAºÍVCCB£©¡¢Ò»¸öÊä³öʹÄÜ£¨OE£©Òý½ÅºÍÁ½¸ö4λI/O¶Ë¿Ú£¨AnºÍBn£©¡£VCCAÒý½Å¿É½ÓÊÜ1.1 VÖÁ3.6 V·¶Î§ÄÚµÄÈÎÒâµçÔ´µçѹ£¬VCCBÒý½Å¿É½ÓÊÜ1.65 VÖÁ5.5 V·¶Î§ÄÚµÄÈÎÒâµçÔ´µçѹ£¬ÇÒVCCA²»µÃ¸ßÓÚVCCB¡£ÕâʹµÃ¸ÃÆ÷¼þÊÊÓÃÓÚÈκεçѹ½Úµã£¨1.8 V¡¢2.5 V¡¢3.3 VºÍ5.0 V£©Ö®¼äµÄµçƽת»»¡£AºÍB¶Ë¿Ú£¨AnºÍBn£©·Ö±ðÉè¼ÆÎª¸ú×ÙVCCAºÍVCCB¡£OEÒý½ÅÒÔVCCAΪ²Î¿¼¡£½«OEÒý½ÅÖÃΪµÍµçƽ»áʹËùÓÐÊä³ö´¦ÓÚ¸ß×è̬¡£½«OEÒý½ÅÖÃΪ¸ßµçƽ½«Ê¹ÄÜ¸ÃÆ÷¼þ¡£ÎªÈ·±£ÔÚÉϵç»ò¶ÏµçÆÚ¼ä´¦ÓÚ¸ß×è̬£¬OEÒý½Å±ØÐëͨ¹ýÒ»¸öÏÂÀµç×èÁ¬½Óµ½GNDÒý½Å£»µç×èµÄ×îСֵÓÉÇý¶¯Æ÷µÄµçÁ÷Ô´ÄÜÁ¦¾ö¶¨¡£
²úÆ·ÌØÐÔ
? VCCA µçѹ·¶Î§Îª 1.1 V ÖÁ 3.6 V
? VCCB µçѹ·¶Î§Îª 1.65 V ÖÁ 5.5 V£¨VCCA ¡Ü VCCB£©
? ×î´óÊý¾ÝËÙÂÊ£º100 Mbps£¨ÍÆÍìʽ£©
? ¾²µç·Åµç£¨ESD£©±£»¤³¬¹ý JESD 22 ±ê×¼£º
¡ð A ¶Ë¿Ú£º¡À 8 kV ÈËÌåÄ£ÐÍ£¨HBM£¬A114£©
¡ð B ¶Ë¿Ú£º¡À 15 kV ÈËÌåÄ£ÐÍ£¨HBM£¬A114£©
¡ð A ¶Ë¿Ú£º¡À 2 kV ´øµçÆ÷¼þÄ£ÐÍ£¨CDM£¬C101£©
¡ð B ¶Ë¿Ú£º¡À 2 kV ´øµçÆ÷¼þÄ£ÐÍ£¨CDM£¬C101£©
? IEC 61000 - 4 - 2 ¾²µç·Åµç£¨B ¶Ë¿Ú£©£º¡À 15 kV ½Ó´¥·Åµç
? ãÅËøÐÔÄܰ´ÕÕ JESD78 ±ê×¼ II À೬¹ý 100 mA
? ·ûºÏ RoHS ±ê×¼
? ¶àÖÖ·â×°Ñ¡Ïî
Ó¦Óó¡¾°
? ·þÎñÆ÷
? ·ÓÉÆ÷£¨µçÐŽ»»»É豸£©
? ¸öÈ˵çÄÔ¡¢¹¤Òµ×Ô¶¯»¯É豸
? Ö÷´¦ÀíÆ÷ÓëÍâΧģ¿éÖ®¼äµÄ¸ôÀëÆ÷ºÍµçƽת»»Æ÷
¹¦ÄÜ¿òͼ


ÈçÄúÐèÒª×Éѯ²úÆ·¸ü¶àÐÅÏ¢£¬Çëµã»÷¡°ÒøºÓ¼¯ÍÅgalaxy¡±£¬ÎÒÃǽ«¾¡¿ì»Ø¸´Äú!