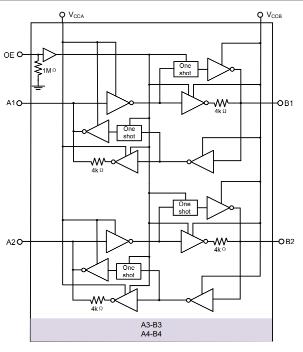
The NCAB0104 is 4-bit directionless voltage level translator for push-pull applications. It includes two supply pins (VCCA and VCCB), one output-enable (OE) and two 4-bit I/O ports (An and Bn). VCCA pin accepts any supply voltage from 1.1 V to 3.6 V and VCCB pin accepts any supply voltage from 1.65 V to 5.5 V such that VCCA is no higher than VCCB. It makes the device suitable for translating between any of the voltage nodes (1.8 V,2.5 V, 3.3 V and 5.0 V). The A and B ports (An and Bn) are designed to track VCCA and VCCB respectively. The pin OE is referenced to VCCA. Setting pin OE low causes all outputs in the high-impedance state. Setting pin OE high will enable the device. To ensure the high-impedance state during power up or power down, the OE pin must be tied to the GND pin through a pull-down resistor; the minimum value of the resistor is determined by the current sourcing capability of the driver.
Product Features
? 1.1 V to 3.6 V on VCCA
? 1.65 V to 5.5 V on VCCB (VCCA ≤ VCCB)
? Maximum data rates: 100 Mbps (push-pull)
? ESD protection exceeds JESD 22:
± 8 kV HBM (A114) for A port
○ ± 15 kV HBM (A114) for B port
○ ± 2 kV CDM (C101) for A port
○ ± 2 kV CDM (C101) for B port
? IEC 61000-4-2 ESD (B port): ±15 kV Contact Discharge
? Latch-up performance exceeds 100 mA per JESD78, class II
? RoHS compliance
? Multiple package options
Application
? Servers
? Routers (Telecom Switching Equipment)
? Personal Computers, Industrial, Automation
? Isolates and level translators between main processor and peripheral modules
Functional Block Diagram


For more product information, please contact us.