ÎÒÃǷdz£ÖØÊÓÄúµÄ¸öÈËÒþ˽£¬µ±Äú·ÃÎÊÎÒÃǵÄÍøÕ¾Ê±£¬ÇëͬÒâʹÓõÄËùÓÐcookie¡£ÓйظöÈËÊý¾Ý´¦ÀíµÄ¸ü¶àÐÅÏ¢¿É·ÃÎÊ¡¶Òþ˽Õþ²ß¡·
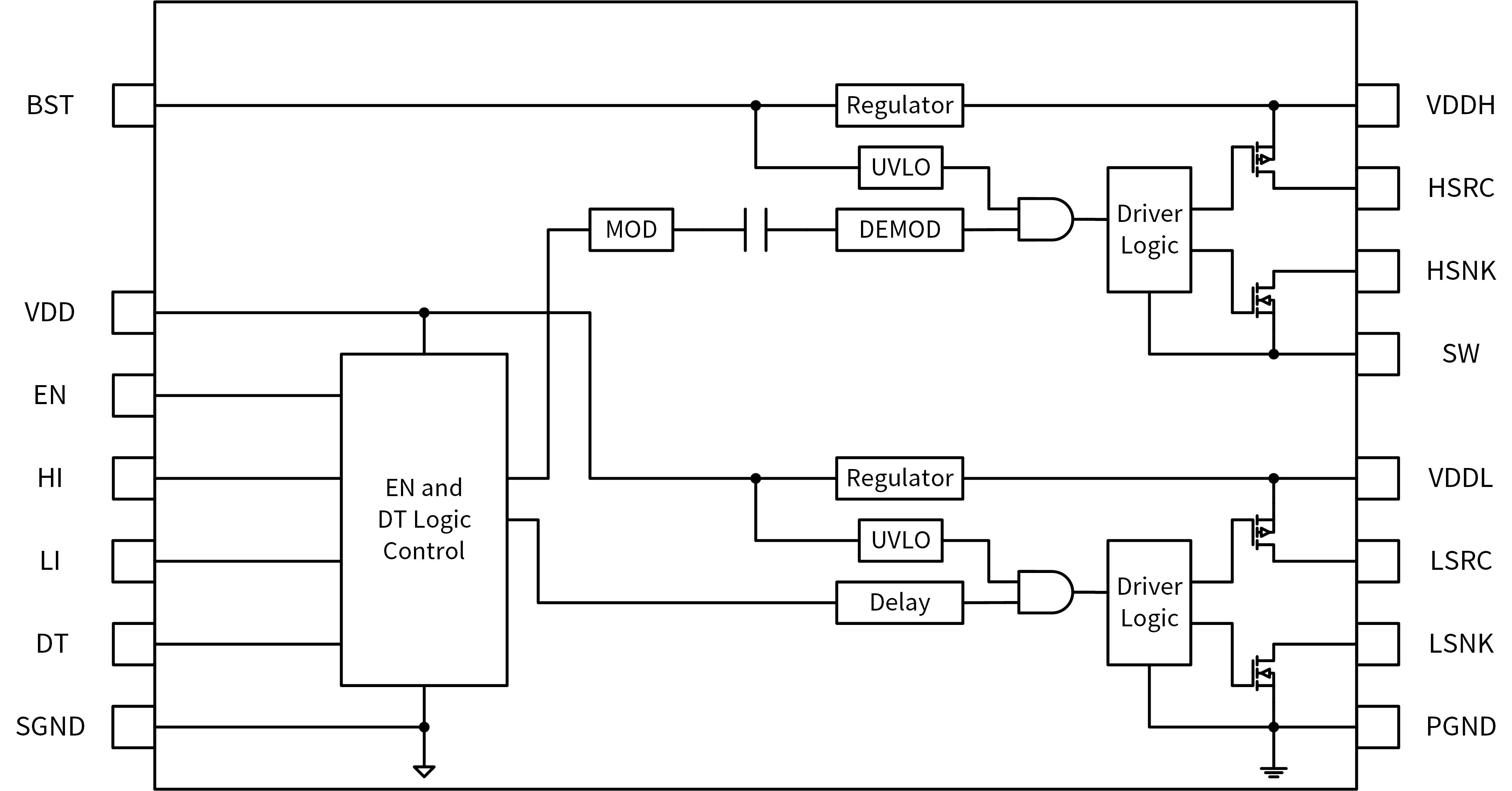
NSD2621ÊÇÒøºÓ¼¯ÍÅgalaxy×îÐÂÍÆ³öµÄרΪGaNÉè¼ÆµÄ¸ßѹ°ëÇÅÇý¶¯Ð¾Æ¬¡£¸ÃоƬ²ÉÓÃÁËÒøºÓ¼¯ÍÅgalaxyµÄ³ÉÊìµçÈݸôÀë¼¼Êõ£¬¸ß±ßÇý¶¯¿ÉÒÔÖ§³Ö-700Vµ½+700VµÄ¹²Ä£µçѹ£¬150 V/nsµÄSWµçѹ±ä»¯Ð±ÂÊ£¬Í¬Ê±¾ßÓеʹ«ÊäÑÓʱºÍµÍͨµÀ¼äÑÓʱµÄÌØÐÔ¡£Á½Í¨µÀ¾ùÄÜÌṩ2A/-4AµÄÇý¶¯ÄÜÁ¦¡£
¸ßµÍ±ßµÄÇý¶¯¼¶¶¼²ÉÓÃÁËרÃŵĵçѹµ÷½ÚÆ÷£¬ÒÔÈ·±£Çý¶¯µçѹÔÚGaNÕ¤¼«¿É½ÓÊܵÄÎȶ¨·¶Î§ÄÚ£¬Ê¹µÃGaN²»ÂÛÔÚºÎÖÖÇé¿öÏ£¬¶¼ÄÜÕý³£¹¤×÷¡£Í¬Ê±¾ß±¸ÁËUVLO±£»¤¹¦ÄÜ£¬±£»¤µçԴϵͳ¹¤×÷°²È«¡£
²úÆ·ÌØÐÔ
- ¸ßѹ²àµçѹ·¶Î§£º+/-700V£»
- ¸ßµÍ±ß¶ÀÁ¢ UVLO ±£»¤¹¦ÄÜ£»
- +2/-4A Çý¶¯µçÁ÷ÄÜÁ¦;
- ÄÚÖÃLDO£¬Ê¹Çý¶¯µçѹ¸üÎȶ¨¿É¿¿;
- µÍÓÚ 60ns ´«²¥ÑÓʱ£¬µÍÓÚ 10ns ¸ßµÍ±ßÑÓʱƥÅä;
- +5/-5V Âß¼µØÆ«ÖÃ;
- 150V/ns µÄ¸ßѹ²à dV/dt ¿¹¸ÉÈÅÄÜÁ¦;
- Operation ambient temperature:-40¡æ ~125¡æ
- ·â×°ÐÎʽ: QFN (4*4mm)
- Çý¶¯µçѹÊä³öNSD2621A: 6V / NSD2621C: 5V
Ó¦Óó¡¾°
- °ëÇÅ¡¢È«ÇÅ¡¢LLCµçÔ´ÍØÆË
- ÊÊÅäÆ÷¸ßÃܵçÔ´
- Ì«ÑôÄÜ¡¢µç»úÇý¶¯¼°ÐÂÄÜÔ´ÁìÓò
¹¦ÄÜ¿òͼ

Ïà¹Ø×ÊÔ´

ÈçÄúÐèÒª×Éѯ²úÆ·¸ü¶àÐÅÏ¢£¬Çëµã»÷¡°ÒøºÓ¼¯ÍÅgalaxy¡±£¬ÎÒÃǽ«¾¡¿ì»Ø¸´Äú!