ÎÒÃǷdz£ÖØÊÓÄúµÄ¸öÈËÒþ˽£¬µ±Äú·ÃÎÊÎÒÃǵÄÍøÕ¾Ê±£¬ÇëͬÒâʹÓõÄËùÓÐcookie¡£ÓйظöÈËÊý¾Ý´¦ÀíµÄ¸ü¶àÐÅÏ¢¿É·ÃÎÊ¡¶Òþ˽Õþ²ß¡·

²úÆ·ÖÐÐÄ

¸ü¶àÄÚÈÝ

ÒøºÓ¼¯ÍÅgalaxyÍÆ³ö¸ôÀëCANÊÕ·¢Æ÷£¬ÌáÉý¹¤ÒµÏµÍ³µÄ¼¯³É¶ÈºÍ¿É¿¿ÐÔ

2020/05/20

ÒøºÓ¼¯ÍÅgalaxyÍÆ³ö¸ôÀëCANÊÕ·¢Æ÷£¬ÌáÉý¹¤ÒµÏµÍ³µÄ¼¯³É¶ÈºÍ¿É¿¿ÐÔ.png


¹úÄÚÁìÏȵÄÐźÅÁ´Ð¾Æ¬¼°Æä½â¾ö·½°¸ÌṩÉÌËÕÖÝÒøºÓ¼¯ÍÅgalaxyµç×ӹɷÝÓÐÏÞ¹«Ë¾(ÒÔϼò³Æ¡°ÒøºÓ¼¯ÍÅgalaxy¡±)Ðû²¼ÍƳö¸ôÀëCANÊÕ·¢Æ÷NSi1050£¬¼ÌÐøÀ©³ä¹«Ë¾·á¸»µÄ¸ôÀë²úÆ·Ïߣ¬Âú×ã¿Í»§¶Ô¸ôÀë²úÆ·µÄ¶àÑù»¯ÐèÇ󡣸ÃоƬ¼¯³ÉÁË˫ͨµÀÊý×Ö¸ôÀëÆ÷ºÍ¸ß¿É¿¿ÐÔCANÊÕ·¢Æ÷£¬¸ß¼¯³É¶È·½°¸ÓÐÖúÓÚ¼ò»¯ÏµÍ³Éè¼Æ£¬ÌáÉý¹¤ÒµÏµÍ³µÄ¿É¿¿ÐÔ¡£NSi1050¸ôÀëÄÍѹ¸ß´ï5kVrms£¬Âú×ãÔöÇ¿¸ôÀëÒªÇ󣬲¢·ûºÏ¸÷ÖÖ¹¤ÒµÏµÍ³µÄ°²¹æÐèÇ󣬿ɹ㷺ӦÓÃÓÚ¹¤Òµ×Ô¶¯»¯¡¢µçÌÝ¡¢µçÁ¦¡¢²»¼ä¶ÏµçÔ´¡¢´¢ÄÜºÍÆäËû¹¤Òµ½Ó¿Ú¿¨µÈ¸÷ÀàÐèÒª¸ôÀëCANµÄ¹¤ÒµÍ¨ÐÅϵͳÖС£


NSi1050¾ßÓи߸ôÀëÄÍѹ¡¢¸ß¹²Ä£¿¹ÈÅ¡¢¸ßESD¡¢¸ß¼¯³É¶ÈÒÔ¼°¸ß¿É¿¿ÐÔµÄÌØµã£¬Æä¿¹¹²Ä£Ë²Ì¬¸ÉÈŶȣ¨CMTI£©¿É´ï80kV/us£¬´«ÊäËÙÂʸߴï1Mbps¡£Ó봫ͳCAN½ÓÊÕÆ÷¼Ó¹âñîµÄ·ÖÁ¢·½°¸Ïà±È£¬NSi1050¼¯³É¶È¸ü¸ß£¬¿É°ïÖúÉè¼ÆÕß½ÚÔ¼PCB²¼°åÃæ»ý¡£»ùÓÚ´´Ðµġ°Adaptive OOK¡±µçÈݸôÀë¼¼Êõ£¬NSi1050ʵÏÖÁ˸üµÍµÄ·øÉäÔëÒôºÍ¸ü¸ßµÄ¿¹¸ÉÈÅÐÔÄÜ¡£


NSi1050ÐÔÄÜÌØµã£º

  • ÍêÈ«·ûºÏISO11898-2±ê×¼

  • ¸ß´ï5kVrmsµÄ¸ôÀëÄÍѹ

  • 80KV/us¿¹¹²Ä£Ë²Ì¬¸ÉÈŶÈ

  • ´«ÊäËÙÂʿɴï1Mbps

  • оƬ¼¶ESD£ºHBM ¡À8kV

  • Âß¼­²â¹©µç·¶Î§£º2.5V ~ 5.5V

  • CAN×ÜÏß¹©µç·¶Î§£º4.5V ~ 5.5V

  • ×ÜÏß±£»¤µçѹ£º-40V ~ +40V

  • TXDÏÔÐÔ³¬Ê±±£»¤¹¦ÄÜ

  • µçÁ÷Óëζȱ£»¤»úÖÆ

  • ¹¤×÷ζȷ¶Î§£º-40¡æ~125¡æ


NSi1050ÌṩWB SOIC-16¡¢DUB-8Á½ÖÖ·â×°ÐÎʽ£¬ÍêÈ«¼æÈÝISO11898-2¼¼Êõ±ê×¼£¬¿É¹ã·ºÓ¦ÓÃÓÚ¸÷ÀàÐèÒª¸ôÀëCANµÄͨÐÅϵͳÖУ¬ÀýÈç±äƵ¡¢ËÅ·þ¡¢PLCµÈ¹¤Òµ×Ô¶¯»¯³¡¾°£¬µçÌÝµÄ±äÆµÆ÷¡¢½ÎÏá°å¡¢ÄÚÍâºô°åµÈÄ£¿é£¬ÅäÍø×Ô¶¯»¯ÖÕ¶ËxTU¡¢³äµç×®µÈµçÁ¦ÏµÍ³£¬ÒÔ¼°²»¼ä¶ÏµçÔ´¡¢´¢ÄÜºÍÆäËû¹¤Òµ½Ó¿Ú¿¨Ó¦ÓÃÖС£

ÒøºÓ¼¯ÍÅgalaxyÍÆ³ö¸ôÀëCANÊÕ·¢Æ÷£¬ÌáÉý¹¤ÒµÏµÍ³µÄ¼¯³É¶ÈºÍ¿É¿¿ÐÔ2.png

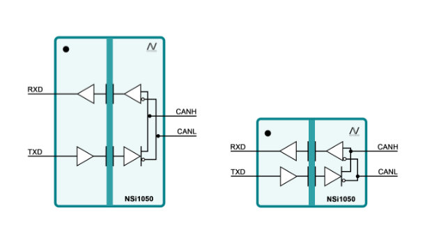
NSi1050¹¦ÄÜ¿òͼ


ÒøºÓ¼¯ÍÅgalaxyÖÂÁ¦ÓÚ¼¼ÊõÍ»ÆÆÓëÓ¦Óô´Ð£¬ºóÐø½«ÍƳö¸ôÀëADC¡¢¸ôÀëµçÁ÷ÔË·Å¡¢¸ôÀëµçѹÔ˷ŵÈһϵÁиôÀë²úÆ·£¬Îª¿Í»§Ìṩ¸ü¼Ó·á¸»µÄ²úÆ·×éºÏÓë½â¾ö·½°¸£¬¾´Çë¹Ø×¢¡£


ÑùÆ·ÉêÇëÓë²úÆ·×Éѯ£º

Çë·¢ÓʼþÖÁsales@novosns.com Ë÷È¡¸ü¶à¹ØÓÚ¸ôÀëCANÊÕ·¢Æ÷µÄÏêϸÐÅÏ¢¡£


sitemap¡¢µØÍ¼