ÎÒÃǷdz£ÖØÊÓÄúµÄ¸öÈËÒþ˽£¬µ±Äú·ÃÎÊÎÒÃǵÄÍøÕ¾Ê±£¬ÇëͬÒâʹÓõÄËùÓÐcookie¡£ÓйظöÈËÊý¾Ý´¦ÀíµÄ¸ü¶àÐÅÏ¢¿É·ÃÎÊ¡¶Òþ˽Õþ²ß¡·
2025/07/11

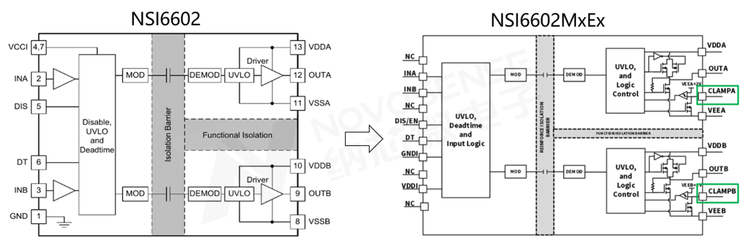
ÒøºÓ¼¯ÍÅgalaxyÕýÊ½ÍÆ³ö³µ¹æ¼¶¸ôÀë°ëÇÅÇý¶¯Ð¾Æ¬NSI6602MxExϵÁУ¬¸ÃϵÁÐÔÚÒøºÓ¼¯ÍÅgalaxyÃ÷ÐDzúÆ·NSI6602»ù´¡ÉÏ£¬¼¯³ÉÁËÃ×ÀÕǯλ¹¦ÄÜ£¬Í¬Ê±¼æ¾ß¸ß¸ôÀëµçѹ¡¢µÍÑÓʱ¡¢ËÀÇø¿ÉÅ䡢ǷѹãÐÖµ¿ÉÑ¡µÈÌØµã£¬ÊÊÓÃÓÚÇý¶¯SiC¡¢IGBTµÈÆ÷¼þ£¬¿É¹ã·ºÓ¦ÓÃÓÚÐÂÄÜÔ´Æû³µOBC¡¢DC/DC¡¢Ö÷¶¯Ðü¼ÜµÈ³¡¾°¡£

NSI6602MxExÓëNSI6602¹¦ÄÜ¿òͼ¶Ô±È
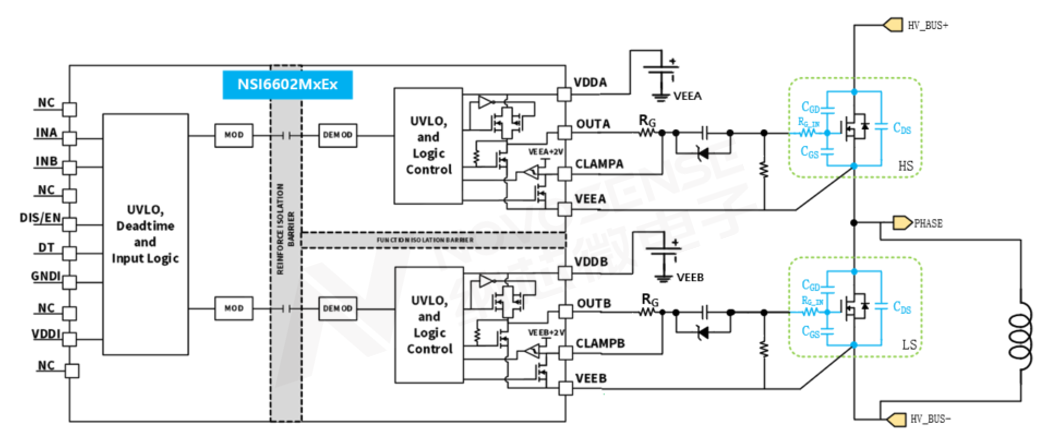
5AÃ×ÀÕǯλ¹¦ÄÜÖúÁ¦°ëÇŵç·°²È«¿É¿¿
ÔÚʵ¼ÊÓ¦ÓÃÖУ¬OBC/DCDC¡¢¹¤ÒµµçÔ´¡¢µç»úÇý¶¯µÈÇÅʽµç·µÄ¹¦ÂÊÆ÷¼þÈÝÒ×·¢Éú´®ÈÅÐÐΪ£¬ÓÈÆä°éËæ×ŵÚÈý´ú¹¦ÂÊÆ÷¼þÈçSiCºÍGaNµÄÓ¦Óã¬Ãż«ãÐÖµµçѹÒÔ¼°×î´óÄÍÊܸºÑ¹Ë«Ë«¼õС£¬Ê¹µÃÒÖÖÆ¼ÄÉúµ¼Í¨µÄµçѹԣÁ¿ÔÚ²»¶Ï¼õС¡£ÔÚʹÓô«Í³°ëÇÅÇý¶¯Ð¾Æ¬Ê±£¬ÎªÁ˱ÜÃâÒòÃ×ÀÕЧӦÒý·¢µÄÇűÛֱͨ£¬Í¨³£ÐèÒªµ÷ÕûÇý¶¯µç·¡£
È»¶ø£¬ÔںܶàÇé¿öÏ£¬¼´Ê¹¾«Ðĵ÷ÕûÁËÇý¶¯²ÎÊý¡¢Õý¸º¹©µçµçѹ£¬ÒÔ¼°ÓÅ»¯PCBÕ¤¼«¼ÄÉú²ÎÊý£¬Ò²ÄÑÒÔͬʱ½«Õý¸º´®ÈÅ¿ØÖÆÔÚ°²È«ÓàÁ¿ÒÔÄÚ¡£Õâ²»½öÏÞÖÆÁË̼»¯¹èµÈÆ÷¼þÐÔÄܵķ¢»Ó£¬Ò²¿ÉÄÜ´øÀ´Ç±ÔڵݲȫÒþ»¼¡£

¿ª¹Ø¹ý³ÌÖÐÃ×ÀÕЧӦÔÀí
ÒøºÓ¼¯ÍÅgalaxyÍÆ³öNSI6602MxExϵÁУ¬ÎªÁ½Â·°ëÇÅÇý¶¯µç·¼¯³É5AÄÜÁ¦µÄÃ×ÀÕǯλ¹¦ÄÜ£¬Äܹ»ÎªÃ×ÀÕµçÁ÷Ìṩ×îС×迹ÊÍ·Å·¾¶£¬ÓÐЧÒÖÖÆ´®ÈŵçѹµÄ̧Éý¡£NSI6602MxExÔÚNSI6602»ù´¡ÉÏÈ«¸±Îä×°£¬ÎªSiCµÈÆ÷¼þµÄ°²È«Ó¦Óñ£¼Ý»¤º½¡£
NSI6602MxExÃ×ÀÕǯλ·½°¸Ó¦Ó÷ÖÏí
ÔÚʹÓÃSiC¹¦ÂÊÆ÷¼þʱ£¬ÓÉÓÚÆä¸ßdv/dtÌØÐÔ£¬Ãż«³£³£ÔâÓöÕý¸º´®Èŵçѹ(Vswing)·ù¶È³¬³öÃż«¿ªÆôãÐÖµ(Vgsth)¼°¸ºÏòÄÍѹ¼«ÏÞ(Vgs_min)µÄÇé¿ö¡£ÕâÖÖ´®ÈÅÈÝÒ×µ¼ÖÂÎóµ¼Í¨»òÆ÷¼þËðÉË£¬ÊǸßÐÔÄÜÇý¶¯Éè¼ÆµÄÒ»´óÌôÕ½¡£

³£¹æÇý¶¯·½°¸
ÈçÉÏͼ³£¹æ½â¾ö SiC Æ÷¼þÃż«´®ÈÅ·½°¸Ëùʾ£¬ÕâЩ´«Í³ÊÖ¶ÎËäÈ»¡°ÀíÂÛ¿ÉÐС±£¬µ«ÔÚ¸ßÆµ¸ßѹµÄSiCÓ¦ÓÃÖÐÈÔÄÑÒÔͬʱ´ïµ½µÍËðºÄÓ밲ȫÓàÁ¿µÄË«ÖØÄ¿±ê¡£
ÏÂͼչʾÁËij¿îSiCÆ÷¼þ·Ö±ð´îÅäNSI6602MxExºÍ´«Í³ÎÞÃ×ÀÕǯλÇý¶¯Ð¾Æ¬µÄ¶Ô±È²âÊÔ½á¹û¡£ÔÚÏàͬÇý¶¯²ÎÊýÓëlayoutÌõ¼þÏ£¬NSI6602MxExÄÜÏÔÖøÒÖÖÆÕý¸ºVswing£¬´îÅäÊʵ±¸ºÑ¹¹Ø¶Ïºó£¬¿É½«Ãż«´®ÈÅÑ¹ÖÆÖÁ°²È«·¶Î§ÒÔÄÚ¡£

²»Í¬Æ÷¼þµÄ´®ÈŰڷùVswing¶Ô±È²¨ÐÎ

²»Í¬·½°¸Ð§¹û¶Ô±È
¸ü½øÒ»²½£¬¶ÔÓÚ²¿·Ö Ciss/Crss ÓÅ»¯Á¼ºÃµÄÆ÷¼þ£¬NSI6602MxEx ÉõÖÁÎÞÐ踺ѹ£¬Ò²ÄÜʵÏÖ´®Èſɿأ¬¼«´ó½µµÍϵͳÉè¼Æ¸´ÔÓ¶È¡£
¸½£º²âÊԵ緼°ÉϹܿªÍ¨¹Ø¶Ïʱ¿ÌϹܲâÊÔ²¨ÐÎ

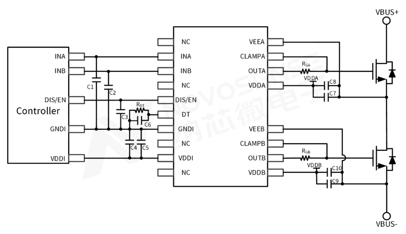
NSI6602MxEx²âÊÔµç·


ÉϹܿªÍ¨Ê±¿ÌϹܲâÊÔ²¨ÐÎ
¡À10AÊä³öµçÁ÷ÖúÁ¦ÍâΧµç·¾«¼òÉè¼Æ
NSI6602MxExÌṩ³¬Ç¿Çý¶¯ÄÜÁ¦£¬×î´ó¿ÉÊä³ö10AµÄÀ¹àµçÁ÷£¬Ö§³Ö¹ìµ½¹ìÊä³ö¡£ÎÞÂÛÊÇÖ±½ÓÇý¶¯¸ü´óÕ¤¼«µçºÉ£¨Qg£©µÄ¹¦Âʹܣ¬»¹ÊÇÔÚ¶à¹Ü²¢ÁªµÄÓ¦ÓÃÖУ¬Ó봫ͳ·½°¸Ïà±È£¬NSI6602MxExÎÞÐè¶îÍâÌí¼Ó»º³åÆ÷£¬¼´¿ÉʵÏÖ¸ßЧÇý¶¯£¬ÓÐЧ¼ò»¯ÍâΧµç·Éè¼Æ¡£´ËÍ⣬32V×î´ó¹¤×÷µçѹ£¬¼«ÏÞ35VµÄ×î´óÄÍѹ£¬¿ÉÒÔÓ¦¶Ô¸ü¸ßµÄEOS³å»÷£¬´îÅ侫¼òµÄÇý¶¯ÍâΧÉè¼Æ£¬´ó·ùÌá¸ßÁËÕû¸öµç·ϵͳµÄ¿É¿¿ÐÔ¡£
¿É±à³ÌËÀÇø¼°¶àµµÇ·Ñ¹ãÐÖµÖúÁ¦Éè¼ÆÁé»îÅäÖÃ
NSI6602MxExÖ§³Öͨ¹ýDTÒý½Å½øÐÐËÀÇøÅäÖã¬Í¨¹ýµ÷ÕûÏÂÀµç×è¿ÉÒÔÁé»îÅäÖò»Í¬ËÀÇøÊ±¼ä£¬´ËÍ⻹¿ÉÒÔ½«DTÒý½ÅÖ±½Ó½Óµ½Ô±ßVCCÓÃÀ´Á½Â·Çý¶¯²¢ÐÐÊä³ö£»´îÅäDIS/ENÁ½ÖÖ¿ÉÑ¡µÄʹÄÜÂß¼£¬ÎªÖÕ¶ËÓ¦ÓÃÌṩ·á¸»µÄ¿ØÖÆÂß¼£»ÁíÍ⣬¸±±ßµçԴǷѹUVLOÉèÓÐ8V£¬12V£¬17VÈýÖÖÑ¡Ôñ£¬ÊÊÅäÓÚIGBTºÍSiCÓ¦ÓÃÖжàÖÖµçÔ´Éè¼Æ³¡¾°µÄǷѹ±£»¤¡£
NSI6602MxEx²úÆ·ÌØÐÔ£º
5700VRMS¸ôÀëÄÍѹ£¬¿ÉÇý¶¯¸ßѹSiCºÍIGBT
¸ßCMTI£º150 kV/¦Ìs
ÊäÈë²àµçÔ´µçѹ£º3V ~ 18V
Çý¶¯²àµçÔ´µçѹ£º¸ß´ï 32V
¹ìµ½¹ìÊä³ö
·åÖµÀ¹àµçÁ÷£º¡À10A
·åÖµÃ×ÀÕǯλµçÁ÷£º5A
Çý¶¯µçԴǷѹ£º8V/12V/17VÈýµµ¿ÉÑ¡
¿É±à³ÌËÀÇøÊ±¼ä
¿ÉÑ¡µÄÕý·´Â߼ʹÄÜÅäÖÃ
µäÐÍ´«²¥ÑÓʱ£º80ns
¹¤×÷»·¾³Î¶ȣº-40¡æ ~ 125¡æ
·ûºÏÃæÏòÆû³µÓ¦ÓÃµÄ AEC-Q100 ±ê×¼
·ûºÏ RoHS ±ê×¼µÄ·â×°ÀàÐÍ£ºSOW18£¬ÅÀµç¾àÀë >8mm

µäÐÍÓ¦Óõç·
²úÆ·Ñ¡ÐÍÓë·â×°
NSI6602MxExϵÁÐÌṩÁùÖÖÐͺſÉÑ¡£¬¾ß±¸·á¸»µÄʹÄÜÂß¼ÅäÖúÍÇý¶¯µçԴǷѹֵ¹æ¸ñ£¬Áé»îÊÊÅä¶àÖÖÓ¦Óó¡¾°¡£
