ÎÒÃǷdz£ÖØÊÓÄúµÄ¸öÈËÒþ˽£¬µ±Äú·ÃÎÊÎÒÃǵÄÍøÕ¾Ê±£¬ÇëͬÒâʹÓõÄËùÓÐcookie¡£ÓйظöÈËÊý¾Ý´¦ÀíµÄ¸ü¶àÐÅÏ¢¿É·ÃÎÊ¡¶Òþ˽Õþ²ß¡·

²úÆ·ÖÐÐÄ

¸ü¶àÄÚÈÝ

¼ò»¯¸ôÀëÇý¶¯µçÔ´Éè¼Æ£¬ÒøºÓ¼¯ÍÅgalaxyÍÆ³ö¼¯³É¾§ÕñµÄNSIP3266È«ÇűäѹÆ÷Çý¶¯

2025/01/06

ÒøºÓ¼¯ÍÅgalaxy½ñÈÕÐû²¼ÍƳö¼¯³É¾§ÕñÓë¶àÖÖ±£»¤¡¢Ö§³ÖÈíÆô¶¯µÄÈ«ÇűäѹÆ÷Çý¶¯NSIP3266£¬¿É¹ã·ºÓ¦ÓÃÓÚÆû³µ³µÔسäµç»ú£¨OBC£©¡¢Ç£ÒýÄæ±äÆ÷¼°³äµç×®¡¢¹â·ü·¢µçºÍ´¢ÄÜ¡¢·þÎñÆ÷µçÔ´µÈϵͳÖеĸôÀëÇý¶¯¹©µçµç·¡£NSIP3266Ö§³Ö¿í·¶Î§ÊäÈëµÄÈ«ÇÅÍØÆË£¬Í¬Ê±Æ¾½èÇÉÃîµÄÒý½ÅºÍ¹¦ÄÜÉè¼Æ£¬¼«´ó¼ò»¯Á˸ôÀëÇý¶¯¹©µçµç·Éè¼Æ£¬ÎªÏµÍ³ÖÆÔìÉÌÓÅ»¯ÏµÍ³µç·£¬Ëõ¶Ì²úÆ·ÉÏÊÐʱ¼äÌṩ±ãÀû¡£

 

µ±Ç°¸ßѹϵͳÖеĸôÀëÇý¶¯¹©µçÓм¯ÖÐʽ¡¢È«·Ö²¼Ê½¡¢°ë·Ö²¼Ê½ÈýÖּܹ¹ÐÎʽ¡£¼¯ÖÐʽ¼Ü¹¹Ö»ÓÐÒ»¼¶µçÔ´£¬¸¨ÖúµçÔ´ÊäÈëµçѹΪ¿íÊäÈ뷶Χ£¬ÐèÒª±Õ»·¹¤×÷£»Í¬Ê±±äѹÆ÷Éè¼Æ¸´ÔÓ£¬ÓÈÆäÊDzÉÓõ¥¸öµÍ³É±¾¸ôÀëµçԴʱ£¬Óжà·Êä³ö¸ºÔص÷ÕûÂʺͳ¤×ßÏßµÄÎÊÌ⣬¼Ó´óÁËϵͳÉè¼ÆºÍµ÷ÊÔÄѶÈ¡£

 

Ò»ÖÖµäÐ͵IJÉÓõ¥¸ö¸ôÀëµçÔ´µÄ¼¯ÖÐʽ¼Ü¹¹.jpg

Ò»ÖÖµäÐ͵IJÉÓõ¥¸ö¸ôÀëµçÔ´µÄ¼¯ÖÐʽ¼Ü¹¹

 

È«·Ö²¼Ê½¼Ü¹¹²ÉÓöÀÁ¢µÄ¸ôÀëµçÔ´Ä£¿éΪ¸ôÀëÇý¶¯¹©µçµÄ·½Ê½£¬ÓÅÊÆÊÇ¿ÉÒÔ×öµ½¶Ô¸ôÀëÇý¶¯1¶Ô1µÄ¹©µçºÍÕë¶ÔÐÔ±£»¤£¬µ«ÊÇÐèÅäÖöÔÓ¦ÊýÁ¿µÄ¸ôÀëµçÔ´Ä£¿é£¬ÏµÍ³³É±¾½Ï¸ß¡£

 

Ò»ÖÖµäÐ͵IJÉÓöà¸ö¸ôÀëµçÔ´Ä£¿éµÄÈ«·Ö²¼Ê½¼Ü¹¹.jpg

Ò»ÖÖµäÐ͵IJÉÓöà¸ö¸ôÀëµçÔ´Ä£¿éµÄÈ«·Ö²¼Ê½¼Ü¹¹

 

°ë·Ö²¼Ê½¼Ü¹¹²ÉÓþùºâµÄ²ßÂÔ£¬Í¨¹ýÁ½¼¶¸¨ÖúµçÔ´¼Ü¹¹£¬µÚÒ»¼¶Ê¹ÓÿíÊäÈëµçѹ·¶Î§µÄÆ÷¼þÉú³ÉÎÈѹ¹ì£¬µÚ¶þ¼¶¿ÉÒÔ¼ò½àµÄ¿ª»·ÐÎʽ£¬Ê¹ÓÃÆäËûÆ÷¼þΪ¸ôÀëÇý¶¯Ìṩ¸ôÀëµçÔ´¹©µç¡£°ë·Ö²¼Ê½¼Ü¹¹ÒòÔÚÉè¼ÆÏà¶Ô¼ò½àµÄ»ù´¡ÉÏ£¬¼æ¹ËÁËϵͳ³É±¾¡¢ÐÔÄܺͱ£»¤ÐèÇó£¬Òò´ËÕýÊܵ½Ô½À´Ô½¶à¹¤³ÌʦµÄÇàíù¡£

 

Ò»ÖÖµäÐ͵IJÉÓÃÁ½¼¶¸¨ÖúµçÔ´µÄ°ë·Ö²¼Ê½¼Ü¹¹.jpg

Ò»ÖÖµäÐ͵IJÉÓÃÁ½¼¶¸¨ÖúµçÔ´µÄ°ë·Ö²¼Ê½¼Ü¹¹

 

È«ÇÅÍØÆË¾«¼òµç·Éè¼Æ

ÒøºÓ¼¯ÍÅgalaxyÈ«ÇűäѹÆ÷Çý¶¯NSIP3266רΪ¸ôÀëÇý¶¯¹©µçµÄ°ë·Ö²¼Ê½¼Ü¹¹¶øÉè¼Æ£¬°ë·Ö²¼Ê½¼Ü¹¹µÄ³£¼ûÍØÆËÑ¡Ôñ°üÀ¨ÍÆÍ죬LLCºÍÈ«ÇŵÈ¡£NSIP3266²ÉÓÃÈ«ÇÅÍØÆË£¬Ïà½ÏÆäËû·½°¸£¬È«ÇÅÍØÆËÔ­Àí¼òµ¥£¬±äѹÆ÷½á¹¹ÎÞÐèÖÐÐijéÍ·£¬¹¤×÷Ô­Àí²»Éæ¼°ÍⲿLºÍCµÄÉè¼ÆÑ¡ÐÍ£¬ÍâΧBOMÍùÍù×îÉÙ¡£Óë´Ëͬʱ£¬È«ÇÅÍØÆË¶Ô±äѹÆ÷Éè¼Æ£¬°üÀ¨Â©¸ÐºÍ¼ÄÉúµÄ°üÈݶÈÒ²½Ï¸ß£¬¿É½ÚÊ¡¹¤³ÌʦϵͳÉè¼ÆºÍµ÷ÊԵľ«Á¦¡£

 

È«ÇÅÍØÆËÉè¼Æ.jpg

NSIP3266²ÉÓÃÈ«ÇÅÍØÆËÉè¼Æ

 

ÇÉÃîÉè¼ÆÊÍ·ÅMCU×ÊÔ´

ÖµµÃÒ»ÌáµÄÊÇ£¬NSIP3266ͨ¹ýÄÚ²¿¼¯³ÉµÄ¾§Õñµç·ºÍRTÒý½ÅÉè¼Æ£¬Ê¹µÃ¹¤³Ìʦ½öÐèÍâ½Óµç×è¼´¿ÉÍê³É¿ª¹ØÆµÂÊÅäÖã¬ÊµÏÖÁ˶ÔMCU¿ØÖƵĽâñ²¼¾Ö¸ü¼ÓÁé»î£¬Í¬Ê±ÔÚMCU¹ÊÕÏʱÒÀÈ»Äܹ»°²È«¹©µç£¬´Ù½øÁ˸ü¸ßµÄϵͳ°²È«£»³ý´ËÖ®Í⣬NSIP3266×Ô´øµÄÈíÆô¶¯¹¦ÄÜҲʡȥÁËMCUµÄ¿ØÖÆÐèÇó£¬ÔÚÎÞÐèÅäºÏMCUÓò×ßÏßµÄͬʱ£¬½ÚÊ¡Á˸±±ßÏÞÁ÷µç×裬´ó´ó¼ò»¯Á˲¼°åÉè¼Æ£¬ÌáÉýÁ˼ܹ¹Áé»î¶È¡£

 

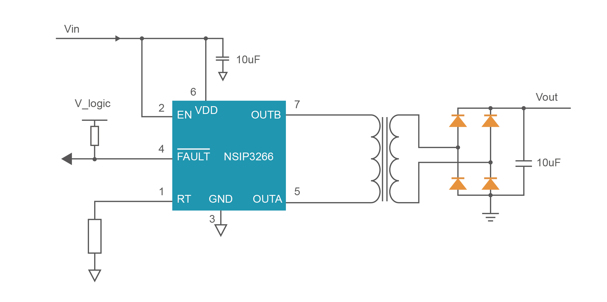
²ÉÓÃNSIP3266½øÐÐÉè¼ÆµÄµäÐ͸ôÀëÇý¶¯¹©µçµç·.jpg

²ÉÓÃNSIP3266½øÐÐÉè¼ÆµÄµäÐ͸ôÀëÇý¶¯¹©µçµç·

 

Ö§³Ö¿íѹÊäÈëºÍÈ«ÃæµÄ±£»¤¹¦ÄÜ

NSIP3266Ö§³Ö6.5V~26VµÄ¿í¹¤×÷µçѹ£¬ÏµÍ³µç·Öв»ÐèÒª¶îÍâÔö¼ÓTVS±£»¤¹Ü£¬ÔÊÐí¹¤³Ìʦ¸ü¼ÓÁé»îµØÑ¡Ôñǰ¼¶µçÔ´¡£´ËÍâNSIP3266ÌṩÖî¶à±£»¤¹¦ÄÜ£¬°üÀ¨Ç·Ñ¹±£»¤¡¢¹ýÁ÷±£»¤¡¢¹ýα£»¤µÈ£¬È«ÃæµÄ±£»¤¹¦ÄÜʹµÃ¹¤³ÌʦÄܹ»¾Û½¹ÓÚϵͳºËÐŦÄܵÄÓÅ»¯Ó봴У¬¿ìËÙ¸ßЧµØ½øÐÐϵͳÉè¼Æ²¢Âú×ã¿É¿¿ÐÔÒªÇó¡£

 

·â×°ºÍÑ¡ÐÍ

NSIP3266ÌṩEP-MSOP8·â×°£¨3.0 x 3.0mm x 0.65mm£¬´øÉ¢ÈȺ¸ÅÌ£©£¬¹¤¹æ°æ±¾NSIP3266-DºÍÂú×ãAEC-Q100ÒªÇóµÄ³µ¹æ°æ±¾NSIP3266-Q1½«ÓÚ2025ÄêÉϰëÄêÂ½ÐøÁ¿²ú¡£¿ÉÁªÏµÒøºÓ¼¯ÍÅgalaxyÏúÊÛÍŶӣ¨sales@novosns.com£©×Éѯ²úÆ·ÏêÇé»ò½øÐÐÑùƬÉêÇë¡£

 

·á¸»µÄ¸ôÀë²úÆ·Âú×ã¶àÔªÐèÇó

ƾ½èÔÚ¸ôÀë¼¼Êõ·½ÃæµÄ»ýÀÛºÍÁìÏÈÓÅÊÆ£¬ÒøºÓ¼¯ÍÅgalaxyÌṩº­¸ÇÊý×Ö¸ôÀëÆ÷¡¢¸ôÀë²ÉÑù¡¢¸ôÀë½Ó¿Ú¡¢¸ôÀëµçÔ´¡¢¸ôÀëÇý¶¯µÈһϵÁиôÀë¼°¡°¸ôÀë+¡±²úÆ·¡£NSIP3266ÊÇÒøºÓ¼¯ÍÅgalaxy¸ôÀëµçԴϵÁеÄȫгÉÔ±£¬ÒøºÓ¼¯ÍÅgalaxyÒàÌṩÆäËû¸ßÐÔ¼Û±ÈÓë¸ßÐÔÄܸ߼¯³É¶ÈµÄ²úÆ·Ñ¡Ôñ£¬°üÀ¨ÍÆÍìʽ±äѹÆ÷Çý¶¯NSIP605xϵÁУ»¼¯³ÉÁ˱äѹÆ÷ºÍ¶àͨµÀÊý×Ö¸ôÀëÆ÷µÄNSIP88/89xxϵÁкÍNIRSP31xϵÁУ»ÒÔ¼°¼¯³ÉÁ˱äѹÆ÷ºÍ¸ôÀë½Ó¿ÚµÄ¸ôÀëʽRS485ÊÕ·¢Æ÷NSIP83086£¬ºÍ¸ôÀëʽCANÊÕ·¢Æ÷NSIP1042¡£ÒøºÓ¼¯ÍÅgalaxyÈ«ÃæµÄ¡°¸ôÀë+¡±²úÆ·²¼¾Ö¿ÉÂú×ã¸÷ÖÖÀàÐͿͻ§¶àÑù»¯µÄϵͳÉè¼ÆÐèÒª£¬Îª²»Í¬¿Í»§ÌṩһվʽµÄоƬ½â¾ö·½°¸¡£

sitemap¡¢µØÍ¼