ÎÒÃǷdz£ÖØÊÓÄúµÄ¸öÈËÒþ˽£¬µ±Äú·ÃÎÊÎÒÃǵÄÍøÕ¾Ê±£¬ÇëͬÒâʹÓõÄËùÓÐcookie¡£ÓйظöÈËÊý¾Ý´¦ÀíµÄ¸ü¶àÐÅÏ¢¿É·ÃÎÊ¡¶Òþ˽Õþ²ß¡·
ÒøºÓ¼¯ÍÅgalaxyÕýÊ½ÍÆ³ö¾ßÓиôÀëÄ£Äâ²ÉÑù¹¦ÄܵÄÖÇÄܸôÀëÇý¶¯ NSI67x0 ϵÁУ¬¸ÃϵÁÐÊÊÓÃÓÚÇý¶¯ SiC¡¢IGBT ºÍ MOSFET µÈ¹¦ÂÊÆ÷¼þ£¬¼æ¾ß³µ¹æµÈ¼¶£¨Âú×ã AEC-Q100 ±ê×¼£©ºÍ¹¤¹æµÈ¼¶£¬¿É¹ã·ºÊÊÓÃÓÚÐÂÄÜÔ´Æû³µ¡¢¿Õµ÷¡¢µçÔ´¡¢¹â·üµÈÓ¦Óó¡¾°¡£
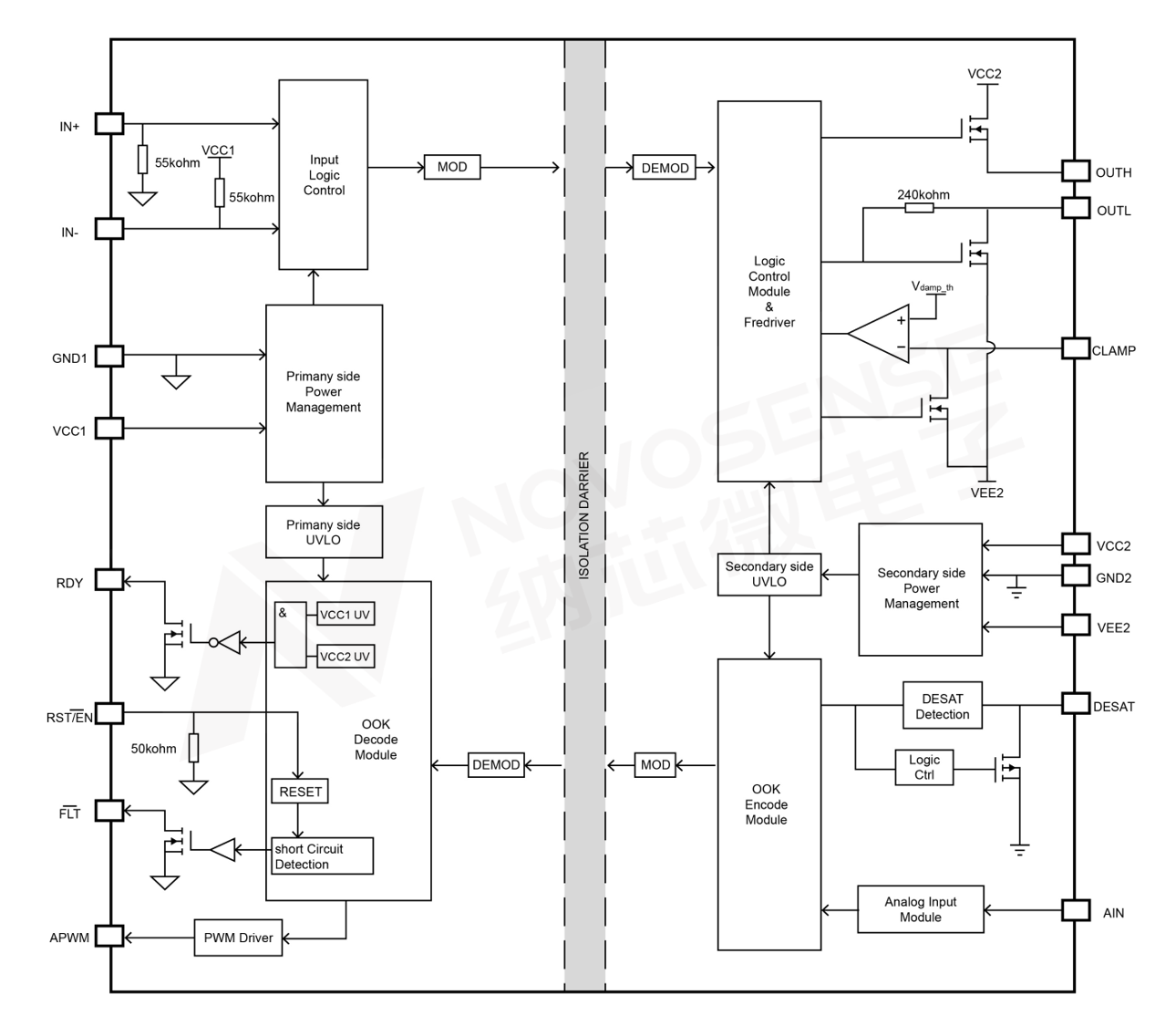
¸ÃϵÁиôÀëÕ¤¼«Çý¶¯Æ÷£¬½«Ò»Â·´øÓиôÀëÄ£ÄâתPWM²ÉÑù¹¦ÄܵĴ«¸ÐÆ÷£¬µÈЧΪµ¥Í¨µÀµÄ¸ôÀë²ÉÑùоƬ£¬¿ÉÓÃÓÚζȼì²â»òµçѹ¼ì²â¡£ÕâÒ»Éè¼Æ½øÒ»²½ÔöÇ¿ÁËÇý¶¯Æ÷µÄ¶à¹¦ÄÜÐÔ£¬¼ò»¯ÁËϵͳÉè¼Æ£¬ÓÐЧ¼õСϵͳ³ß´ç²¢½µµÍÕûÌå³É±¾¡£

¸ßѹÇý¶¯Ó볬¸ß¹²Ä£¿¹ÈÅÄÜÁ¦
NSI67x0 ϵÁÐרΪÇý¶¯¸ß´ï 2121V Ö±Á÷¹¤×÷µçѹµÄ IGBT ¶øÉè¼Æ£¬¾ß±¸¸ß¼¶±£»¤¹¦ÄÜ¡¢³öÉ«µÄ¶¯Ì¬ÐÔÄܺÍ׿ԽµÄÎȽ¡ÐÔ¡£¸ÃϵÁвÉÓà SiO2 µçÈݸôÀë¼¼Êõ£¬½«ÊäÈë²àÓëÊä³ö²à¸ôÀ룬Ìṩ³¬¸ßµÄ¹²Ä£¿¹ÈÅÄÜÁ¦£¨CMTI£¾150kV/¦Ìs£©£¬Í¬Ê±È·±£Æ÷¼þ¼äÆ«ÒÆ¼«Ð¡£¬ÔÚÐÐÒµÄÚ´¦ÓÚÁìÏÈˮƽ¡£
Ç¿´óÊä³öÄÜÁ¦ÓëСÐÍ»¯·â×°
NSI67x0 ϵÁÐÓµÓÐÇ¿´óµÄÊä³öÄÜÁ¦£¬Ö§³Ö ¡À10A µÄÇý¶¯µçÁ÷£¬×î´óÊä³öÇý¶¯µçѹ¸ß´ï 36V£¬Ô¶³¬´ó¶àÊýͬÀà²úÆ·¡£Æä SOW16 ·â×°Éè¼ÆÔÚ±£³ÖСÐÍ»¯µÄͬʱ£¬ÊµÏÖÁË´óÓÚ 8mm µÄÅÀµç¾àÀ룬½øÒ»²½ÔöÇ¿Á˰²È«ÐÔÄÜ¡£
È«Ãæ±£»¤¹¦ÄÜÓë³µ¹æ±ê×¼ÈÏÖ¤
¸ÃϵÁÐÌṩÍêÉÆµÄ±£»¤¹¦ÄÜ£¬°üÀ¨¿ìËÙ¹ýÁ÷±£»¤¡¢¶Ì·±£»¤¡¢¹ÊÕÏÈí¹Ø¶Ï¡¢4.5A Ã×ÀÕǯλºÍǷѹ±£»¤µÈ¹¦ÄÜ£¬ÊÇÇý¶¯ IGBT µÈ¹¦ÂÊÆ÷¼þµÄ¿É¿¿Ö®Ñ¡¡£È«ÏµÁвúÆ·¾ù·ûºÏÆû³µÓ¦ÓÃµÄ AEC-Q100 ±ê×¼£¬¿É¹ã·ºÓ¦ÓÃÓÚÐÂÄÜÔ´Æû³µ¡¢¹¤Òµ¿ØÖƺÍÄÜÔ´¹ÜÀíµÈÁìÓò¡£
NSI67x0ϵÁвúÆ·ÌØÐÔ
¡ô ¸ß´ï 2121Vpk µÄÖÇÄܸôÀëÇý¶¯£¬¿ÉÇý¶¯SiCºÍIGBT
¡ô ¸ßCMTI£º150 kV/¦Ìs
¡ô ÊäÈë²àµçÔ´µçѹ£º3V ~ 5.5V
¡ô Çý¶¯Æ÷²àµçÔ´µçѹ£º¸ß´ï 33V
¡ô ¹ìµ½¹ìÊä³ö
¡ô ·åÖµÀ¹àµçÁ÷£º¡À10A
¡ô µäÐÍ´«²¥ÑÓʱ£º90ns
¡ô ¹¤×÷»·¾³Î¶ȣº-40¡æ ~ 125¡æ
¡ô ·ûºÏÃæÏòÆû³µÓ¦ÓÃµÄ AEC-Q100 ±ê×¼
¡ô ·ûºÏ RoHS ±ê×¼µÄ·â×°ÀàÐÍ£ºSOW16£¬ÅÀµç¾àÀë >8mm

ÒøºÓ¼¯ÍÅgalaxyNSI67x0ϵÁÐÓ¦Óÿòͼ
±£»¤¹¦ÄÜ
¡ô ¿ìËÙ¹ýÁ÷ºÍ¶Ì·±£»¤£¬¿ÉÑ¡ DESAT ãÐÖµµçѹ9V¡¢6.5V£¬OC ãÐÖµµçѹ 0.7V
¡ô ¼¯³É¹ÊÕÏʱµÄÈí¹Ø¶Ï¹¦ÄÜ£¬Èí¹Ø¶ÏµçÁ÷ 400mA£¬900mA ¿ÉÑ¡
¡ô ¼¯³ÉÃ×ÀÕǯλ¹¦ÄÜ£¬Ç¯Î»µçÁ÷¸ß´ï 4.5A
¡ô ¸ßѹ²àºÍµÍѹ²à¾ùÓжÀÁ¢µÄ¹©µçǷѹ±£»¤¹¦ÄÜUVLO
¡ô ¹ÊÕϱ¨¾¯£¨FLT / RDYÒý½Åָʾ£©
¸ôÀëÄ£ÄâÁ¿²ÉÑù¹¦ÄÜ
¡ô ¸ôÀëÄ£ÄâÁ¿²ÉÑù¹¦ÄÜ
¡ô AINÊäÈëµçѹ·¶Î§£º0.3V ~ 4.6V
¡ô APWMÊä³öÕ¼¿Õ±È£º94% ~ 8%
¡ô Õ¼¿Õ±È¾«¶È£º1.6%
¡ô APWMÊä³öƵÂÊ£º10kHz
¡ô ¿ÉÑ¡ AIN ¼¯³ÉºãÁ÷Ô´Êä³ö
°²¹æÏà¹ØÈÏÖ¤
¡ô ULÈÏÖ¤£º1·ÖÖÓ 5700Vrms
¡ô VDEÈÏÖ¤£ºDIN VDE V 0884-11:2017-01
¡ô CSAÈÏÖ¤£ºCSA ×é¼þ֪ͨ 5A Åú×¼
¡ô CQCÈÏÖ¤£º·ûºÏ GB4943.1-2011
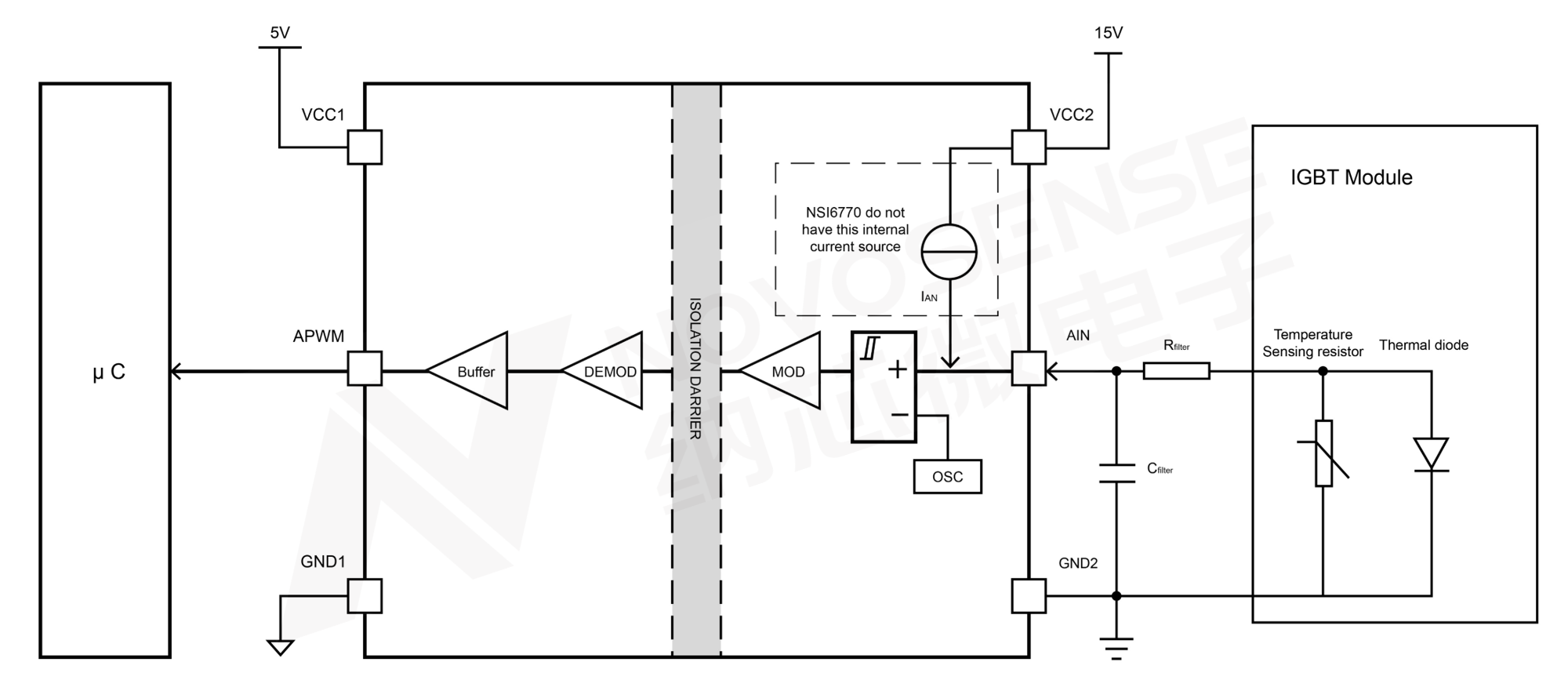
NSI67x0ϵÁÐʵÏָ߾«¶ÈµÄζȲÉÑùÔÀí½éÉÜ

¸ôÀëÄ£ÄâתPWM²ÉÑù¹¦ÄÜ
NSI67x0 µÄ AIN ½Ó¿ÚÄÚÖÃÒ»¸ö 200uA µÄµçÁ÷Ô´£¬µ±Á¬½ÓÍⲿ NTC ºó£¬»á²úÉúÒ»¸öѹ½µ£¬²¢½«Æä½âµ÷Ϊ 10kHz µÄ PWM ÐźŽøÐиôÀëÊä³ö¡£¸Ã PWM ÐźÅÓÉ´¦ÀíÆ÷ MCU ²¶»ñ£¬Í¨¹ý¼ÆËãÕ¼¿Õ±ÈÀ´»ñµÃ¶ÔÓ¦µÄµçѹֵºÍζȡ£
µ± AIN µçѹÔÚ 0.2V ~ 4.7V ·¶Î§ÄÚʱ£¬AIN ÊäÈëµçѹºÍ APWM Êä³öÕ¼¿Õ±ÈÊÇÏßÐÔ¹ØÏµ¡£ÔÚ AIN µçѹת»»Îª PWM ÐźÅʱ£¬PWM µÄÕ¼¿Õ±È·ûºÏÒÔϹ«Ê½£º
D (%) = 100 - 20 * VIN
¼´ 0.2V ~ 4.7V µÄ AIN µçѹ¶ÔÓ¦ 96% ~ 6% µÄPWMÕ¼¿Õ±È¡£
NSI67x0ϵÁвúÆ·Ñ¡Ðͱí
