我们非常重视您的个人隐私,当您访问我们的网站时,请同意使用的所有cookie。有关个人数据处理的更多信息可访问《隐私政策》
银河集团galaxy宣布推出基于电容隔离技术的隔离式比较器NSI22C1x系列,该系列包括用于过压和过温保护的隔离式单端比较器NSI22C11和用于过流保护的隔离式窗口比较器NSI22C12。NSI22C1x系列可用于工业电机驱动、光伏逆变器、不间断电源、车载充电机的过压、过温和过流保护,在提升系统可靠性的前提下,支持更高功率密度的系统设计,同时简化外围电路,相比传统分立方案,可将系统保护电路尺寸缩小60%。
以工业电机驱动系统为例,其正朝着更高效率、更高功率密度和更高可靠性的方向发展,同时伴随着以 SiC和GaN 为代表的宽禁带半导体在功率器件上的应用,对系统的可靠性,尤其是过流及短路保护的响应时间提出了更高的要求。银河集团galaxy推出的NSI22C1x系列隔离式比较器可满足工业电机系统对高可靠性、高效率和紧凑型设计日益增长的需求。
超低保护延时和超高CMTI,支持更高功率密度设计
工业电机驱动系统的应用环境比较复杂且恶劣,可能会出现桥臂直通、相间短路、接地短路等突发状况,导致过大的电流流入电机驱动器系统,从而使驱动器损坏。传统的过流检测设计采用通用比较器和隔离光耦的分立方案,响应时间在3~5?s 之间,随着功率器件从硅基的IGBT转向第三代半导体SiC和GaN,其短路耐受时间缩短至1μs内,传统方案已经无法满足。

VIN(CH1), VOUT(CH2), VREF=320mV(保护阈值), NSI22C12保护延时实测144ns
同时,通用运放/比较器共模电压耐受能力有限,在DC+过流和相电流过流检测等应用中较为局限,而如果只监控DC-过流,则无法覆盖到电机外壳对地短路的故障情况。银河集团galaxy的隔离式比较器NSI22C12提供单芯片式隔离过流保护方案,能够覆盖更全面的故障场景,支持最大250ns的保护延时,双向过流保护,同时提供高达150kV/μs的CMTI(Common-Mode Transient Immunity, 共模瞬态抗扰度),大幅提升系统可靠性,支持客户的工业电机驱动系统采用更高功率密度的设计。

VIN=0V, VOUT(CH1), CMTI(CH3)=150kV/μs, VOHmin=2.40V>0.7*VDD2(VDD2=3.3V)
NSI22C12原副边承受高达150kV/μs的CMTI时,输出端仍保持高电平,不会误触发过流保护
简化系统设计,将系统保护电路尺寸缩小60%
在工业电机驱动系统中,基于通用比较器和隔离光耦的过流保护方案物料清单高达27颗,由众多分立器件构成的外围电路的系统失效率相对更高。NSI22C12隔离式比较器集成了高压LDO,原边供电范围支持到3.1~27V,可帮助客户节省额外的降压器件;同时,NSI22C12还集成了100μA ±1.5%高精度参考电流源,帮助客户在外围电路中可仅凭单颗电阻实现±20mV~±320mV双向阈值可调。
在高集成设计的加持下,采用 NSI22C12隔离式比较器的过流保护设计可将物料清单缩减至11颗,系统保护电路尺寸缩小60%,大大减少了分立器件的使用,简化了系统设计难度,进一步提升了系统可靠性。同时,在一些需要应对快速保护需求的系统中,采用NSI22C12隔离式比较器的方案可减少高速光耦的使用,为客户提供更具成本优势的设计选择。

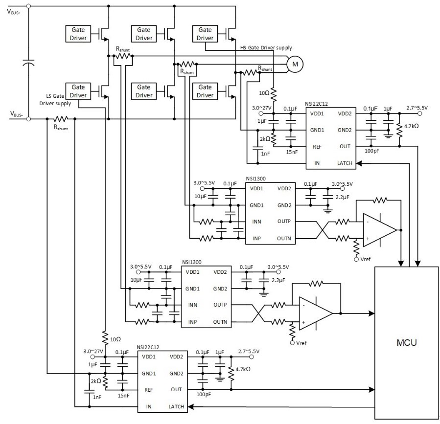
NSI22C12在电机驱动系统中做母线/相电流保护典型应用框图
封装和选型
隔离式单端比较器NSI22C11和隔离式窗口比较器NSI22C12提供支持基本隔离的SOP8封装和支持增强隔离的SOW8两种封装形式。此外,NSI22C1x系列支持–40°C~125°C 的宽工作温度范围。目前工规版本的 NSI22C1x系列已经量产,符合AEC-Q100的车规版本预计将于2024下半年上市。