ÎÒÃǷdz£ÖØÊÓÄúµÄ¸öÈËÒþ˽£¬µ±Äú·ÃÎÊÎÒÃǵÄÍøÕ¾Ê±£¬ÇëͬÒâʹÓõÄËùÓÐcookie¡£ÓйظöÈËÊý¾Ý´¦ÀíµÄ¸ü¶àÐÅÏ¢¿É·ÃÎÊ¡¶Òþ˽Õþ²ß¡·
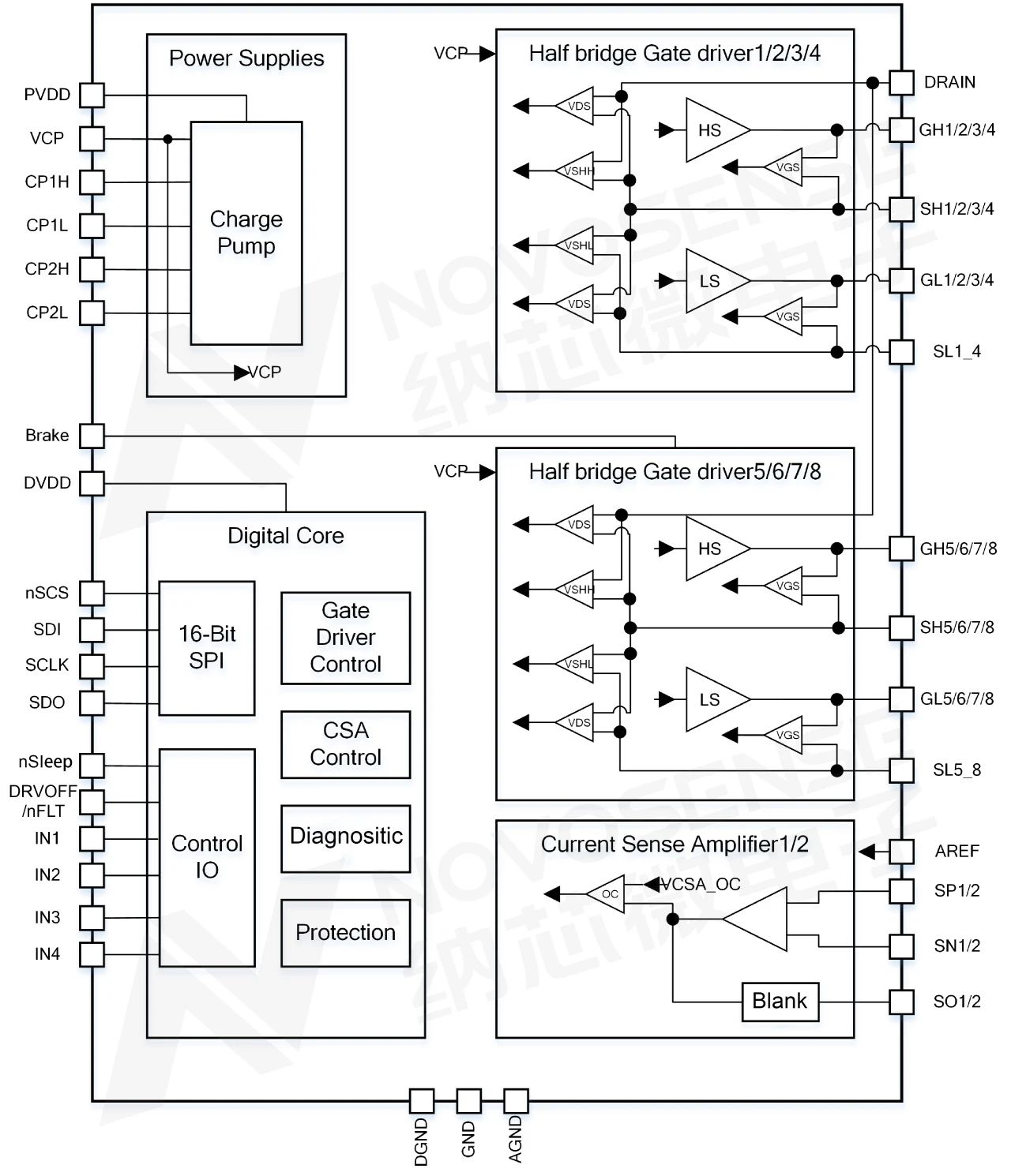
ÒøºÓ¼¯ÍÅgalaxyÈ«ÐÂÍÆ³öNSD3604/8-Q1ϵÁжàͨµÀ°ëÇÅÕ¤¼«Çý¶¯Ð¾Æ¬£¬¸²¸Ç4/8·°ëÇÅÇý¶¯£¬¿ÉÇý¶¯×îÉÙ4¿ÅÖ±Á÷ÓÐË¢µç»ú£¬ÊµÏÖ¶àͨµÀ´óµçÁ÷µç»úÇý¶¯£¬Ò²¿ÉÒÔ×÷Ϊ¶àͨµÀ¸ß±ß¿ª¹ØÇý¶¯Ê¹Ó᣷dz£ÊʺÏÓÃÓÚ¶àµç»ú»ò¶àÖÖ¸ºÔØÓ¦Óã¬Èç³µ´°Éý½µ£¬µç¶¯×ùÒΣ¬ÃÅËø£¬µç¶¯Î²ÃźͱÈÀý·§µÈ³µÉí¿ØÖÆÓ¦Óá£

NSD360x-Q1²úÆ·ÌØÐÔ
¿í¹¤×÷µçѹ£º4.9V ¨C 37V£¨×î´óÖµ40V£©
4£¬8ͨµÀ°ëÇÅÕ¤¼«Çý¶¯
¿ÉÅäÖÃʱÐò³ä·ÅµçµçÁ÷Çý¶¯(CCPD)£¬ÓÅ»¯EMCÐÔÄÜ
¼¯³É2¼¶µçºÉ±ÃʵÏÖ100% PWM
¼¯³É2·¿É±à³Ì¿íÄ£ÔË·Å
µÍ¹¦ºÄģʽ
16λ 10MHZ SPIͨÐÅ
È«ÃæµÄÕï¶Ï±£»¤¹¦ÄÜ
¹¤×÷ζȣºTj=-40¡ãC~150¡ãC
·â×°ÐÎʽ£ºVQFN40£¬VQFN56
AEC-Q100ÈÏÖ¤

ͼһ£ºNSD3608-Q1¹¦ÄÜ¿òͼ
1¡¢¿ÉÅäÖÃʱÐò³ä·ÅµçµçÁ÷Çý¶¯£¨CCPD£©
ÓÉÓÚ³µÉíÓ¦ÓÃÖÐÖ´ÐÐÆ÷µÄλÖÃÌØÊâÐÔ±ÈÈçµç¶¯Î²ÃźÍÌì´°·Ç³£¿¿½ü³µÉíÌìÏߣ¬¶ÔÏàÓ¦µÄµç»úÇý¶¯Ìá³öÁ˽ϸߵÄEMCÒªÇó£¬ÒªÇóÇý¶¯Æ÷¼´Ê¹ÔÚPWM¹¤×÷ʱҲӵÓнϵ͵ķøÉä¼°´«µ¼¸ÉÈÅ(RE/CE) ¡£
ΪÁËÓ¦¶ÔÕâЩÌôÕ½£¬NSD360x-Q1ÌṩÁË¿ÉÅäÖÃʱÐò³ä·ÅµçµçÁ÷Çý¶¯(CCPD:Configurable Charge/Discharge Current Profile Driver)¡£NSD360x-Q1 ¿ÉÒÔ¸ù¾ÝÍⲿ¸ºÔØ(MOSFET)²ÎÊýºÍÓ¦ÓÃÐèÇó£¬Í¬Ê±ÊµÏÖ4·°ëÇŶÀÁ¢Ê±ÐòµçÁ÷PWMÇý¶¯¡£
ÈçÏÂͼËùʾ£¬NSD360x-Q1µÄCCPDÄ£¿é½«MOSµ¼Í¨/¹Ø¶Ï¹ý³Ì·ÖΪÈý¸ö½×¶Î£ºÔ¤³äµç/Ô¤·Åµç½×¶Î¡¢³äµç/·Åµç½×¶Î¡¢Î²³äµç/β·Åµç½×¶Î£¬ËùÓн׶εijÖÐøÊ±¼äºÍÇý¶¯µçÁ÷¶ÀÁ¢¿ÉÅäÖᣴËÍ⣬NSD360x»¹»ùÓÚÄÚ²¿±È½ÏÆ÷·´À¡Êµ¼ÊÇý¶¯Ê±Ðò£¨tDON/tDOFF, tRISE/tFALL£©£¬Óû§¿ÉÒÔͨ¹ýÕâЩʱÐò·´À¡ÀûÓÃMCU¸Ä±ä¸÷½×¶ÎµÄ³ÖÐøÊ±¼äºÍµçÁ÷À´ÊµÏÖ±Õ»·¿ØÖÆ¡£

ͼ¶þ£ºCCPDÇý¶¯Ê±¼äʾÒâͼ
NSD360x-Q1Ëù¼¯³ÉµÄCCPD²»ÔÙÐèÒªÍⲿÃż¶µç×èºÍGS/GDµçÈÝ£¬±Õ»·¿ØÖƺó£¨ÐèMCU½éÈëÍê³É£©¿ÉÒÔ±£³ÖÇý¶¯µÄÒ»ÖÂÐÔ±ÜÃâ¸ºÔØºÍζȵÈÒòËØ´øÀ´µÄÓ°Ï죬ͬʱ»¹ÄܽµµÍÇý¶¯¹¦ºÄºÍÌá¸ßEMCÐÔÄÜ¡£
2¡¢¿íÄ£ÔË·Å
NSD360x-Q1 ÄÚ²¿¼¯³ÉÁËÁ½¸ö¸ßÐÔÄܲî·Ö·Å´óÆ÷£¨CSA1ºÍCSA2£©£¬Í¨¹ý²âÁ¿Íⲿ²ÉÑùµç×èÉϵIJî·ÖµçѹÀ´²âÁ¿µçÁ÷£¬CSAmÄ£¿éÖ§³Ö¿É±à³ÌÔöÒæºÍÆ«Öã¬¿í¹²Ä££¬Ë«ÏòÊäÈëºÍBlanking¹¦ÄÜ¡£Í¨¹ýCSAmÄ£¿é¿ÉÒÔʵÏÖ¾«×¼µÄµçÁ÷²ÉÑù£¬½ÚÊ¡¿Í»§BOM¡£
3¡¢È«ÃæµÄÕï¶Ï±£»¤¹¦ÄÜ
NSD360x-Q1 ¼¯³ÉÁËÈ«ÃæµÄÕï¶Ï±£»¤¹¦ÄÜ£¬ÈçʵʱµçÔ´¼°µçºÉ±Ãµçѹ¼à¿Ø£¬ÊµÏÖÈ«¹¦ÄܵÄǷѹ¹ýѹÕï¶Ï±£»¤(DVDD UV, PVDD OV, PVDD UV ºÍVCP UV)¡¢Çý¶¯Ä£¿é¼à¿ØÊµÏÖVGS¼°VDSÕï¶Ï±£»¤¡¢ÊµÏÖÔËÐк͹رÕ״̬ϸºÔصĿªÂ·£¬¶Ì·Õï¶Ï(ÄÚÖÃÁËÉÏÏÂÀµçÁ÷Ô´£¬´Ó¶øÊµÏÖoff״̬ϸºÔؼì²â)¡¢¹ýÈȱ¨¾¯¼°¹ýÈȱ£»¤¡¢¿´ÃŹ·¡¢Ë¯ÃßģʽºÍ¹¤×÷ģʽϵÄɲ³µ±£»¤¹¦Äܵȡ£ËùÓÐÕï¶Ï±£»¤¹¦ÄÜÖ§³ÖSPIÅäÖûòÕßÐÅÏ¢¶ÁÈ¡£¬Ò²Ö§³Ö¶ÀÁ¢µÄPIN½ÅʵÏÖIO״̬Êä³ö£¨DRVOFFºÍnFLT ¹²ÏíÒ»¸öÒý½ÅÐèÒªSPIÅäÖù¦ÄÜ£©¡£

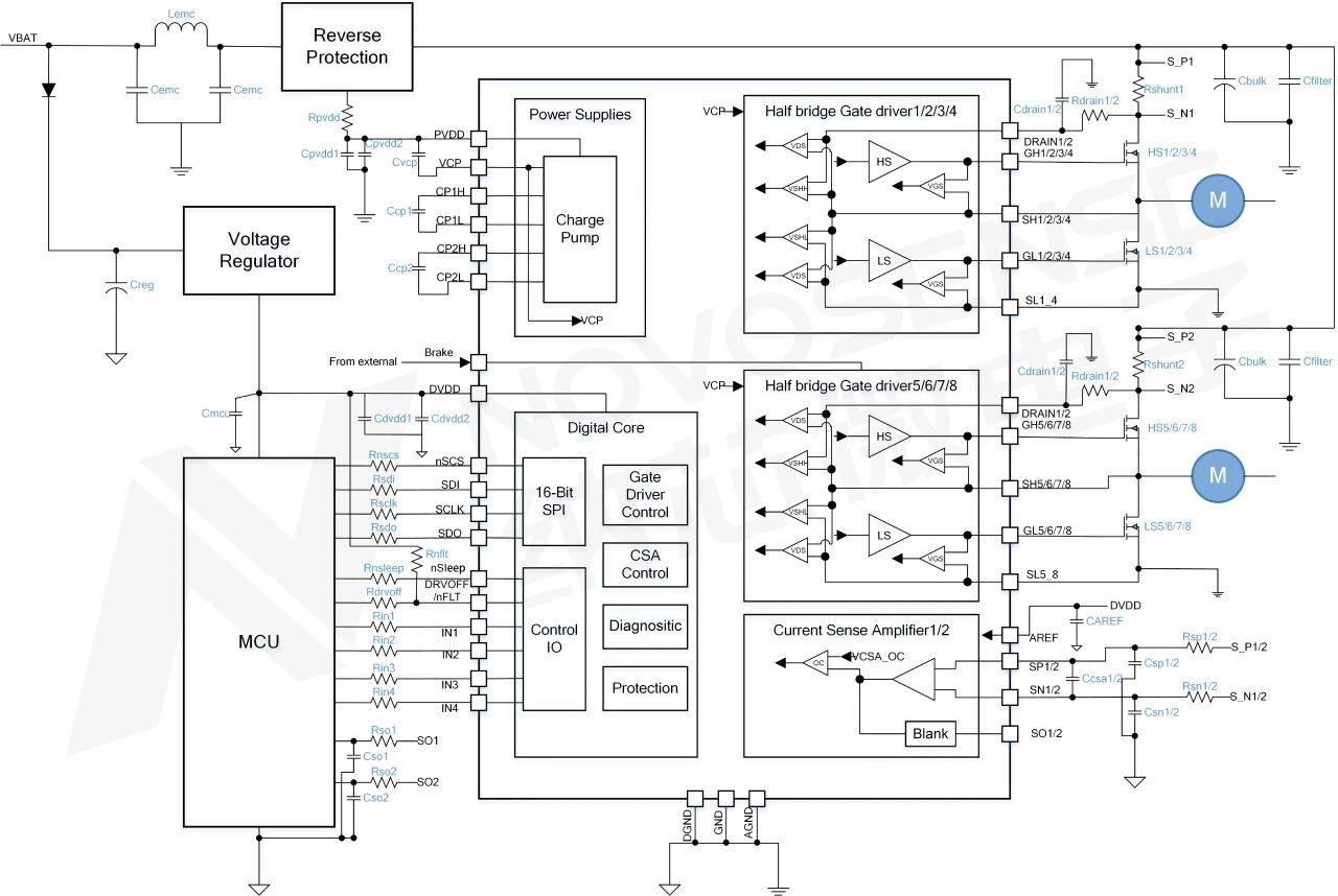
ͼÈý£ºNSD3608-Q1Çý¶¯µç»ú¸ºÔصäÐÍÓ¦ÓÃÔÀíͼ
NSD360x²úÆ·Ñ¡Ðͱí
