我们非常重视您的个人隐私,当您访问我们的网站时,请同意使用的所有cookie。有关个人数据处理的更多信息可访问《隐私政策》
银河集团galaxy电子(NOVOSENSE Microeconomics)推出了全新的隔离数字输入NSI860x。NSI860x产品系列包括4通道的NSI8604和8通道的NSI8608两种版本,可适用于工业应用中的24V数字信号输入,主要应用领域为工业控制,如PLC,伺服,变频器等。
与数字隔离器不同,隔离DI的输入级为电流型输入,并且集成电流限制,最高允许-60V至60V范围内的输入电压转换为逻辑输出。

主要优势
1. 集成限流功能,可使系统的温升降低
2. 支持双向数字输入功能,可灵活配置系统I/O

高集成度 高稳定性
NSI860x是基于银河集团galaxy电容隔离技术的隔离数字输入,可接收-60V到60V数字输入信号,兼容光耦的电流输入形式,不需要现场侧电源供电,并可提供隔离的数字输出。该产品使用OOK调制方式,对输入信号进行调制后,通过SiO2隔离栅传输到二次侧,进行解调后通过缓冲级输出。

和传统的单通道光耦方案相比,NSI860x具有更高的系统集成度。可在-40℃至125℃的宽温工作范围内稳定运行,所有通道均支持高速数据传输(速率高达2Mbps),支持双向的数字输入、并口输出,以及集成限流功能来降低系统功耗和温升,满足IEC 61131-2 开关类型1、2和3类特性标准,兼容绝大部分微控制器的I/O电平,提供业内通用的封装形式,显著降低了用户成本,并带来更优的性能体验。

NSI860x主要性能
隔离耐压:3kVrms
CMTI:35kV/μs
数据传输速率:DC到2Mbps
数据传输延时:380ns
支持拉灌电流的双向数字输入
输入电压范围:±60V
符合IEC 61131-2的开关类型1、2和3类特性标准
电源供电电压:2.5V到5.5V
集成限流功能:2.1mA (typ.)工作温度范围:-40℃~125℃
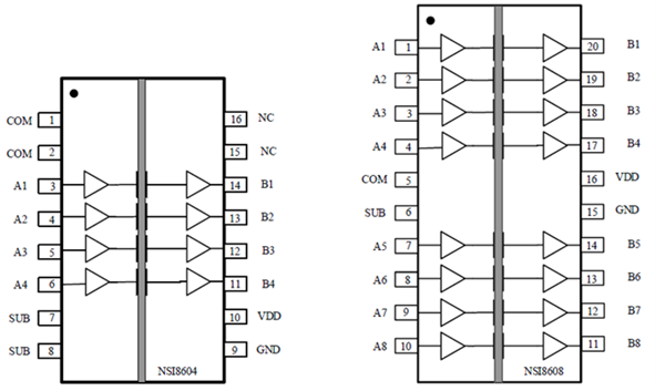
封装:
NSI8604-DSSR:SSOP16
NSI8608-DSSTR:SSOP20
多通道隔离数字输入芯片NSI860x可Pin 2 Pin兼容市场主流芯片,用户无需修改设计就可以直接更换,灵活满足用户选型需求,拥有更高的性价比和更可靠的供应保障。