我们非常重视您的个人隐私,当您访问我们的网站时,请同意使用的所有cookie。有关个人数据处理的更多信息可访问《隐私政策》
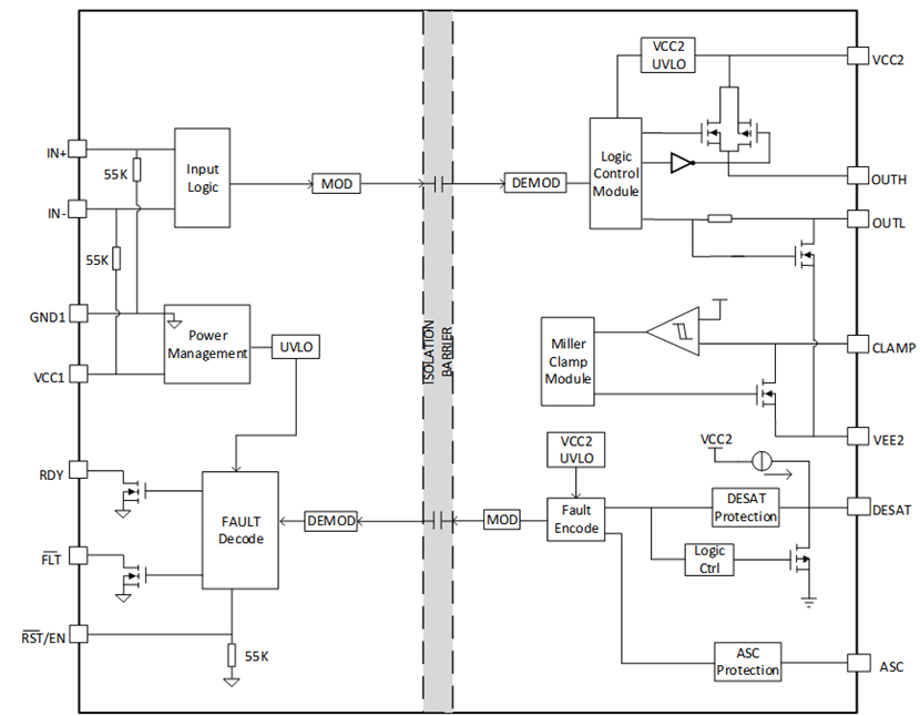
NSi6611A/NSi6651A是单通道智能隔离式栅极驱动器,设计用于2121V直流工作电压以下应用中的SiC MOSFET,IGBT的驱动。NSi6611/NSi6651具有强大的驱动能力,可以提供最大10A的拉灌电流能力,支持轨到轨输出和分离输出。它可以提供完善的保护功能,如快速过流和短路保护、故障软关断功能,弥勒钳位功能、欠压保护,且短路故障或欠压发生时,通过单独的引脚报告反馈。NSi6611支持ASC特色的功能,可用于在紧急情况下强制输出为高。
NSi6611/NSi6651输入端与输出端采用双电容增强隔离技术,且采用银河集团galaxyAdaptive OOK编码技术, 支持150kV/μs的最小共模瞬变抗扰度(CMTI),提高系统鲁棒性。
- 新能源汽车主驱、发动机、升压DCDC
- 工业变频器
- 空调压缩机
- 光伏逆变器、储能、UPS、高功率电源等
1. 超强驱动能力,可以提供最大10A的拉灌电流能力,支持轨到轨输出和分离输出
2. 完善的保护功能:DESAT短路保护、故障软关断、弥勒钳位、欠压保护;短路故障或欠压发生时,还能通过单独的引脚报告进行反馈
3. 输入与输出端均采用双电容增强隔离技术,外加银河集团galaxyAdaptive OOK编码技术,最小共模瞬变抗扰度(CMTI)高达150kV/μs,提高了系统的鲁棒性
4. 驱动器侧电源电压VCC2最大为32V,输入侧VCC1为3V至5.5V电源电压供电;VCC1和VCC2都具有欠压保护(UVLO)
5. 极低的传输延时,低至80ns
6. NSi6611支持ASC特色的功能,可在紧急情况下强制输出为高
7. 工作环境温度:-40℃ ~ 125℃
8. 符合 RoHS 标准的封装类型:SOW16

NSi66x1A功能框图
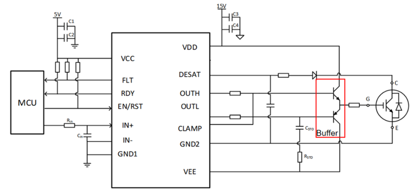
在大功率的应用中,客户一般会选择大功率的管子,IGBT或者SiC。越大功率的管子,功率管的Qg也会越大,则对驱动电路的驱动电流能力的要求就会越高。客户的传统方案会使用驱动电流小的隔离驱动,加上额外的Buffer电路来实现驱动电流增大,如下图所示。由于Buffer电路价格高,且占用PCB体积较大,同时还需要额外的电路做电路匹配,给设计带来了难度,如果设计不当,会导致在驱动电路产生额外的寄生电感和寄生电容,降低了系统的稳定性。

大功率应用中传统方案驱动电路图
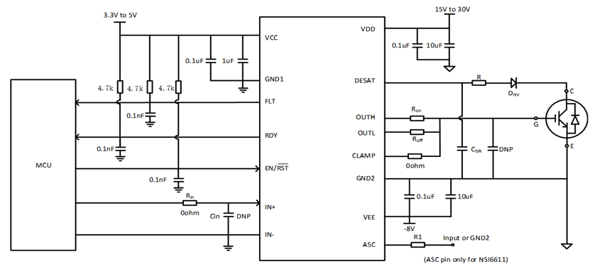
如果系统选用NSi66x1A,电路图如下图所示。由于NSi66x1A可以提供最大10A的拉灌电流能力,它可以在不需要额外的Buffer 电路,直接驱动大功率的管子。同时它内部集成弥勒钳位,且支持分离输出,使用简单,外围器件少,性价比高。

使用NSi66x1A方案应用电路图
什么是ASC?
ASC即主动短路(Active short circuit,简称ASC),是电机系统的一种安全保护机制,是将电机的UVW三相短路(通过?对功率管的开关,实现上三桥臂短路或下三桥臂短路)。
为什么需要ASC的功能?
当电机处于转速过高,或者突然发生制动等其他异常时,电机会产生反电动势,可能会超过高压电池提供的母线电压,会损坏动力电池、母线电容及其它高压器件。如果系统具备ASC功能,可以通过三相短路的方式,让电机内耗电流,降低反电动势,使电机保护和防止控制器电气系统产生进一步的损坏。
NSI6611A pin1 引脚是ASC 功能。如下是时序图。即使在input是低电平,或者VCC1欠压情况下,当pin1引脚电平是高电平时,ASC功能就会使能,OUT会强制输出为高,打开功率管。下面举个使用案例:
为了实现系统的ASC功能,UVW三相下桥臂的管子驱动IC可以使用三颗NSI6611A,将其pin1 连接到一起,连接点命名为“ASC Trigger”,默认该点电压是低电平。当系统检测到故障时,如母线电压过高时,外部触发信号使“ASC Trigger” 为高电平,这时三颗NSI6611会强制打开 UVW三相下桥臂的管子,实现电机下三桥臂短路,实现ASC功能。NSi6611A被外部触发“ASC Trigger” 为高电平到芯片OUT 强制输出为高,时间为0.66us (tASC_r), 响应迅速,及时保护系统。
如果客户系统不需要ASC 功能,可以将NSi6611A pin1 引脚悬空,或者下拉到GND2。
NSi6611A ASC 时序图
免费送样
NSi66x1A系列产品均可提供样品,如需申请样片或订购可邮件至sales@novosns.com或拨打0512-62601802-810,更多信息敬请访问www.novosns.com