ÎÒÃǷdz£ÖØÊÓÄúµÄ¸öÈËÒþ˽£¬µ±Äú·ÃÎÊÎÒÃǵÄÍøÕ¾Ê±£¬ÇëͬÒâʹÓõÄËùÓÐcookie¡£ÓйظöÈËÊý¾Ý´¦ÀíµÄ¸ü¶àÐÅÏ¢¿É·ÃÎÊ¡¶Òþ˽Õþ²ß¡·
ÒøºÓ¼¯ÍÅgalaxyÈ«ÐÂÍÆ³öµÄNSI1312xϵÁиôÀëµçѹ²ÉÑùоƬ֧³ÖÕý¸ºµçѹÊäÈëºÍ¸ß×迹ÊäÈ룬֧³Ö²î·Ö»òµ¥¶ËÄ£ÄâÊä³ö£¬¿É¹ã·ºÓ¦ÓÃÓÚÆû³µ¡¢¹¤Òµ¡¢´ó¹¦ÂʵçÔ´ÖеĽ»Á÷ºÍÖ±Á÷µçѹ¼ì²â¡£
¸ÃϵÁлùÓÚÒøºÓ¼¯ÍÅgalaxyÍ»ÆÆÐԵĴ´Ð¸ôÀë¼¼Êõ¼°Ðźŵ÷ÀíÉè¼Æ£¬ÄÜÔÚÑÏ¿ÁÒªÇóµÄÆû³µºÍ¹¤ÒµµÈÁìÓòÌṩ¸ß´ï 5000 Vrms µÄµç¸ôÀëÄÜÁ¦£¬ CMTI¸ß´ï150KV/usʹÆäÓµÓи߾«¶ÈµÍÎÂÆ¯µÈÓÅÖÊÐÔÄÜ¡£

·Ç¸ôÀëÔË·ÅVS¸ôÀëÔË·Å

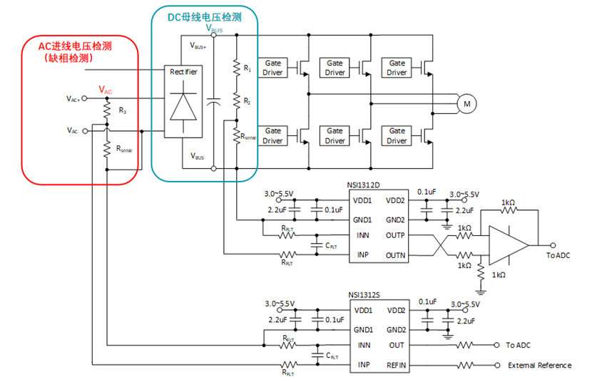
ÈçÉÏͼËùʾ£¬¸ÃϵͳÊDZȽϵäÐ͵ÄÈýÏàÊäÈëÕûÁ÷¿òͼ£¬ºÜ¶à¿Í»§²ÉÓÃÉÏͼµÄ²ÉÑù·½Ê½²É¼¯¸ßѹĸÏßµçѹ--¸ß×跽ʽ·Öѹ+·Ç¸ôÀëÔË·Å+MCU¼¯³ÉµÄADCÀ´ÊµÏֳɱ¾ÓÅ»¯µÄÄ¿µÄ¡£
ÈçʹÓ÷ǸôÀëÔË·Å£¬ÔÚ´¦Àí²»µ±»òÒâÍâ·¢Éúʱ£¬¿ÉÄܵ¼ÖÂϵͳ¸ßѹºÍµÍѹ´®ÈÅ£¬Ó°ÏìÕû¸öϵͳ¿É¿¿ÐÔ¡£
ÓÅÊÆ£ºÉè¼Æ¼òµ¥£¬³É±¾µÍ
ÁÓÊÆ£º
?ĸÏßÉϵŦÂʵç·ÔëÉùñîºÏµ½¿ØÖƵأ¬Ó°ÏìMCU¹¤×÷ÉõÖÁËð»µ
?µ±DC+ÓëDC-¼äµçÈݲ»Æ¥Åäºó£¬DC+ÓëDC-¶ÔNµçѹ²»Æ½ºâ£¬Ô˷ʲģÊäÈë¿ÉÄÜΪ¸ºÑ¹£¬ÔË·ÅÐèÒª¸ºÑ¹¹©µç£¬¹©µçÉè¼Æ¸´ÔÓ
?µ±ÏµÍ³³öÏÖ¹ýѹ»÷´©Ê±£¬ÈçÔ˷ŶÌ·£¬¿ØÖƲàµç·ȫ²¿Ëð»µ
?¶àͨµÀ·Öѹ²ÉÑùʱ£¬Ï൱ÓÚ¶à·¾øÔµµç×è²¢Áª£¬´ËʱµÈЧ¾øÔµµç×è±äС,ϵͳ©µçÁ÷Ôö´ó£¬ÏµÍ³¹ý°²¹æÓзçÏÕ
ĿǰÐÐÒµÄÚ³£¼ûµÄ¸ôÀëÔË·ÅÄܽâ¾öÒÔÉϹؼüÎÊÌ⣬µ«ÓÉÓڳɱ¾½Ï¸ß£¬³ÉΪ¾ø´ó¶àÊý¿Í»§ÄÑÒÔ½ÓÊܵÄÍ´µã£¬¶øÇÒĿǰÐÐÒµ³£¼ûµÄ¸ôÀëµçѹ²ÉÑù²»Ö§³Ö¸ºÑ¹ÊäÈ룬ÏÞÖÆÆäÓÃÓÚ½»Á÷µç²ÉÑù¡£
¸üµÍ³É±¾ ¸ü¸ß±ê×¼
ÒøºÓ¼¯ÍÅgalaxyÈ«ÐÂÍÆ³öµÄµÍ³É±¾¸ôÀëÔË·ÅNSI1312xϵÁУ¬ ͨ¹ý¼¼ÊõµÄÑݽø£¬¿ÉÒÔ´ó·ùÓÅ»¯³É±¾¡£Í¬Ê±Ö§³Ö¡À1.2V Ë«ÏòÏßÐÔÊäÈëµçѹµÄͬʱ֧³Ö²É¼¯½»Á÷ºÍÖ±Á÷µÄµçѹ£¬²É¼¯½»Á÷ÊäÈë¿ÉÒÔʵÏÖȱÏà¼ì²â¹¦ÄÜ¡£¶øÇÒNSI1312S Ö§³Öµ¥¶ËÊä³öµçѹ£¬¿ÉÒÔÖ±½Ó½Óµ½MCUµÄADC I/O¿Ú£¬²»ÐèÒª¶îÍâµÄÔË·Å×÷Ϊ²î·Öתµ¥¶Ë£¬Îª¿Í»§½â¾öÁ˳ɱ¾ÓëÐÔÄܼ汸µÄË«ÏòÐèÇó£¬Ò²ÎªÊг¡¾ºÕùÌṩÁËбê×¼¡£

¾µäʹÓð¸Àý
×ܽáÉÏÊö·½°¸Óŵã
?¸ßµÍѹ¼ä¸ôÀ룬Ìá¸ßϵͳ¿É¿¿ÐÔ
?¸ß¹²Ä£ÒÖÖÆ£¬ÄÍÊܸßÔëÉù»·¾³
?¸ßѹ¸ôÀ룬ÊäÈë¶Ë©µçÁ÷С£¬Âú×ã°²¹æÒªÇó
?²ÉÑùµçѹ¸ü¾«È·£¬Í¨¹ýÑ¡ÔñºÏÊʵIJÉÑùµÄµç×裬NSi1312DÔÚÂú·ùÊäÈëÏ¿ÉÂú×ã ¡À0.5% @25¶È£¬¡À1.5% @-40~125¶ÈµÄ¾«¶ÈÒªÇó
?Ö§³ÖÕý¸ºµçѹ²ÉÑù£¬¼æ¹Ë½øÏßȱÏà¼ì²â¹¦ÄÜ
? ÌṩÕÌåС·â×°ºÍµ¥¶ËÊä³ö°æ±¾£¬Éè¼Æ¼òµ¥
ÓÅÔ½EMIÐÔÄÜ
ÒøºÓ¼¯ÍÅgalaxyƾ½è¶àÄêÔÚÈݸô¼¼ÊõÁìÓòµÄ»ýÀÛ£¬ÒÔ¼°×ÔÓеÄרÀûÓÅÊÆ£¬Ê¹µÃNSI1312xϵÁвúÆ·¾ß±¸ÓÅÔ½µÄEMI ÐÔÄÜ¡£ÏÂͼÊÇÔÚÍêÈ«ÏàͬµÄÌõ¼þϲâÊÔ¹ú¼Ê´óÅÆÓÑÉ̵IJúÆ·ºÍÒøºÓ¼¯ÍÅgalaxy²úÆ·µÄEMIʵÑé¶Ô±È£º

ÈçͼËù¼û£ºNSI1312x EMI µÄÐÔÄÜÎÞÂÛÔÚ´¹Ö±´«µ¼»¹ÊÇˮƽ´«µ¼¶¼ÏÔÖø³ÊÏÖÆäºËÐÄÓÅÊÆ¡£

NSI1312D¹¦ÄÜ¿òͼ

NSI1312S¹¦ÄÜ¿òͼ

NSI1312xϵÁвúÆ·¿ÉÌṩÑùÆ·£¬ÈçÐèÉêÇëÑùƬ»ò¶©¹º¿ÉÓʼþÖÁsales@novosns.com»ò²¦´ò0512-62601802£¬¸ü¶àÐÅÏ¢¾´Çë·ÃÎÊwww.novosns.com