ÎÒÃǷdz£ÖØÊÓÄúµÄ¸öÈËÒþ˽£¬µ±Äú·ÃÎÊÎÒÃǵÄÍøÕ¾Ê±£¬ÇëͬÒâʹÓõÄËùÓÐcookie¡£ÓйظöÈËÊý¾Ý´¦ÀíµÄ¸ü¶àÐÅÏ¢¿É·ÃÎÊ¡¶Òþ˽Õþ²ß¡·
2018Äê11ÔÂ16ÈÕ£¬ÖйúÁìÏȵÄÐźÅÁ´Ð¾Æ¬¼°½â¾ö·½°¸ÌṩÉÌËÕÖÝÒøºÓ¼¯ÍÅgalaxyµç×ӹɷÝÓÐÏÞ¹«Ë¾Ðû²¼ÍƳöNSi83085¼°NSi83086 Á½¿î¸ß¿É¿¿ÐÔ°ëË«¹¤¡¢È«Ë«¹¤¸ôÀëRS-485ÊÕ·¢Æ÷£¬ÆäÊý×Ö¸ôÀë²úÆ·ÏßÀ©³äÖÁ°üº¬±ê×¼Êý×Ö¸ôÀë¡¢I?CÊý×Ö¸ôÀë¼°¸ôÀëRS-485ÔÚÄڵĶà¿î²úÆ·¡£´ËÍâ£¬ÒøºÓ¼¯ÍÅgalaxyµç×ÓÐû²¼Í¨¹ýUL1577ÈÏÖ¤µÄÕÌå·â×°NSi81xxϵÁÐÊý×Ö¸ôÀëÆ÷²úƷĿǰÒÑÈ«ÃæÎȶ¨Á¿²ú¡£
°ëË«¹¤¸ôÀëRS-485оƬNSi83085¼°È«Ë«¹¤¸ôÀëRS-485оƬNSi83086¾ßÓи߿ɿ¿ÐÔ¡¢¸ß¸ôÀëÄÍѹ¡¢¸ß¹²Ä£¿¹ÈÅ¡¢ÒÔ¼°¸ß¼¯³É¶ÈµÄÌØµã£¬ÆäÄܹ»³ÐÊܽÏΪ¸´ÔÓµÄEMC»·¾³£¬ÈçESD¡¢EFT¡¢ÀËÓ¿µÈ£»¸ôÀëÄÍѹֵ¿É´ïµ½·ûºÏUL1577±ê×¼µÄ5kVrms£¬CMTI´ïµ½150kV/us£»ÓÉÓÚ¼¯³ÉÁËÊý×Ö¸ôÀëºÍRS-485Çý¶¯Á½ÖÖ¹¦ÄÜÉè¼Æ£¬Æä¿É°ïÖú¿Í»§´ó·ù¼ò»¯ÏµÍ³Éè¼Æ¸´ÔÓ¶È£¬²¢¼õÉÙϵͳPCBµÄÃæ»ý¡£

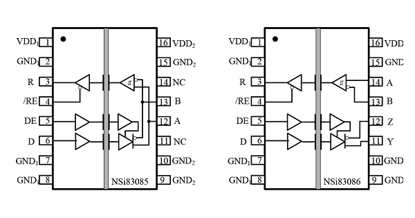
ͼ1£ºÒøºÓ¼¯ÍÅgalaxyµç×Ó·¢²¼¸ôÀëRS-485оƬNSi83085¼°NSi83086
NSi83085µÄ´«ÊäËÙÂÊ´ïµ½500kbps£¬ÆäµÍ°ÚÂʵÄÌØµãÄܹ»¼õСEMIÒÔ¼°ÓÉÓÚÖÕ¶ËÆ¥Åä²»µ±ÒýÆðµÄ·´É䣬NSi83086µÄ´«ÊäËÙÂʿɴï16Mbps¡£NSi83085¡¢NSi83086µÄ×ÜÏß½Ó¿Ú¾ßÓСÀ16kVµÄϵͳ¼¶½Ó´¥·ÅµçESD±£»¤ÄÜÁ¦£¬Í¬Ê±¾ßÓÐʧЧ±£»¤µç·£¬µ±½ÓÊÕÆ÷ÊäÈë´¦ÓÚ¿ªÂ·¡¢¶Ì·»òÕß×ÜÏß¿ÕÏÐʱ£¬½ÓÊÕÆ÷µÄÊä³ö±£³ÖÂß¼¸ßµçƽ¡£½ÓÊÕÆ÷µÄÊäÈë×迹Ϊ1/8µ¥Î»¸ºÔØ£¬ÔÊÐí¶à´ï256¸öÊÕ·¢Æ÷¹ÒÔÚ×ÜÏßÉÏ¡£Êä³öÇý¶¯Æ÷ÌṩÁ˳¬´óÊä³öµçѹ°Ú·ù£¬´Ó¶ø±£Ö¤Á˸ü¸ßµÄÔëÉùÈÝÏÞ¡£

ͼ2£ºNSi83085¼°NSi83086¹¦ÄÜ¿òͼ
NSi83085¼°NSi83086¾ßÓиߵç´Å¿¹ÈŶȺ͵ͷøÉäµÄÌØÐÔ£¬·Ç³£ÊʺÏÓÚÐèÒª¸ßÖÊÁ¿RS-485ͨѶµÄ¹¤Òµ»·¾³ÁìÓò£¬È繤ҵ×Ô¶¯»¯¿ØÖÆ¡¢ÖÇÄܵç±íË®±í¡¢°²·À¼à¿Ø¡¢¹â·üÄæ±äµÈ¡£ÔÚÕâЩÁìÓòÖУ¬Ñ¡Ôñ¸ôÀëRS-485½øÐÐͨѶ¿ÉÌá¸ßͨѶÖÊÁ¿£¬ÌáÉýϵͳ¿¹¸ßѹÀËÓ¿µÄÄÜÁ¦£¬²¢Äܹ»¸ü´ó³Ì¶ÈµØ±£ÕϲÙ×÷¹¤ÈËÊ©¹¤µÄ°²È«ÐÔ¡£
ÒøºÓ¼¯ÍÅgalaxyµç×ÓÓÚÈ¥Äê12ÔÂÊ×´ÎÍÆ³öÊý×Ö¸ôÀëоƬ²úÆ·£¬Ä¿Ç°ÒÑ·¢²¼ÁËÁ½Í¨µÀ¡¢ÈýͨµÀ¡¢ËÄͨµÀ±ê×¼Êý×Ö¸ôÀëоƬ£¬I?CÊý×Ö¸ôÀëоƬÒÔ¼°¸ôÀëRS-485µÈ²úÆ·¡£±ê×¼Êý×Ö¸ôÀë¼°I?C¸ôÀëоƬ¾ùÌṩ·ûºÏRoHS±ê×¼µÄÕÌåºÍ¿íÌåÁ½ÖÖ·â×°ÐÎʽ£¬²¢Ìṩ·ûºÏAEC-Q100³µ¹æ¼¶±ê×¼µÄÐͺŹ©¿Í»§Ñ¡Ôñ£¬´Ë´Î·¢²¼µÄ¸ôÀëRS-485ÊÕ·¢Æ÷NSi83085/NSi83086ΪSOIC-16¿íÌå·â×°¡£
¡°ÎªÁË´ïµ½AEC-Q100Æû³µ¼¶±ê×¼£¬ÎÒÃǵÄÊý×Ö¸ôÀëоƬ¾ù¾¹ýÁËһϵÁпɿ¿ÐÔÊÔÑé£¬ÒøºÓ¼¯ÍÅgalaxy¸ß¿É¿¿ÐÔ¡¢¸ßÆ·ÖʵÄÊý×Ö¸ôÀëоƬÄܹ»Âú×ã³µÔØÑÏ¿ÁµÄÓ¦Óû·¾³¡±£¬ÒøºÓ¼¯ÍÅgalaxyµç×ÓÊý×Ö¸ôÀë²úÆ·Ï߸ºÔðÈËÒ¶½¡½éÉÜ˵£º¡°AEC-Q100 ±ê×¼ÊÇÆû³µµç×ÓϵͳµÄÈ«ÇòͨÓñê×¼£¬·ûºÏ¸Ã¹æ·¶ÒªÇóÒâζ×ŵç×ÓÔª¼þ¾ßÓиßÖÊÁ¿Óë¿É¿¿ÐÔ£¬¿ÉÊʺÏÓÚÆû³µÓ¦Óõĸ´ÔÓ¶ñÁӵĻ·¾³ÖС£¶øÍ¨¹ýUL1577°²¹æ±ê×¼µÄÈϿɣ¬ÔòÒâζ×ÅÎÒÃǵIJúÆ·ÒÑ·ûºÏÏà¹ØµÄ¹ú¼Ê°²È«±ê×¼£¬ÔÚ²úÆ·µÄÆ·Öʼ°¿É¿¿ÐÔÉÏ£¬ÒøºÓ¼¯ÍÅgalaxyÊý×Ö¸ôÀëоƬÒÑÓë¹ú¼Ê±ê×¼¶Ô±ê¡£¡±
ÊÜÖÐÃÀóÒ×Ħ²ÁÓ°Ï죬¹úÄÚ°ëµ¼ÌåÐÐҵĿǰ¾ùÒÑÈÏÖªµ½Ð¾Æ¬½ø¿ÚÌæ´úµÄÖØÒªÐÔÒÔ¼°±ØÈ»Ç÷ÊÆ£¬¶ø¹ú²úоƬ±ØÐëÂú×ã¸ßÆ·ÖÊ¡¢¸ßÐÔÄÜ¡¢¸ß¿É¿¿ÐÔµÄÒªÇó·½ÄÜÌæ´ú½ø¿ÚоƬ¡£ÒøºÓ¼¯ÍÅgalaxyµç×Ӿ߱¸×¨ÒµµÄ»ìºÏÐźÅÁ´Ð¾Æ¬Ñз¢ÄÜÁ¦£¬½¨Á¢²¢ÍêÉÆÁË´ÓоƬ¶¨Òåµ½Éè¼Æ¼°½»¸¶µÄÍêÕûÖÊÁ¿¹Ü¿ØÌåϵ£¬Òѳɳ¤Îª¹úÄÚÉÙÊýµÄÓµÓÐǰװÆû³µ¼¶²úÆ·¶¨Òå¡¢¿ª·¢ºÍÁ¿²ú¾ÑéµÄоƬÉè¼Æ¹«Ë¾¡£ÔÚÍÆ³öÊý×Ö¸ôÀëоƬ²úÆ·Ö®³õ£¬ÒøºÓ¼¯ÍÅgalaxyµç×Ó¼´Öƶ¨ÁË¡°¸ßÆ·Öʽø¿ÚÌæ´ú¡±µÄÊг¡²ßÂÔ£¬Í¨¹ýÌṩÓë¹úÍâ´ó³§ÏàæÇÃÀµÄ²úÆ·£¬¸¨ÒÔ±¾ÍÁ»¯µÄ¿Í»§¼¼ÊõÖ§³Ö·þÎñ£¬À´Íƶ¯¹ú²úоƬÔÚÊг¡ÉϵÄÉøÍ¸ÂÊÒÔ¼°±»ÈϿɶȡ£
¾¹ý½üÒ»ÄêµÄŬÁ¦£¬ÒøºÓ¼¯ÍÅgalaxy˫ͨµÀÊý×Ö¸ôÀëоƬÒÔ¼°I?C¸ôÀëоƬÒѾÔÚ¹ú¼ÒÖØµãÐÐÒµ¡¢±ê¸Ë¿Í»§ÉÏʵÏÖÅúÁ¿¹©»õ¡£ÒøºÓ¼¯ÍÅgalaxyµç×ÓCEOÍõÉýÑî±íʾ£º¡°Ä¿Ç°¹úÄÚÊг¡¶ÔÓÚ¹ú²úоƬ²úÆ·ÆÕ±é³Ö¿ª·Å̬¶È£¬ÓÈÆäÊÇÖи߶ËÊг¡Ó¦ÓõĻú»á´°¿ÚÖð½¥µØÏò¹úÄÚоƬ³§ÉÌËù³¨¿ª£¬Õâ¶ÔÓÚÏñÒøºÓ¼¯ÍÅgalaxyÕâÑùµÄоƬÉè¼Æ¹«Ë¾À´Ëµ£¬¼ÈÊÇʵÏֳɳ¤ºÍÍ»ÆÆµÄ»ú»á£¬Í¬Ê±Ò²ÊÇÖ¤Ã÷×ÔÉíÄÜÁ¦¡¢²úÆ·Æ·ÖʵĻú»á£¬ÎÒÏàÐŹú²úоƬÔÚ½ÓÏÂÀ´µÄ¼¸ÄêÀォ»áµÃµ½Ô½À´Ô½¶àµÄÈϿɡ£¡±
ÒøºÓ¼¯ÍÅgalaxyĿǰÔÚÑеÄÊý×Ö¸ôÀë²úÆ·°üÀ¨¸ôÀëCAN¡¢¸ôÀëÔË·Å¡¢¸ôÀëADC¡¢¼¯³É¸ôÀëDC/DCµçÔ´µÄÊý×Ö¸ôÀë¡¢¸ôÀëÇý¶¯µÈ£¬Ô¤¼Æ½«ÔÚÃ÷ºóÄêÄÚÂ½ÐøÍÆ³ö¡£ÕâЩ²úÆ·½«½øÒ»²½·á¸»Êý×Ö¸ôÀë²úÆ·Ïߣ¬Ò²½«»áÖúÁ¦¹ú²úоƬÔÚ¸ü¶àµÄÁìÓòÖÐʵÏÖ½ø¿ÚÌæ´ú£¬½øÒ»²½¼ÓËÙоƬ¹ú²ú»¯½ø³Ì¡£