ÎÒÃǷdz£ÖØÊÓÄúµÄ¸öÈËÒþ˽£¬µ±Äú·ÃÎÊÎÒÃǵÄÍøÕ¾Ê±£¬ÇëͬÒâʹÓõÄËùÓÐcookie¡£ÓйظöÈËÊý¾Ý´¦ÀíµÄ¸ü¶àÐÅÏ¢¿É·ÃÎÊ¡¶Òþ˽Õþ²ß¡·
NCA1051 ÊÇÒ»¿î¸ßËÙ CAN ÊÕ·¢Æ÷£¬¿ÉÌṩ¿ØÖÆÆ÷¾ÖÓòÍø£¨CAN£©ÐÒé¿ØÖÆÆ÷ºÍÎïÀíÁ½Ïß CAN ×ÜÏßÖ®¼äµÄ½Ó¿Ú¡£NCA1051 ʵÏÖ ISO 11898-2:2016 ºÍ SAE J2284-1 ÖÁ SAE J2284-5 Öж¨ÒåµÄ CAN ÎïÀí²ã£¬¿ÉÔÚ CAN FD ¿ìËÙ½×¶ÎÒԸߴï 5 Mbit/s µÄÊý¾Ý´«ÊäËÙÂʽøÐпɿ¿Í¨ÐÅ¡£NCA1051 Ìṩ¹ýÈȱ£»¤ºÍ´«ÊäÊý¾ÝÏÔÐÔ³¬Ê±¹¦ÄÜ¡£
²úÆ·ÌØÐÔ
ÍêÈ«·ûºÏ ISO11898-2 ±ê×¼
µçÔ´¶Ï¿ªÊ± CAN ×ÜÏß¾ßÓÐÀíÏëµÄÎÞÔ´ÐÐΪ
µçѹ·¶Î§Ö§³Ö 3V ºÍ 5V MCU
×ÜÏß¹ÊÕϱ£»¤ -70V ÖÁ +70V
´«ÊäÊý¾Ý (TXD) ÏÔÐÔ³¬Ê±¹¦ÄÜ
¹ýÁ÷ºÍ¹ýÈȱ£»¤
Êý¾ÝËÙÂÊ£º¸ß´ï 5Mbps
µÍ»·Â·ÑÓ³Ù£º <250ns
¹¤×÷ζȣº-40¡æ ÖÁ +125¡æ
·ûºÏ RoHS ±ê×¼
Ó¦Óó¡¾°
CAN ×ÜÏß±ê×¼£¬Èç CANopen¡¢DeviceNet¡¢NMEA2000¡¢ARNIC825¡¢ISO11783 ºÍ CANaerospace
¶à¸ºÔØ CAN ÍøÂ磬ËÙÂʿɵÍÖÁ 10 kbps
¹¤Òµ×Ô¶¯»¯¡¢¿ØÖÆ¡¢´«¸ÐÆ÷ºÍÇý¶¯ÏµÍ³
Â¥Óî¡¢°²È«ºÍÆøºò¿ØÖÆ×Ô¶¯»¯
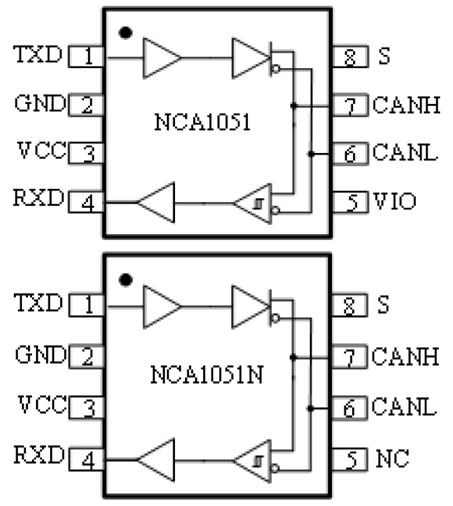
¹¦ÄÜ¿òͼ

Ïà¹Ø×ÊÔ´

ÈçÄúÐèÒª×Éѯ²úÆ·¸ü¶àÐÅÏ¢£¬Çëµã»÷¡°ÒøºÓ¼¯ÍÅgalaxy¡±£¬ÎÒÃǽ«¾¡¿ì»Ø¸´Äú!