Products

Products

Fault Protected High-Speed CAN FD Transceiver

The NCA1051 is a high-speed CAN transceiver that provides an interface between a Controller Area Network (CAN) protocol controller and the physical two-wire CAN bus. The NCA1051 implements the CAN physical layer as defined in ISO 11898-2:2016 and SAE J2284-1 to SAE J2284-5. This implementation enables reliable communication in the CAN FD fast phase at data rates up to 5 Mbit/s. The NCA1051 provides thermal protection and transmit data dominant time out function.

Product Features

  • Fully compatible with the ISO11898-2 standard

  • Ideal passive behavior to the CAN bus when the supply voltage is off

  • Voltage range supports 3V and 5V MCU

  • Bus fault protection of -70V to +70V

  • Transmit data (TXD) dominant time out function

  • Over current and over temperature protection

  • Data rate: up to 5Mbps

  • Low loop delay: <250ns

  • Operation temperature: -40℃ to +125℃

  • RoHS compliant

Application

  • CAN bus standards such as CANopen, DeviceNet, NMEA2000, ARNIC825, ISO11783 and CANaerospace

  • Highly loaded CAN networks down to 10 kbps networks using TXD DTO

  • Industrial automation, control, sensors, and drive systems

  • Building, security, and climate control automation

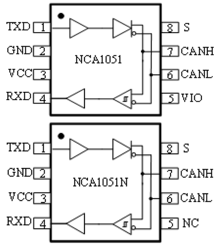
Functional Block Diagram

image.png

For more product information, please contact us.

sitemap地图