ÎÒÃǷdz£ÖØÊÓÄúµÄ¸öÈËÒþ˽£¬µ±Äú·ÃÎÊÎÒÃǵÄÍøÕ¾Ê±£¬ÇëͬÒâʹÓõÄËùÓÐcookie¡£ÓйظöÈËÊý¾Ý´¦ÀíµÄ¸ü¶àÐÅÏ¢¿É·ÃÎÊ¡¶Òþ˽Õþ²ß¡·
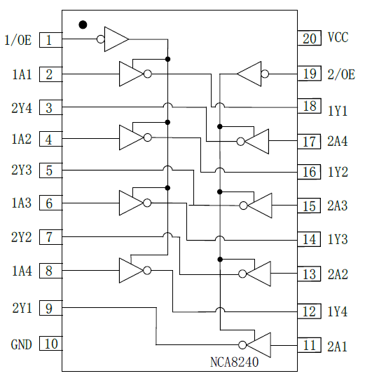
NCA8240 ÊÇÒ»¿î°Ë½øÖÆ»º³åÆ÷/Çý¶¯Æ÷£¬ÓÃÓÚÌá¸ßÃæÏò×ÜÏߵĽÓÊÕÆ÷ºÍ·¢ÉäÆ÷¡¢Ê±ÖÓÇý¶¯Æ÷µÈµÄÇý¶¯ÄÜÁ¦£¬²¢È·±£ÐźŶ¨Ê±µÄ׼ȷÐÔ¡£ËüÌṩËĸöͨµÀ£¬Ã¿¸öͨµÀ¶¼ÓжÀÁ¢µÄµÍµçƽ¼¤»îÊä³öʹÄÜ£¨/OE£©ÊäÈë¡£µ± /OE ¼¤»îʱ£¬NCA8240 ´Ó A Ïò Y ´«ÊäÊý¾Ý¡£ÔÚÉϵçºÍ¶ÏµçÆÚ¼ä£¬/OE Ӧͨ¹ýÒ»¸öÉÏÀµç×èÓë VCC Á¬½Ó£¬ÒÔÈ·±£´¦ÓÚ¸ß×迹״̬¡£NCA8240 ¿É³ÐÊܸߴï 6V µÄÊäÈëµçѹ£¬Ã¿¸öͨµÀÖ§³Ö×î´ó 32 mA µÄµçÁ÷Çý¶¯¡£ËùÓÐδʹÓõÄÊäÈë±ØÐë±£³ÖÔÚ VCC »ò½ÓµØ¶Ë£¬ÒÔ·ÀÖ¹¹ý´óµÄµçÔ´µçÁ÷¡£
²úÆ·ÌØÐÔ
? ·ûºÏÆû³µ 1 ¼¶Ó¦ÓÃÒªÇó£º NCA8240-Q1TSTR
? ÊäÈëÓë TTL ¼æÈÝ
? µçÔ´µçѹ£º3V ÖÁ 6V
? 6 V ÈݲîÊäÈë
? ESD ±£»¤³¬¹ý JESD 22£º
- 4000V ÈËÌåÄ£ÐÍ
- 2000V ³äµçÉ豸ģÐÍ
? ¹¤×÷ζȣº-40¡æ~125
? ·ûºÏ RoHS ºÍ REACH ¹æ·¶µÄ·â×°£º TSSOP20
Ó¦Óó¡¾°
? µç»úÇý¶¯Æ÷
? Ç£Òý±äƵÆ÷
? ÊäÈë/Êä³öÄ£¿é
? LED ÏÔʾÆ÷
¹¦ÄÜ¿òͼ


ÈçÄúÐèÒª×Éѯ²úÆ·¸ü¶àÐÅÏ¢£¬Çëµã»÷¡°ÒøºÓ¼¯ÍÅgalaxy¡±£¬ÎÒÃǽ«¾¡¿ì»Ø¸´Äú!