NCA8240 is an octal buffer/driver used for improving driver ability of bus-oriented receivers and transmitters, clock drivers etc. and ensuring the accuracy of signal timing. It provides four channels in each direction with separate output-enable(/OE) input that low active. When /OE is active, NCA8240 transmits data from A to Y. When /OE is high, the outputs are in the high-impedance state. During power up and power down, /OE should be tied to VCC through a pull-up resistor to ensure the high impedance state. NCA8240 can tolerate up to 6V input voltage and each channel supports maximum 32 mA current drive. All unused inputs must be held at VCC or GND to prevent excess supply current.
Product Features
? Qualified for Automotive Grade 1 applications: NCA8240-Q1TSTR
? Inputs are TTL compatible
? Power supply voltage: 3V to 6V
? 6 V Tolerant Inputs
? ESD Protection Exceeds JESD 22:
- 4000V Human-Body Model
- 2000V Charged-Device Model
? Operation temperature: -40℃~125℃
? RoHS & REACH compliant packages: TSSOP20
Application
? Motor driver
? Traction inverter
? I/O modules
? LED displays
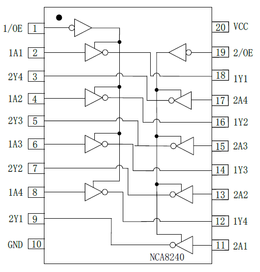
Functional Block Diagram


For more product information, please contact us.