ÎÒÃǷdz£ÖØÊÓÄúµÄ¸öÈËÒþ˽£¬µ±Äú·ÃÎÊÎÒÃǵÄÍøÕ¾Ê±£¬ÇëͬÒâʹÓõÄËùÓÐcookie¡£ÓйظöÈËÊý¾Ý´¦ÀíµÄ¸ü¶àÐÅÏ¢¿É·ÃÎÊ¡¶Òþ˽Õþ²ß¡·
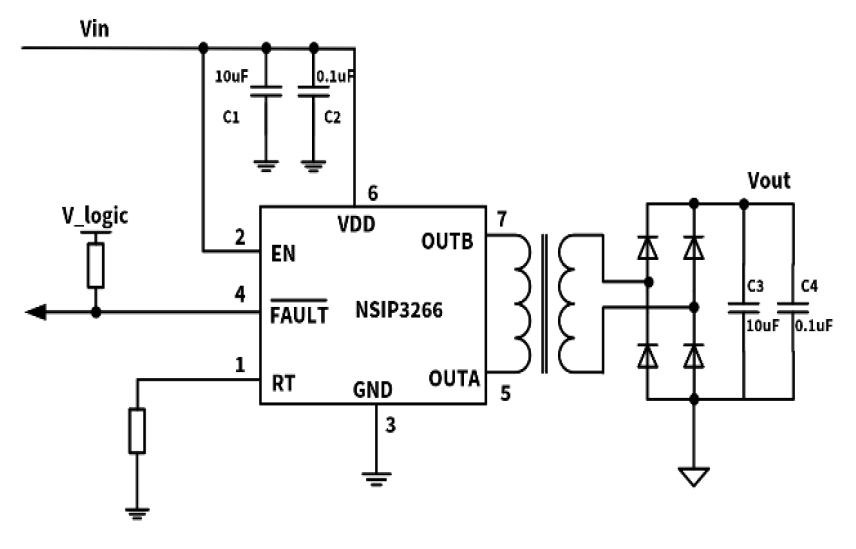
NSIP3266 HÇűäѹÆ÷Çý¶¯Æ÷ΪÉè¼Æ¸ôÀëʽµçÔ´ÌṩÁËÒ»ÖÖ¼òµ¥µÄ½â¾ö·½°¸¡£¸ÃÆ÷¼þÇý¶¯±äѹÆ÷³õ¼¶ÏßȦ£¬µçѹ·¶Î§Îª 6.5V ÖÁ 26V¡£±äѹÆ÷µÄ´Î¼¶ÏßȦÓë³õ¼¶ÏßȦ֮±È¾ö¶¨ÁËÊä³öµçѹ£¬¼¸ºõ¿ÉÒÔÑ¡ÔñÈκθôÀëÊä³öµçѹ¡£NSIP3266 µÄ¿ª¹ØÆµÂÊ¿Éͨ¹ýÍⲿµç×èÆ÷´Ó 100kHz µ÷Õûµ½ 1MHz£¬ÕâΪÓÅ»¯Ð§ÂÊ»òÍⲿԪ¼þ³ß´çÌṩÁËÁé»îÐÔ¡£µ±Æ÷¼þ¼ì²âµ½¹ýÈÈ»ò¹ýÁ÷Çé¿öʱ£¬»á¶ÏÑÔÊä³ö¡£´ËÍ⣬¸ÃÆ÷¼þ»¹¾ßÓе͹¦ºÄģʽ£¬¿ÉÔÚ²»Ê¹ÓÃÇý¶¯Æ÷ʱ½«×ܵçÔ´µçÁ÷½µÖÁ 0.7mA£¨µäÐÍÖµ£©¡£NSIP3266 ²ÉÓà MSOP8 ·â×°£¬¹¤×÷ζȷ¶Î§Îª -40¡ãC ÖÁ 125¡ãC¡£
²úÆ·ÌØÐÔ
? ¿í¹¤×÷µçѹ·¶Î§£º6.5ÖÁ26V
? ÊäÈë12Vʱ£¬×î´óÊä³ö¹¦ÂÊΪ5W
? ENÒý½Å¿É³ÐÊÜ(-10V)¸ºÏòµçѹ
? ¹ÊÕϼì²âÓëָʾ¹¦ÄÜ
? ¿Éµ÷ƵÂÊ·¶Î§£º100 kHzÖÁ1MHz
? ¹ýα£»¤
? ¹ýÁ÷±£»¤
? µÍ¾²Ì¬µçÁ÷
? Ç·Ñ¹Ëø¶¨±£»¤
? ¹¤×÷ζȷ¶Î§£º-40¡ãCÖÁ125¡ãC
Ó¦Óó¡¾°
? µç¶¯Æû³µ³äµçÕ¾¡¢Ö±Á÷¿ìËÙ³äµçÕ¾
? GaN¡¢IGBT ºÍ SiC Õ¤¼«±äѹÆ÷Çý¶¯Æ÷Æ«ÖõçÔ´
? UPS ºÍÌ«ÑôÄÜÄæ±äÆ÷
? ¹¤Òµµç»ú¡¢µçÌݺÍ×Ô¶¯·öÌÝ
¹¦ÄÜ¿òͼ


ÈçÄúÐèÒª×Éѯ²úÆ·¸ü¶àÐÅÏ¢£¬Çëµã»÷¡°ÒøºÓ¼¯ÍÅgalaxy¡±£¬ÎÒÃǽ«¾¡¿ì»Ø¸´Äú!