ÎÒÃǷdz£ÖØÊÓÄúµÄ¸öÈËÒþ˽£¬µ±Äú·ÃÎÊÎÒÃǵÄÍøÕ¾Ê±£¬ÇëͬÒâʹÓõÄËùÓÐcookie¡£ÓйظöÈËÊý¾Ý´¦ÀíµÄ¸ü¶àÐÅÏ¢¿É·ÃÎÊ¡¶Òþ˽Õþ²ß¡·
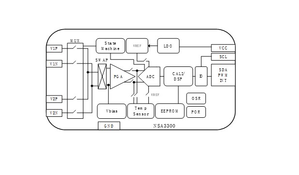
NSA3300ÊÇÒ»¿îÕë¶ÔÈȵç¶Ñ´«¸ÐÆ÷µÄÐźŵ÷ÀíоƬ£¬ÆäÖ÷ÒªÆðµÄ×÷ÓÃÊÇ¿ÉÒÔ½Ó¿ÚÈȵç¶Ñ´«¸ÐÆ÷²¢¶Ô´«¸ÐÆ÷µÄÊä³öµçѹÐźŽøÐзŴóºÍ²ÉÑù£¬ÆäÄÚ²¿µÄÊý×ÖÒýÇæ¿ÉÒÔ°´ÕÕ¿Í»§ÅäÖõÄLUTµÄÊý¾Ý£¬×Ô¶¯½«Èȵç¶Ñ´«¸ÐÆ÷µÄµçѹÊä³ö¼ÆËãΪζÈÁ¿Êä³ö£¬·½±ãÈÿͻ§Í¨¹ýI2CµÄ½Ó¿ÚÖ±½Ó¶ÁȡζÈÖµ¡£
¸ÃоƬÄÚ²¿¼¯³ÉÁ˵ÍÔëÉùÒDZí·Å´óÆ÷PGA¡¢24bit ¦²-¦¤ ADCÒÔ¼°DSPУ׼Ëã·¨µÈ¡£Æä¿É²âÁ¿Ä¿±êζȷ¶Î§ÔÚ-70~380¡æ£¬ÔÚȫζȷ¶Î§ÄÚÂú×ã1%µÄ¾«¶ÈÎó²î£¬²¢ÔÚÈËÌå²âÎÂ35¡æ~42¡æ·¶Î§ÄÚÄÜ´ïµ½¡À0.2¡æµÄ¾«¶È£¬×î¸ß·Ö±æÂÊ´ïµ½0.01¡æ/LSB¡£Õë¶Ô¸öÐÔ»¯Ó¦Óã¬Ð¾Æ¬Ò²Ö§³Ö²»¾DSP´¦ÀíµÄADCÂãÊý¾ÝÊä³ö¡£Ð¾Æ¬ÄÚ²¿»¹¼¯³ÉÁËÃâ±ê¶¨µÄ»·¾³Î¶ȴ«¸ÐÆ÷£¬¿É²â·¶Î§ÔÚ-40~125¡æ£¬0~40¡æ·¶Î§ÄÚ¿É´ïµ½¡À0.2¡æµÄ¾«¶È¡£
NSA3300Ö§³ÖÁ½Â·²î·ÖÐźÅÊäÈ룬ÓÐËÄÖÖ¹¤×÷ģʽ£ºÁ¬Ðøµ¥Í¨µÀ´«¸ÐÆ÷¼°»·¾³Î¶È×éºÏÊä³ö£¬Á¬ÐøË«Í¨µÀ´«¸ÐÆ÷¼°»·¾³Î¶È×éºÏÊä³ö£¬Á¬ÐøË«Í¨µÀ´«¸ÐÆ÷Êä³ö¼°Ë¯Ãßģʽ¡£¶ÔÓÚ˫ͨµÀµÄÓ¦Óó¡¾°£¬Ö÷Òª´¦ÓÚ¶ÔÓÚNDIRµÈÓ¦Óó¡¾°¡£
²úÆ·ÌØÐÔ
? ¸ß¾«¶ÈÐźŷŴóPGA£¬¿Éµ÷ÔöÒæ´Ó8x~128x£¬µÈЧÊäÈëÔëÉùСÓÚ3¦ÌVrms
? ÄÚ²¿¼¯³É¸ß¾«¶Èζȴ«¸ÐÆ÷£¬ÔÚÊÒÎÂ0~40¡ãC·¶Î§ÄÚ£¬¾«¶È¿É´ï+/-0.2¡ãC
? ÄÚÖÃEEPROM¿ÉÒÔÂú×ã32µãµÄLUTÊäÈ룬Á½µãÖ®¼äʵÏÖÊý×ÖÏßÐÔ²åÖµ
? Ö§³Ö¿Í»§¶Ë´«¸ÐÆ÷ºó±ê¶¨£¬ÁéÃô¶È£¬ÁãµãÆ¯ÒÆ£¬·ÇÏßÐÔ¶¼¿ÉÒÔУ׼
? Ö§³ÖÄ¿±êζÈÖ±½ÓI2C¶ÁÈ¡£¬Ò²¿ÉÅäÖÃΪζȿª¹ØÊä³öģʽ
? µÍ¹¦ºÄ£¬ÐÝÃßµçÁ÷5¦ÌA
? ¾§Ô²¼¶¹©»õ£¬die sizeС£º1mm x 1.5mm
Ó¦Óó¡¾°
? ¶îÎÂǹ/¶úÎÂǹ
? ¹¤Òµ²âÎÂ
? °×É«¼Òµç
? ³ø·¿¼Òµç
? °²·À
? NDIRÆøÌå´«¸ÐÆ÷
¹¦ÄÜ¿òͼ


ÈçÄúÐèÒª×Éѯ²úÆ·¸ü¶àÐÅÏ¢£¬Çëµã»÷¡°ÒøºÓ¼¯ÍÅgalaxy¡±£¬ÎÒÃǽ«¾¡¿ì»Ø¸´Äú!