ÎÒÃǷdz£ÖØÊÓÄúµÄ¸öÈËÒþ˽£¬µ±Äú·ÃÎÊÎÒÃǵÄÍøÕ¾Ê±£¬ÇëͬÒâʹÓõÄËùÓÐcookie¡£ÓйظöÈËÊý¾Ý´¦ÀíµÄ¸ü¶àÐÅÏ¢¿É·ÃÎÊ¡¶Òþ˽Õþ²ß¡·
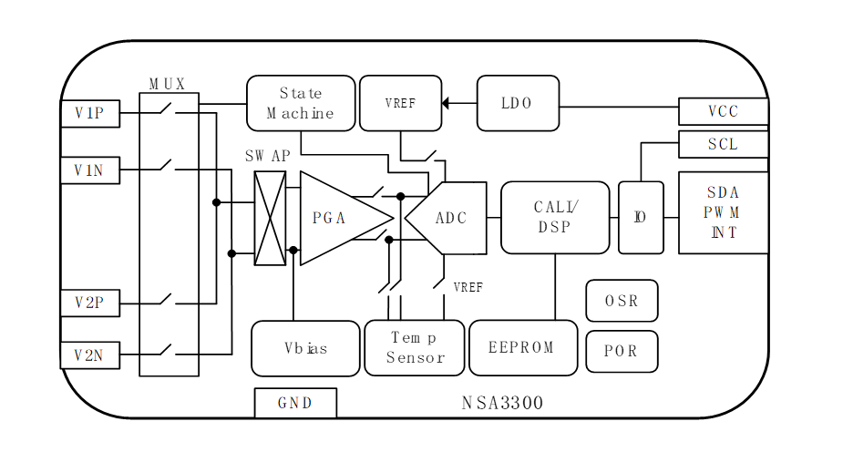
NSA3300ÊÇÒ»¿îÕë¶ÔÈȵç¶Ñ´«¸ÐÆ÷µÄÐźŵ÷ÀíоƬ£¬ÆäÖ÷ÒªÆðµÄ×÷ÓÃÊÇ¿ÉÒÔ½Ó¿ÚÈȵç¶Ñ´«¸ÐÆ÷²¢¶Ô´«¸ÐÆ÷µÄÊä³öµçѹÐźŽøÐзŴóºÍ²ÉÑù£¬ÆäÄÚ²¿µÄÊý×ÖÒýÇæ¿ÉÒÔ°´ÕÕ¿Í»§ÅäÖõÄLUTµÄÊý¾Ý£¬×Ô¶¯½«Èȵç¶Ñ´«¸ÐÆ÷µÄµçѹÊä³ö¼ÆËãΪζÈÁ¿Êä³ö£¬·½±ãÈÿͻ§Í¨¹ýI2CµÄ½Ó¿ÚÖ±½Ó¶ÁȡζÈÖµ¡£
²úÆ·ÌØÐÔ
? PGAÔöÒæ:8x,12x,16x,32x,48x,64x,96x,128x
? ²î·ÖÊäÈ뷶Χ: <=120mV
? ÊäÈëÒý½Å©µçÁ÷£º<=200pA
? ¹©µçµçѹ: 2.3V ~3.6V
? µÈЧÊäÈëRMSÔëÉù£º0.3uV
? ˯ÃßģʽϹ¦ºÄ£º5uA
? ͨÐŽӿڣºIIC¡¢PWM¡¢INT/Relay
? ×î´óIICËÙÂÊ: 400KHz
? EEPROM£º128Bytes
? OSR:128x ~16384x
? Á¬Ðøµ¥Í¨µÀ´«¸ÐÆ÷¼°»·ÎÂ×éºÏÊäODR:<=200Hz
? Á¬ÐøË«Í¨µÀ´«¸ÐÆ÷Êä³öÿͨµÀODR:<=800Hz
? ¹¤×÷ζÈ: -40¡æ~125¡æ
? ¿ÉÅä²âηøÉäϵÊý£º0.05~1.0
Ó¦Óó¡¾°
? ¶úÎÂǹ/¶îÎÂǹ
? ¼ÒÓóø·¿µçÆ÷
? ÆøÌå´«¸ÐÆ÷
? °²·À
¹¦ÄÜ¿òͼ


ÈçÄúÐèÒª×Éѯ²úÆ·¸ü¶àÐÅÏ¢£¬Çëµã»÷¡°ÒøºÓ¼¯ÍÅgalaxy¡±£¬ÎÒÃǽ«¾¡¿ì»Ø¸´Äú!