ÎÒÃǷdz£ÖØÊÓÄúµÄ¸öÈËÒþ˽£¬µ±Äú·ÃÎÊÎÒÃǵÄÍøÕ¾Ê±£¬ÇëͬÒâʹÓõÄËùÓÐcookie¡£ÓйظöÈËÊý¾Ý´¦ÀíµÄ¸ü¶àÐÅÏ¢¿É·ÃÎÊ¡¶Òþ˽Õþ²ß¡·
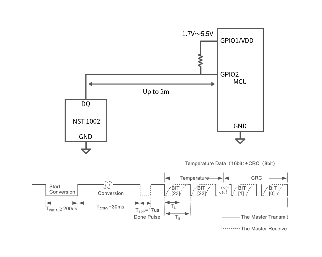
NST1002ÊÇÒ»¿î¸ß¾«¶ÈË«Òý½Åµ¥×ÜÏßÐÍζȴ«¸ÐÆ÷¡£NST1002¾ßÓе¥×ÜÏßÐÒéÊä³ö½Ó¿ÚÒÔ¼°ÔÚ¿íζȷ¶Î§Äڸ߾«¶ÈµÄÌØÐÔ¿ÉÖ±½ÓÓë MCUÁ¬½ÓʹÓÃ, ±£ÕϲâÁ¿¾«¶ÈµÄͬʱ½µµÍ¿ªÏú¡£NST1002Æ÷¼þÔÚ-50¡æÖÁ150¡æµÄζȷ¶Î§ÄÚÖ§³Ö¡À0.5¡æµÄ×î´ó¾«¶È,ͬʱ¾ßÓм«¸ßµÄ·Ö±æÂÊ£¨0.0078125¡æ£©,ÎÞÐè½èÖúϵͳУ׼»òÈíÓ²¼þ²¹³¥¡£µ¥×ÜÏßÐÒéµÄÊý×Ö½Ó¿ÚÉè¼ÆÓÃÓÚÖ±½ÓÁ¬½ÓGPIO,´Ó¶ø¼ò»¯Ó²¼þʵʩ¡£¼òµ¥µÄË«Òý½Å¼Ü¹¹Ê¹µÃNST1002Æ÷¼þ¿ÉÇáËÉת»»³ÉË«ÏßζÈ̽Õë¡£
²úÆ·ÌØÐÔ
? ¹¤×÷ζȷ¶Î§: ?50¡æÖÁ150¡æ
? -50¡æ~150¡æÄÚ±£³Ö¸ß¾«¶È
DFN-2L
0¡æ~85¡æ·¶Î§ÄÚ¾«¶È£º¡À0.1¡æ (µäÐÍÖµ) ¡À0.25¡æ (×î´óÖµ)
-40¡æ~125¡æ·¶Î§ÄÚ¾«¶È£º¡À0.5¡æ (×î´óÖµ)
-40¡æ~150¡æ·¶Î§ÄÚ¾«¶È£º¡À0.5¡æ (×î´óÖµ)@3.3V
TO-92S-2L
0¡æ~85¡æ·¶Î§ÄÚ¾«¶È£º¡À0.2¡æ (µäÐÍÖµ)
-20¡æ~85¡æ·¶Î§ÄÚ¾«¶È£º¡À0.35¡æ (×î´óÖµ)
-40¡æ~125¡æ·¶Î§ÄÚ¾«¶È£º¡À0.7¡æ (×î´óÖµ)
-40¡æ~150¡æ·¶Î§ÄÚ¾«¶È£º¡À0.7¡æ (×î´óÖµ)@3.3V
? ¸ß·Ö±æÂÊ£º0.0078125¡æ£¨1 LSB£©
? ¿ìËÙζÈÏìÓ¦£º¹èÓͦÓ63%0.27S£¨DFN2L£©
? µ¥´ÎζÈת»»Ê±¼ä£º32ms
? ³¬µÍ¹¦ºÄ£º¹¤×÷µçÁ÷30?A£¬Áã´ý»ú¹¦ºÄ
? µçÔ´µçѹ·¶Î§£º1.7Vµ½5.5V
? µ¥×ÜÏßÐÒéÊý×ÖÊä³ö£¬ÎÞÐèADת»»½Ó¿Ú
? Ö§³ÖË«Òý½Å¼ò»¯Î¶ȲâÁ¿·½°¸
? DFN2L³¬Ð¡·â×°£¬Óë0603µç×è³ß´çÏàͬ
Ó¦Óó¡¾°
? µç±í
? È¼Æø±í²âÎÂ
? ÖÇÄÜÂíͰ
? С¼Òµç
? ѪÌÇÒÇ
? Êý×ÖζÈ̽ͷ
? ÖÇÄܿɴ©´÷
? ¹¤ÒµÎïÁªÍø
? µç³ØÎ¶ȼì²â
¹¦ÄÜ¿òͼ


ÈçÄúÐèÒª×Éѯ²úÆ·¸ü¶àÐÅÏ¢£¬Çëµã»÷¡°ÒøºÓ¼¯ÍÅgalaxy¡±£¬ÎÒÃǽ«¾¡¿ì»Ø¸´Äú!