我们非常重视您的个人隐私,当您访问我们的网站时,请同意使用的所有cookie。有关个人数据处理的更多信息可访问《隐私政策》

产品中心
温度传感器

产品中心

工业标准封装的I2C接口数字温度传感器

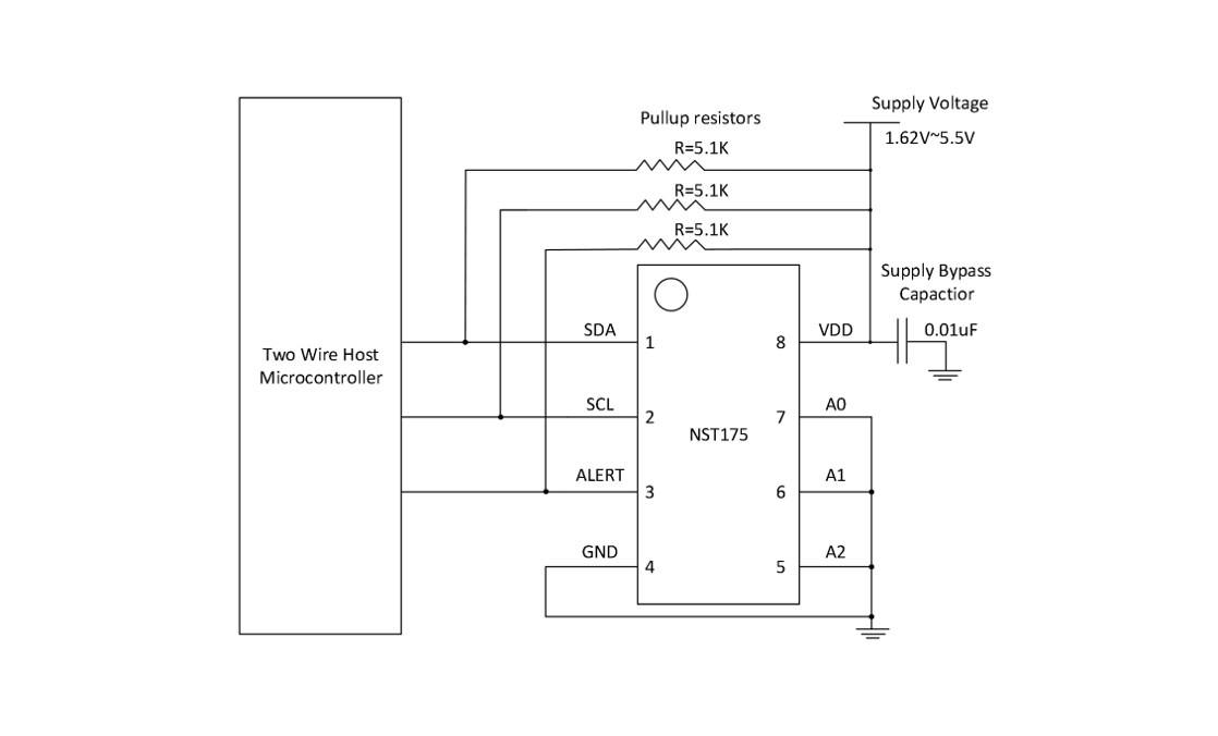
NST175是一款低功耗高精度数字温度传感器,是负温度系数(NTC)和正温度系数(PTC)热敏电阻的理想替代产品。该器件无需校准或外部组件信号调节即可提供典型值为±0.5℃的精度。NST175温度传感器为高度线性化产品,无需复杂计算或查表即可得知温度。片上12位模数转换器(ADC)提供低至 0.0625℃的分辨率。NST175兼容SMBus和I2C接口,允许一条总线上最多连接27个器件,支持SMBus报警功能。NST175温度工作范围为-40℃至125℃,是各种通信、计算机、消费类产品、物联网、环境、工业和仪器应用中扩展温度测量的理想选择。NST175 采用行业标准的MSOP8和SOP8封装。

产品特性

?  全温域内保持高精度:

   - -20℃~ 85℃: ±0.5℃(典型值)

   - -55℃~-20℃: ±2℃(最大值)

   - 85℃~125℃: ±2℃(最大值)

?  最高分辨率0.0625℃,用户可选

?  支持27个器件地址

?  宽电源电压范围:1.62V至5.5V

?  工作电流: 30μA(典型值)

?  静态电流: 0.1μA (典型值)

?  数字接口: SMBus, I2C 兼容


应用场景

?  系统温度监测

?  计算机外设过热保护

?  笔记本电脑

?  物联网应用

?  通信设备

?  电源温度监控

?  恒温器控制

?  环境监测和供热通风与空气调节(HVAC)

功能框图

175-1.jpg

如您需要咨询产品更多信息,请点击“银河集团galaxy”,我们将尽快回复您!

sitemap地图