ÎÒÃǷdz£ÖØÊÓÄúµÄ¸öÈËÒþ˽£¬µ±Äú·ÃÎÊÎÒÃǵÄÍøÕ¾Ê±£¬ÇëͬÒâʹÓõÄËùÓÐcookie¡£ÓйظöÈËÊý¾Ý´¦ÀíµÄ¸ü¶àÐÅÏ¢¿É·ÃÎÊ¡¶Òþ˽Õþ²ß¡·
NSOPA082 Ïà½ÏÓÚ TL084 É豸ÌṩÐÐÒµÁìÏȵÄÐÔÄÜ¡£ÕâЩÉ豸ÔÚ¾ßÓгɱ¾Ãô¸ÐÐÔµÄÓ¦ÓÃÖбíÏÖ³öÉ«£¬¾ßÓÐµÍÆ«ÒÆ£¨µäÐÍÖµ 0.5mV£©¡¢¸ßת»»ÂÊ£¨30V/¦Ìs£©ÒÔ¼°¹²Ä£ÊäÈëÖÁÕýµçÔ´¶ËµÄÌØÐÔ¡£¸ß¾²µç·Åµç£¨2kV£¬HBM£©¡¢¼¯³ÉµÄ EMI ºÍ RF Â˲¨Æ÷£¬ÒÔ¼°ÔÚ-40¡ã C ÖÁ 125¡ã C µÄȫζȷ¶Î§ÄÚµÄÔËÐÐÄÜÁ¦£¬Ê¹ NSOPA082 É豸Äܹ»ÔÚ×î¿Á¿ÌµÄÓ¦Óû·¾³ÖÐʹÓá£
²úÆ·ÌØÐÔ
? ¸ßת»»ÂÊ£º30 V/¦Ìs£¨µäÐÍÖµ£©
? µ¥Î»ÔöÒæ´ø¿í£º6 MHz
? µÍÆ«ÒÆµçѹ£º0.5 mV£¨µäÐÍÖµ£©
? µÍÆ«ÒÆµçÑ¹Æ¯ÒÆ£º1 ¦ÌV/¡ã C£¨µäÐÍÖµ£©
? µÍ¹¦ºÄ£º1200 ¦ÌA/ͨµÀ(µäÐÍÖµ)
? ¸ß¹²Ä£ÒÖÖÆ±È£¨CMRR£©£º109 dB
? ¿í¹²Ä£ºÍ²î·Öµçѹ·¶Î§
? ¹²Ä£ÊäÈëµçѹ·¶Î§°üÀ¨ V+
? µÍÊäÈëÆ«ÖõçÁ÷ºÍÆ«ÒÆµçÁ÷
? µÍÔëÉù£ºen = 15 nV/ ¡Ì Hz£¨µäÐÍÖµ£©@ 10 kHz
? Êä³ö¶Ì·±£»¤
? µÍ×Üг²¨Ê§Õ棺-105 dB£¨µäÐÍÖµ£©
? Âö³åÓѺÃ/ ±È½ÏÆ÷ÊäÈë
? ·Å´óÆ÷¿ÉÓÃÓÚ¿ª»·»ò×÷Ϊ±È½ÏÆ÷
? ¿íµçÔ´µçѹ·¶Î§£º¡À2.25 V ÖÁ ¡À18 V£¬4.5 V ÖÁ 36 V
? ·ûºÏ RoHS ºÍ REACH ±ê×¼
Ó¦Óó¡¾°
? ͨÓ÷Ŵó
? ¹¦ÂÊ¿ØÖƺͼà²â
? ÓÐÔ´Â˲¨Æ÷
? ¹¤Òµ/¹ý³Ì¿ØÖÆ
? Êý¾Ý²É¼¯
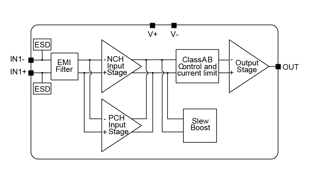
¹¦ÄÜ¿òͼ


ÈçÄúÐèÒª×Éѯ²úÆ·¸ü¶àÐÅÏ¢£¬Çëµã»÷¡°ÒøºÓ¼¯ÍÅgalaxy¡±£¬ÎÒÃǽ«¾¡¿ì»Ø¸´Äú!