ÎÒÃǷdz£ÖØÊÓÄúµÄ¸öÈËÒþ˽£¬µ±Äú·ÃÎÊÎÒÃǵÄÍøÕ¾Ê±£¬ÇëͬÒâʹÓõÄËùÓÐcookie¡£ÓйظöÈËÊý¾Ý´¦ÀíµÄ¸ü¶àÐÅÏ¢¿É·ÃÎÊ¡¶Òþ˽Õþ²ß¡·
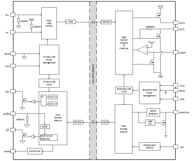
NSI67x0 ÊÇÒ»¿îÖÇÄܸôÀëʽµ¥Í¨µÀÕ¤¼«Çý¶¯Æ÷£¬×¨ÎªÇý¶¯IGBT¡¢¹¦ÂÊMOSFET ºÍSiC MOSFET µÈ¹¦Âʾ§Ìå¹Ü¶øÉè¼Æ£¬Ìṩ׿ԽµÄ±£»¤¹¦ÄÜÒÔÈ·±£°²È«ÔËÐС£Ëü¿ÉÌṩ·ÖÀëÊä³ö£¬·Ö±ð¿ØÖÆÉÏÉýºÍϽµÊ±¼ä£¬ÇÒÖ§³Ö¹ìµ½¹ìÊä³ö£¬²¢Ìṩ×î´ó10A/10A µÄÀ¹àµçÁ÷ÄÜÁ¦¡£NSI67x0 ¼¯³ÉÁËÈ«ÃæµÄ±£»¤¹¦ÄÜ£¬°üÀ¨Ç·Ñ¹±£»¤£¨UVLO£©¡¢Ã×ÀÕǯ루Miller Clamp£©¡¢DESAT ±£»¤ºÍÈí¹Ø¶Ï£¬²¢ÄÜͨ¹ý¶ÀÁ¢Òý½Å±¨¸æ¶Ì·»òǷѹ¹ÊÕÏ¡£
NSI67x0 ¼¯³É¸ôÀë²ÉÑù¹¦ÄÜ£¬Ö§³ÖNTC »òĸÏßµçѹ²ÉÑù£¬½øÒ»²½ÌáÉýÁËÇý¶¯Æ÷µÄ¼¯³É¶È£¬¼ò»¯ÏµÍ³Éè¼Æ£¬¼õÉÙϵͳ³ß´çºÍ³É±¾¡£Ëü¾ßÓÐÖÁÉÙ150kV/¦Ìs µÄ¹²Ä£Ë²±ä¿¹ÈŶȣ¨CMTI£©£¬ÔöÇ¿ÁËϵͳµÄ³°ôÐÔ¡£Çý¶¯Æ÷²àµÄ×î´óÄÍѹΪ36V£¬ÊäÈë²àÖ§³Ö3V ÖÁ5.5V µÄµçÔ´µçѹ¡£NSI67x0 ÒÔÆä¸ßÇý¶¯µçÁ÷¡¢¿íµçÔ´µçѹ·¶Î§¡¢¸ßCMTI ºÍÓÅÒìµÄ±£»¤¹¦ÄÜ£¬ÊÊÓÃÓڸ߿ɿ¿ÐÔ¡¢¸ß¹¦ÂÊÃܶȺ͸ßЧÂʵĿª¹ØµçԴϵͳ¡¢Äæ±äÆ÷µÈÓ¦Óá£
²úÆ·ÌØÐÔ
? ¼¯³ÉDESAT±£»¤¹¦ÄܵÄÖÇÄܸôÀëʽµ¥Í¨µÀÇý¶¯Æ÷
? ÊäÈë²àµçÔ´µçѹ: 3VÖÁ5.5V
? Çý¶¯Æ÷²àµçÔ´µçѹ:×î´óÄÍѹ38V£¬¾ßÓÐUVLO¹¦ÄÜ
? ·åÖµ10A/10AÀ¹àµçÁ÷ÄÜÁ¦
? ¸ßCMTI:150kV/¦Ìs
? 80nsµäÐÍ´«²¥ÑÓ³Ù
? 30ns×î´óÂö³å¿í¶ÈÊ§Õæ
? ½ÓÊÜ×îСÊäÈëÂö³å¿í¶È40ns
? ¹ì¶Ô¹ìÊä³ö£¬¿ÉÑ¡·ÖÀëÊä³ö·½Ê½
? ±£»¤Ä£Ê½£º
-NSI6713Ö§³ÖÔ¸±±ßASC£¬NSI6711Ö§³Ö¸±±ß ASC
-Ã×ÀÕǯλ£º5.7A
-DESAT±£»¤£¬ãÐÖµ9V
-Ö§³ÖÈí¹Ø¶Ï¹¦ÄÜ£¬Èí¹Ø¶ÏµçÁ÷135mA¡¢420mA¿ÉÑ¡
-Ö§³Ö¹ÊÕϱ¨¾¯ÒÔ¼°¸´Î»»òʹÄÜ
? ¹¤×÷ζÈ: -40¡æ~125¡æ
°²È«ÈÏÖ¤
? UL1577ÈÏÖ¤:1·ÖÖÓ5.7kVrms
? CQCÈÏÖ¤:·ûºÏGB4943.1
? CSAÈÏÖ¤:×é¼þ·ûºÏ5A
? VDEÈÏÖ¤:DINVDEV0884-17
Ó¦Óó¡¾°
? EV µçÇýϵͳ
? ¿Õµ÷ѹËõ»ú
? DC-ACÌ«ÑôÄÜÄæ±äÆ÷
? µç»úÇý¶¯
? UPSºÍµç³Ø³äµçÆ÷
¹¦ÄÜ¿òͼ


ÈçÄúÐèÒª×Éѯ²úÆ·¸ü¶àÐÅÏ¢£¬Çëµã»÷¡°ÒøºÓ¼¯ÍÅgalaxy¡±£¬ÎÒÃǽ«¾¡¿ì»Ø¸´Äú!