ÎÒÃǷdz£ÖØÊÓÄúµÄ¸öÈËÒþ˽£¬µ±Äú·ÃÎÊÎÒÃǵÄÍøÕ¾Ê±£¬ÇëͬÒâʹÓõÄËùÓÐcookie¡£ÓйظöÈËÊý¾Ý´¦ÀíµÄ¸ü¶àÐÅÏ¢¿É·ÃÎÊ¡¶Òþ˽Õþ²ß¡·
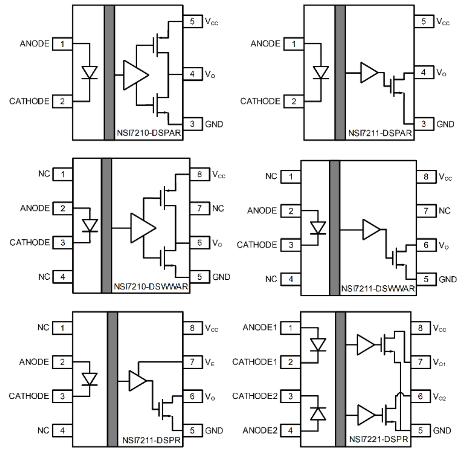
NSI72xxϵÁÐÊǸßËÙµ¥Í¨µÀºÍ˫ͨµÀ¹âñî·ÂÕæÆ÷£¬Í¨¹ýÁË UL1577 ÈÏÖ¤£¬Ö§³Ö 3750/7500Vrms ¾øÔµÄÍѹ¡£NSI72xx ϵÁпÉÔÚ 3.3V ºÍ 5V µçÔ´µçѹϹ¤×÷£¬ÌṩÁ½ÖÖÂß¼Êä³öÑ¡Ï CMOS Êä³öºÍ¿ªÂ©Êä³ö¡£NSI72xx µÄÊý¾Ý´«ÊäËÙÂʸߴï 15Mbps£¬¹²Ä£Ë²Ì¬¿¹ÈÅ¶È (CMTI) ¸ß´ï 100kV/¦Ìs¡£ÕâЩÆ÷¼þÒý½Å¼æÈÝ£¬¿ÉÈ¡´úÐí¶à´«Í³¹âñîºÏÆ÷£¬ÎÞÐèÖØÐÂÉè¼Æ PCB ¼´¿ÉÔöÇ¿¹¤Òµ±ê×¼·â×°¡£
²úÆ·ÌØÐÔ
? ¾øÔµµçѹ¸ß´ï 3750Vrms£º SOP5, SOP8
? ¸ß´ï 7500Vrms ¾øÔµµçѹ£º SOP8£¨600mil£©
? Êý¾Ý´«ÊäËÙÂÊ Ö±Á÷ÖÁ 15Mbps
? µçÔ´µçѹ£º2.7V ÖÁ 5.5V
? ¸ß CMTI£º100kV/¦Ìs
? оƬ¼¶ ESD£ºHBM£º¡À8kV
? µ¥»òË«¶þ¼«¹ÜÄ£ÄâÆ÷ÊäÈë
? Êä³öÑ¡Ï NSI7210: CMOS; NSI7221/ NSI7211: ¿ªÂ·Â©¼«
? µÍ´«²¥ÑÓ³Ù£º <70ns
? ¹¤×÷ζȣº-40¡ãC ~125¡ãC
? ·ûºÏ RoHS ¹æ·¶µÄ·â×°£º SOP5¡¢SOP8¡¢SOP8£¨600mil£©
°²È«ÈÏÖ¤
? UL ÈÏÖ¤£º
SOP5: 3750Vrms 1 ·ÖÖÓ£¬·ûºÏ UL1577 ±ê×¼
SOP8£º3750Vrms£¬1 ·ÖÖÓ£¬·ûºÏ UL1577 ±ê×¼
SOP8 (600mil)£º ¸ù¾Ý UL1577 ±ê×¼£¬1 ·ÖÖÓÄÚµçѹΪ 7500Vrms
? ͨ¹ý GB4943.1 µÄ CQC ÈÏÖ¤
? CSA ×é¼þ֪ͨ 5A ÈÏÖ¤ IEC60950-1 ±ê×¼
? DIN EN IEC 60747-17 (VDE 0884-17)
Ó¦Óó¡¾°
? ¹¤Òµ×Ô¶¯»¯ÏµÍ³
? µç»ú¿ØÖÆ
? µçÔ´
? ¸ôÀëÏß·½ÓÊÕÆ÷
¹¦ÄÜ¿òͼ


ÈçÄúÐèÒª×Éѯ²úÆ·¸ü¶àÐÅÏ¢£¬Çëµã»÷¡°ÒøºÓ¼¯ÍÅgalaxy¡±£¬ÎÒÃǽ«¾¡¿ì»Ø¸´Äú!