ÎÒÃǷdz£ÖØÊÓÄúµÄ¸öÈËÒþ˽£¬µ±Äú·ÃÎÊÎÒÃǵÄÍøÕ¾Ê±£¬ÇëͬÒâʹÓõÄËùÓÐcookie¡£ÓйظöÈËÊý¾Ý´¦ÀíµÄ¸ü¶àÐÅÏ¢¿É·ÃÎÊ¡¶Òþ˽Õþ²ß¡·
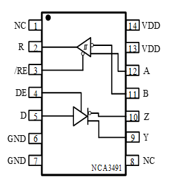
NCA3491ÊÇÒ»¿îȫ˫¹¤RS485ÊÕ·¢Æ÷¡£´ËÆ÷¼þ¾ßÓÐ1/8µ¥Î»¸ºÔصĽÓÊÕÆ÷ÊäÈë×迹£¬¿ÉÖ§³Ö¶à´ï256¸ö×ÜÏ߽ڵ㣬Êý¾ÝËÙÂʿɴï12Mbps¡£NCA3491µÄ×ÜÏß²àµÄ×ÜÏßÒý½Å¶ÔµØÓµÓСÀ10kVµÄϵͳ¼¶ESDµÄ±£»¤¡£´Ë²úÆ·¾ßÓйÊÕϰ²È«¹¦Äܵç·£¬µ±½ÓÊÕÆ÷ÊäÈë¶Ï¿ª»ò¶Ì·ʱ£¬È·±£½ÓÊÕÆ÷Êä³öÂß¼¸ß¡£
Ïà¹Ø×ÊÔ´

ÈçÄúÐèÒª×Éѯ²úÆ·¸ü¶àÐÅÏ¢£¬Çëµã»÷¡°ÒøºÓ¼¯ÍÅgalaxy¡±£¬ÎÒÃǽ«¾¡¿ì»Ø¸´Äú!