ÎÒÃǷdz£ÖØÊÓÄúµÄ¸öÈËÒþ˽£¬µ±Äú·ÃÎÊÎÒÃǵÄÍøÕ¾Ê±£¬ÇëͬÒâʹÓõÄËùÓÐcookie¡£ÓйظöÈËÊý¾Ý´¦ÀíµÄ¸ü¶àÐÅÏ¢¿É·ÃÎÊ¡¶Òþ˽Õþ²ß¡·
NSPAS3MϵÁÐÊÇÒøºÓ¼¯ÍÅgalaxyÕë¶ÔĦÍгµ½øÆøÆç¹ÜѹÁ¦´«¸ÐÆ÷Êг¡£¬ÍƳöµÄÑǺÁÃë¼¶ÏìÓ¦µÄ¾øÑ¹´«¸ÐÆ÷²úÆ·¡£¸Ã²úÆ·²ÉÓÃÆû³µ¼¶Ðźŵ÷ÀíоƬ¶ÔMEMSоÌåÊä³ö½øÐÐУ׼ºÍ²¹³¥£¬Äܽ«10kPa ÖÁ400kPaµÄѹÁ¦ÐźÅת»»Îª¿É×Ô¶¨ÒåÊä³ö·¶Î§£¨0~5V£©µÄÄ£ÄâÊä³öÐźš£±£Ö¤²úÆ·ÓÅÒì¿É¿¿ÐÔµÄͬʱ£¬½«Á½¿ÅоƬ½øÐм¯³É·â×°£¬´ó´ó¼õСÁË·â×°³ß´ç¡£Í¬Ê±£¬µ÷Àí¹ýµÄ²úÆ·¿ÉÔÚζȷ¶Î§ÄÚÌṩ¾«¶È·¶Î§Äڵıê×¼Êä³ö£¬ÃâÈ¥Á˿ͻ§¶Ô´«¸ÐÆ÷½øÐÐУ׼µÄÃż÷£¬¼ÓËÙ²úÆ·Ñз¢ºÍÁ¿²úµÄ½ø³Ì£¬²úÆ··ûºÏAEC-Q100¿É¿¿ÐÔ±ê×¼¡£
²úÆ·ÌØÐÔ
? ¿í¹¤×÷ζȷ¶Î§-40¡æ~125¡æ
? È«ÎÂÓòÄڸ߾«¶È£º
0¡æ~85¡æÄÚÓÅÓÚ¡À1.5%F.S.
-40¡æ~125¡æÄÚÓÅÓÚ¡À2%F.S.
? Ö§³Ö-24V~28V¹ý·´Ñ¹±£»¤ÄÜÁ¦
? Ö§³Ö5V¹©µç¼°¾ø¶ÔµçѹÊä³öģʽÏÂ18VÒÔÄÚÖ±½Ó¹©µç
? º¬·úÄý½º±£»¤,¼æÈÝÓÍÆø»·¾³
? ÓÅÓÚ1msµÄ¿ìËÙÏìӦʱ¼ä
? Ö§³Ö¾ø¶ÔÊä³ö/±ÈÀýÊä³ö£¬Êä³öÇúÏ߿ɶ¨ÖÆ
? ѹÁ¦Á¿³Ì10kPa~400kPa¿É¶¨ÖÆ
? AEC-Q100ÈÏÖ¤
? ·â×°£ºSOP-8 (7.0mm x 7.0mm)
Ó¦Óó¡¾°
? Æû³µ£ºÄ¦Íгµ½øÆøÆç¹ÜѹÁ¦´«¸ÐÆ÷£»ECU/VCU´óÆøÑ¹Á¦¼ì²â£»×ùÒÎÆøÄÒѹÁ¦¼ì²â£»Ì¼¹ÞÍѸ½Ñ¹Á¦¼ì²âµÈ
? ¹¤Òµ£ºÈ¼Æø/Àäýй¶¼ì²â£»Ñ¹Á¦±äËÍÆ÷£»¹¤ÒµÕæ¿Õ¶È¼ì²âµÈ
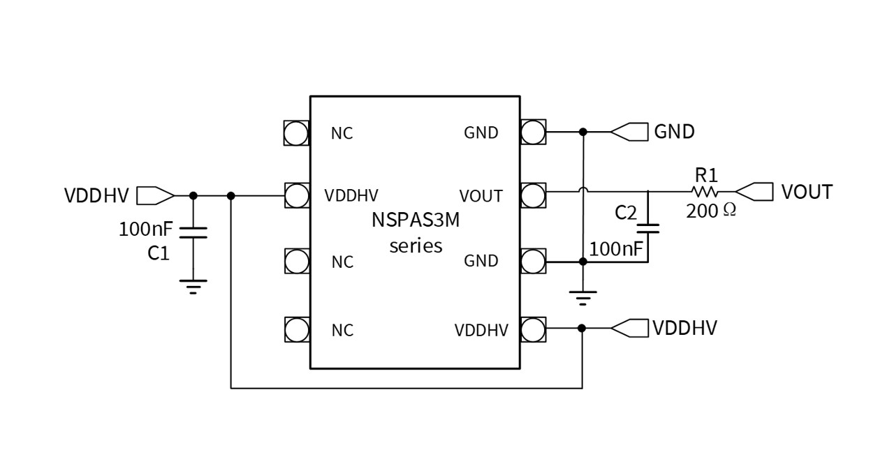
¹¦ÄÜ¿òͼ

NSPAS3MϵÁй¦ÄÜ¿òͼ£¨Ä£ÄâÊä³ö£©

ÈçÄúÐèÒª×Éѯ²úÆ·¸ü¶àÐÅÏ¢£¬Çëµã»÷¡°ÒøºÓ¼¯ÍÅgalaxy¡±£¬ÎÒÃǽ«¾¡¿ì»Ø¸´Äú!