ÎÒÃǷdz£ÖØÊÓÄúµÄ¸öÈËÒþ˽£¬µ±Äú·ÃÎÊÎÒÃǵÄÍøÕ¾Ê±£¬ÇëͬÒâʹÓõÄËùÓÐcookie¡£ÓйظöÈËÊý¾Ý´¦ÀíµÄ¸ü¶àÐÅÏ¢¿É·ÃÎÊ¡¶Òþ˽Õþ²ß¡·
NSPGS5ϵÁÐÊÇÒøºÓ¼¯ÍÅgalaxyÕë¶Ô±íѹѹÁ¦Êг¡£¬ÍƳöµÄ¾¹ýУ׼µÄ´«¸ÐÆ÷ϵÁвúÆ·¡£¸ÃϵÁвúÆ·²ÉÓøßÐÔÄÜÐźŵ÷ÀíоƬ¶ÔÏȽøµÄMEMSѹ×èоÌå½øÐÐζȺÍѹÁ¦µÄУ׼ºÍ²¹³¥£¬±£Ö¤ÐÔÄܺͿɿ¿ÐÔµÄͬʱ¶Ô·â×°½øÐÐÁ˼¯³É£¬²ÉÓÃJEDC±ê×¼SOIC-16·â×°ÐÎʽ£¬µ¥¶Ë¿ÚÆø×ìÉèÖ㬷½±ã¿Í»§º¸½ÓºÍʹÓá£NSPGS5ϵÁм¯³ÉѹÁ¦´«¸ÐÆ÷¿ÉÑ¡Á¿³Ì-10kPa ~ +10kPa£¬Ö§³ÖÄ£ÄâÊä³ö£¬ÊÊÓÃÓÚÓëѹÁ¦Ãô¸ÐÔª¼þ½á¹¹²ÄÁÏÏà¼æÈݵķǸ¯Ê´ÐÔÆøÌåµÄѹÁ¦¼ì²â£¬ÊʺÏÏû·Ñ¡¢Ò½ÁÆ¡¢¹¤Òµ¼°ÎïÁªÍøµÈÁìÓò¡£
²úÆ·ÌØÐÔ
? ¹©µçµçѹ3V~5.5V
? ¹¤×÷ζȷ¶Î§-20¡æ-85¡æ
? ¿É¶¨ÖÆÁ¿³Ì -10kPa~+10kPa
? È«ÎÂÓò×ۺϾ«¶ÈÓÅÓÚ¡À1%F.S.
? Êä³öģʽ¿ÉÑ¡£¨Ä£Äâ/I2CÊý×ÖÊä³ö£©
? ¸ßÎȶ¨ÐÔ£¬100%У׼£¬Î¶Ȳ¹³¥
? µ¥´¹Ö±Æø×ì·â×°£¬°²×°Àο¿£¬Ò×ÃÜ·â
? ·â×°£ºSOIC-16 (7.5mm x 10.3mm)
Ó¦Óó¡¾°
? Ò½ÁÆ£ººôÎü»ú£¬ÑªÑ¹¼Æ£¬ÖÆÑõ»ú£¬Âé×íÒÇ£¬ÉúÎﰲȫ¹ñ
? ¹¤Òµ£ºÑ¹Á¦¿ª¹Ø£»¸ºÑ¹Õæ¿Õ¼ì²â£»ÆøÌåѹÁ¦¼ì²â
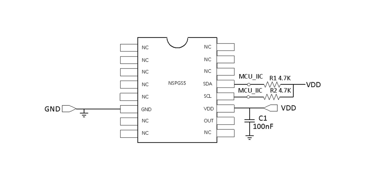
¹¦ÄÜ¿òͼ

NSPGS5ϵÁй¦ÄÜ¿òͼ£¨I2CÊä³ö£©
Ïà¹Ø×ÊÔ´

ÈçÄúÐèÒª×Éѯ²úÆ·¸ü¶àÐÅÏ¢£¬Çëµã»÷¡°ÒøºÓ¼¯ÍÅgalaxy¡±£¬ÎÒÃǽ«¾¡¿ì»Ø¸´Äú!