NOVOSENSEはキャパシタンス絶縁技術に基づく絶縁式コンパレータNSI22C1xシリーズのリリースを発表しました。同シリーズは、過電圧?過熱保護用の絶縁式シングルエンドコンパレータNSI22C11と過電流保護用の絶縁式ウィンドウコンパレータNSI22C12が含まれます。NSI22C1xシリーズは産業用モーター駆動、光起インバータ、無停電電源、車載充電機の過電圧、過熱及び過電流の保護に使用できます。システム信頼性を高める前提で、より高電力密度のシステム設計をサポートすると同時に、周辺回路を簡略化し、従来のディスクリート方式と比較してシステム保護回路のサイズを60%縮小できます。
産業用モーター駆動システムを例として、今はより高い効率、より高電力密度とより高信頼性の方向に向かって発展しています。同時に、SiCとGaNを始めとするワイドバンドギャップ半導体がパワーデバイスにおける応用に伴い、システムの信頼性、特に過電流と短絡保護の応答時間に対してもっと高い要求が提出されました。NOVOSENSEがリリースした絶縁式コンパレータNSI22C1xシリーズは、産業用モーターシステムの高信頼性、高効率、コンパクト設計に対する日増しに高まる要求に応えられます。

超低保護遅延と超高CMTIにより、高い電源密度を実現
産業用モーター駆動システムの応用環境は比較的に複雑かつ劣悪の原因で、シュートスルー、相間短絡、接地短絡などの突発状況が発生する可能性があり、過大な電流がモーター駆動システムに流れ込み、さらに駆動器を破損させる恐れがあります。従来の過電流検出設計は汎用コンパレータと絶縁オプトカプラのディスクリート方式を採用し、応答時間は3~5μsの間だが、パワーデバイスがシリコン基のIGBTから第三世代半導体SiCとGaNに転換することに伴い、その短絡耐受時間は1μs内まで短縮し、従来の方案はすでに満足できなくなります。

VIN(CH1)、VOUT(CH2)、VREF=320mV(保護しきい値)、NSI22C12保護遅延実測144ns
同時に、汎用オペアンプ/コンパレータのコモンモード電圧の耐受能力は限ら、DC+過電流と相電流過電流検出などの応用では比較的制限があるため、DC-過電流だけを監視すれば、モータケーシングの対地短絡の故障状況をカバーすることができません。NOVOSENSEの絶縁式コンパレータNSI22C12はシングルチップ式絶縁過電流保護方案を提供し、より全面的な故障シーンをカバーでき、最大250nsの保護遅延と双方向過電流保護をサポートできます。同時に、150kV/μsまでのCMTI(Common-Mode Transient Immunity、コモンモード過渡イミュニティー)を提供することより、システムの信頼性を大幅に向上させ、産業用モータードライブシステムの高電力密度設計をサポートします。

VIN=0V、VOUT(CH1)、CMTI(CH3)=150kV/μs、VOHmin=2.40V>0.7*VDD2(VDD2=3.3V)
NSI22C12の1次側と2次側が150kV/μsまでのCMTIを受ける際、出力側は依然として高レベルを保持し、誤って過電流保護を触発することはありません
システム設計を簡略化し、システム保護回路のサイズを60%縮小
産業用モータ駆動システムにおいて、汎用コンパレータと絶縁オプトカプラに基づく過電流保護方案の部品表は27個もあり、多数のディスクリート部品で構成された周辺回路のシステム故障率は相対的に高いです。NSI22C12絶縁式コンパレータは高電圧LDOを集積し、1次側の給電範囲は3.1~27Vまでサポートし、お客様のために余計な降圧部品を節約できます。同時に、NSI22C12は100μA±1.5%の高精度参照電流源を集積し、お客様が周辺回路で単一の抵抗だけで±20mV~±320mVの双方向しきい値調整を実現することができます。
高集積設計のもとで、NSI22C12絶縁式コンパレータを採用した過電流保護設計は部品表を11個までに削減でき、システム保護回路のサイズを60%縮小し、ディスクリート部品の使用を大幅に減少し、システム設計の難しさを簡略化し、さらにシステムの信頼性を向上しました。同時に、一部の快速保護の需要を応える必要があるシステムの中で、NSI22C12絶縁コンパレータを使用するソリューションは、高速オプトカプラの使用を削減し、お客様によりコスト効率の高い設計オプションを提供します。

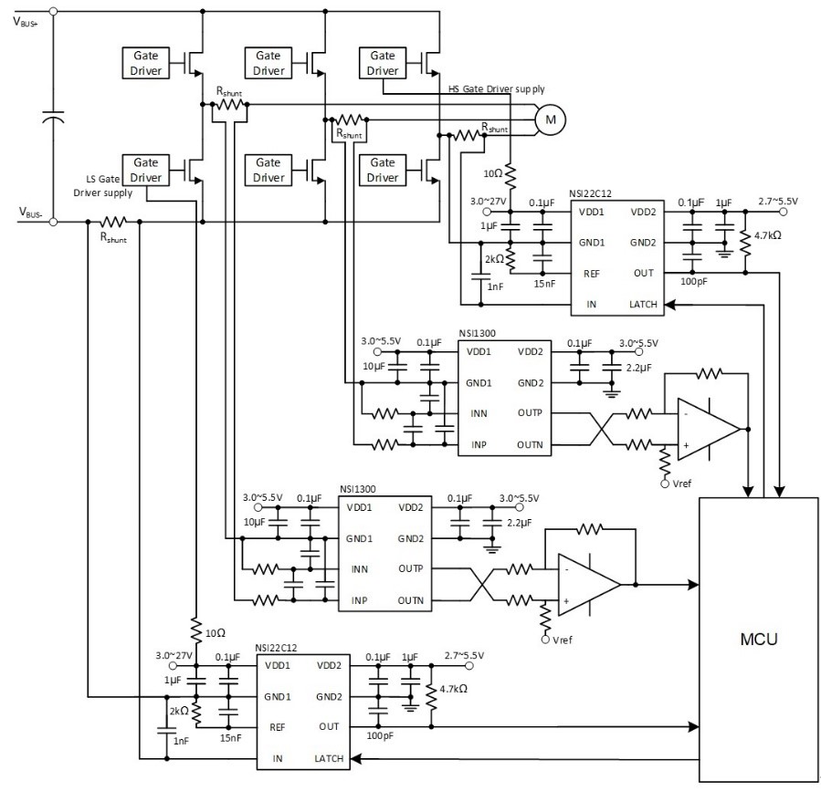
NSI22C12をモーター駆動システムにおいて母線/相電流保護とする一般的な応用ブロック図
絶縁式シングルエンドコンパレータNSI22C11と絶縁式ウィンドウコンパレータNSI22C12は基本絶縁をサポートするSOP8パッケージと強化絶縁をサポートするSOW8パッケージの二つのパッケージ形式を提供します。また、NSI22C1xシリーズは、–40°C~125°Cの広い作動温度範囲をサポートしています。現在、産業グレードバージョンのNSI22C1xシリーズは現在量産中で、AEC-Q100に準拠した車載グレードバージョンは2024年下半期にリリースする予定です。