我们非常重视您的个人隐私,当您访问我们的网站时,请同意使用的所有cookie。有关个人数据处理的更多信息可访问《隐私政策》
产品特性
- 隔离式单通道驱动器
- 输入侧电源电压:3.1V至17V
- 驱动器侧电源电压:最大耐压35V,具有UVLO功能
- 支持Miller Clamp功能, 电流高达5A
- 5A/5A峰值拉灌电流
- 高CMTI:150kV/μs
- 75ns典型传播延迟
- 工作环境温度:-40℃~125℃
- AEC-Q100
安全认证
- UL认证:
SOP8:1分钟3000Vrms
SOW8:1分钟5700Vrms
- VDE认证:DIN VDE V 0884-11:2017-01
- CSA认证:CSA组件通知5A批准
- CQC认证:符合GB4943.1-201
应用场景
? 光伏逆变器
? 电机驱动
? UPS电源和电池充电器
? 隔离DC/DC和AC/DC电源
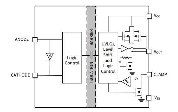
功能框图


如您需要咨询产品更多信息,请点击“银河集团galaxy”,我们将尽快回复您!