ÎÒÃǷdz£ÖØÊÓÄúµÄ¸öÈËÒþ˽£¬µ±Äú·ÃÎÊÎÒÃǵÄÍøÕ¾Ê±£¬ÇëͬÒâʹÓõÄËùÓÐcookie¡£ÓйظöÈËÊý¾Ý´¦ÀíµÄ¸ü¶àÐÅÏ¢¿É·ÃÎÊ¡¶Òþ˽Õþ²ß¡·

²úÆ·ÖÐÐÄ
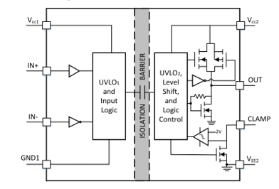
¸ôÀëµ¥¹ÜÇý¶¯

²úÆ·ÖÐÐÄ

¼¯³ÉÃ×ÀÕǯλ¹¦Äܵĵ¥Í¨µÀ¸ôÀëʽդ¼«Çý¶¯Æ÷

NSI6601MÊǵ¥Í¨µÀ¸ôÀëʽդ¼«Çý¶¯Æ÷£¬ÊÊÓÃÓÚÇý¶¯IGBT£¬¹¦ÂÊMOSFETºÍSiC MOSFETÔÚÐí¶àÓ¦ÓÃÖС£ Ìṩ·ÖÁ¢Êä³öÓÃÓÚ·Ö±ð¿ØÖÆÉÏÉýºÍϽµÊ±¼ä¡£ Ëü¿ÉÒÔÌṩ5A/5AµÄÀ­¹àµçÁ÷·åÖµµçÁ÷²¢ÌṩÃÖÀÕǯλ¹¦ÄÜ£¬·ÀÖ¹¸ßdi/dtÇé¿öÏÂÎóµ¼Í¨¡£×îµÍ150kV / ¦Ìs¹²Ä£Ë²±ä¿¹ÈŶȣ¨CMTI£©È·±£ÁËϵͳ³°ôÐÔ¡£Çý¶¯Æ÷µÄ×î´óµçÔ´µçѹΪ32V£¬ÊäÈë²àΪ3.1VÖÁ17VµçÔ´µçѹ¹©µç¡£ ËùÓеçÔ´Òý½Å¾ùÖ§³ÖÇ·Ñ¹Ëø¶¨£¨UVLO£©±£»¤¡£NSi6601M¾ßÓиßÇý¶¯µçÁ÷£¬³öÉ«µÄÄÍÓÃÐÔ£¬¿í¹ãµÄµçÔ´µçѹ·¶Î§ºÍ¿ìËÙÐźŴ«²¥£¬ÊÊÓÃÓڸ߿ɿ¿ÐÔ£¬¸ß¹¦ÂÊÃܶȺ͸ßЧÂÊ¿ª¹ØµçԴϵͳ¡£

²úÆ·ÌØÐÔ

? ¸ôÀëʽµ¥Í¨µÀÇý¶¯Æ÷

? ÊäÈë²àµçÔ´µçѹ£º3.1VÖÁ17V

? Çý¶¯Æ÷²àµçÔ´µçѹ£º¸ß´ï32V£¬9VºÍ13µÄUVLOÑ¡Ïî

? M°æ±¾Ö§³ÖMiller Clamp¹¦ÄÜ£¨NSI6601M£©, µçÁ÷¸ß´ï5A

? 5A/5A·åÖµÀ­¹àµçÁ÷

? ¸ßCMTI£º150kV / ¦Ìs

? 78nsµäÐÍ´«²¥ÑÓ³Ù

? ¹¤×÷»·¾³Î¶È£º-40¡æ~125¡æ

? AEC-Q100 

? ·ûºÏRoHSµÄ·â×°£º

      ? SOP8(150 mil)

      ? SOP8(300 mil)

°²È«ÈÏÖ¤

?UL1577ÈÏÖ¤£º

  ? SOP8(150mil):  1·ÖÖÓ3000Vrms

  ? SOP8(300 mil):  1·ÖÖÓ5700Vrms

? VDEÈÏÖ¤£ºDIN VDE V 0884-11:2017-01

? CSAÈÏÖ¤£ºCSA×é¼þ֪ͨ5AÅú×¼

? CQCÈÏÖ¤£º·ûºÏGB4943.1-2011

Ó¦Óó¡¾°

? ¹â·üÄæ±äÆ÷

? µç»úÇý¶¯

? UPSµçÔ´ºÍµç³Ø³äµçÆ÷

? ¸ôÀëDC/DCºÍAC/DCµçÔ´

¹¦ÄÜ¿òͼ

NSI6601M.png

ÈçÄúÐèÒª×Éѯ²úÆ·¸ü¶àÐÅÏ¢£¬Çëµã»÷¡°ÒøºÓ¼¯ÍÅgalaxy¡±£¬ÎÒÃǽ«¾¡¿ì»Ø¸´Äú!

sitemap¡¢µØÍ¼