ÎÒÃǷdz£ÖØÊÓÄúµÄ¸öÈËÒþ˽£¬µ±Äú·ÃÎÊÎÒÃǵÄÍøÕ¾Ê±£¬ÇëͬÒâʹÓõÄËùÓÐcookie¡£ÓйظöÈËÊý¾Ý´¦ÀíµÄ¸ü¶àÐÅÏ¢¿É·ÃÎÊ¡¶Òþ˽Õþ²ß¡·

²úÆ·ÖÐÐÄ
¸ôÀëµ¥¹ÜÇý¶¯

²úÆ·ÖÐÐÄ

µ¥Í¨¸ôÀëʽդ¼«Çý¶¯Æ÷

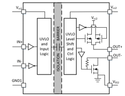
NSI6601Êǵ¥Í¨µÀ¸ôÀëʽդ¼«Çý¶¯Æ÷£¬Ö¼ÔÚÇý¶¯Ðí¶àÓ¦ÓÃÖеÄIGBT£¬¹¦ÂÊMOSFETºÍSiC MOSFET¡£ ËüÌṩ·ÖÁ¢Êä³ö£¬·Ö±ð¿ØÖÆÉÏÉýºÍϽµÊ±¼ä£¬²¢¿ÉÒÔÌṩ×î´ó5A/5AµÄÀ­¹àµçÁ÷ÄÜÁ¦¡£ NSI6601ÌṩSOP8£¨150 mil£©»òSOP8£¨300 mil£©·â×°£¬¸ù¾ÝUL1577¿ÉÖ§³Ö3000VRMS»ò5700VRMS¸ôÀ룬 150kV/¦ÌsµÄ×îС¹²Ä£Ë²±ä¿¹ÈŶȣ¨CMTI£©£¬Ö§³Öϵͳ³°ôÐÔ¡£¸ÃÇý¶¯Æ÷µÄ×î´óµçÔ´µçѹΪ32V£¬¶øÊäÈë²àÔò½ÓÊÜ3.1VÖÁ17VµÄµçÔ´µçѹ¡£ ËùÓеçÔ´µçѹÒý½Å¾ùÖ§³ÖÇ·Ñ¹Ëø¶¨£¨UVLO£©±£»¤¡£NSI6601¾ßÓиßÇý¶¯µçÁ÷£¬³öÉ«µÄÄÍÓÃÐÔ£¬¿íµçÔ´µçѹ·¶Î§ºÍ¿ìËÙÐźŴ«²¥µÄÌØÐÔ£¬ÊÊÓÃÓڸ߿ɿ¿ÐÔ£¬¹¦ÂÊÃܶȺÍЧÂʵĿª¹ØµçԴϵͳ¡£

²úÆ·ÌØÐÔ

? µ¥Í¨µÀ¸ôÀëÇý¶¯Æ÷

? ÊäÈë²àµçÔ´µçѹ£º3.1VÖÁ17V

? Çý¶¯Æ÷²àµçÔ´µçѹ£º¸ß´ï32V(ͬʱ¾ßÓÐ9VºÍ13VµÄUVLOÑ¡Ïî)

? ·åÖµ5A/5AÀ­¹àµçÁ÷ÄÜÁ¦

? ¸ßCMTI£º¡À150kV/¦Ìs

? µäÐ͵Ä78ns´«²¥ÑÓ³Ù

? ¹¤×÷»·¾³Î¶È£º-40¡ãC?125¡ãC

? ·ûºÏRoHSµÄ·â×°£º

      ? SOP8(150 mil)

      ? SOP8(300 mil)

°²È«ÈÏÖ¤

? UL1577ÈÏÖ¤:

     ? SOP8(150 mil)£º1·ÖÖÓ 3kVRMS

     ? SOP8(300 mil) £º1·ÖÖÓ 5.7kVRMS

? CQCÈÏÖ¤£º·ûºÏGB4943.1-2011

     ? CSAÈÏÖ¤£º×é¼þ·ûºÏ5A

     ? VDEÈÏÖ¤£ºDIN V VDE V 0884-11:2017-1

Ó¦Óó¡¾°

? ¸ôÀëʽDC / DCºÍAC / DCµçÔ´

? ¸ßѹPFC

? Ì«ÑôÄÜÄæ±äÆ÷

? µç»úÇý¶¯Æ÷ºÍµç¶¯Æû³µ³äµç

? UPSºÍµç³Ø³äµçÆ÷

¹¦ÄÜ¿òͼ

NSI6601.png

ÈçÄúÐèÒª×Éѯ²úÆ·¸ü¶àÐÅÏ¢£¬Çëµã»÷¡°ÒøºÓ¼¯ÍÅgalaxy¡±£¬ÎÒÃǽ«¾¡¿ì»Ø¸´Äú!

sitemap¡¢µØÍ¼