ÎÒÃǷdz£ÖØÊÓÄúµÄ¸öÈËÒþ˽£¬µ±Äú·ÃÎÊÎÒÃǵÄÍøÕ¾Ê±£¬ÇëͬÒâʹÓõÄËùÓÐcookie¡£ÓйظöÈËÊý¾Ý´¦ÀíµÄ¸ü¶àÐÅÏ¢¿É·ÃÎÊ¡¶Òþ˽Õþ²ß¡·

²úÆ·ÖÐÐÄ
¸ôÀëµ¥¹ÜÇý¶¯

²úÆ·ÖÐÐÄ

¹âñî¼æÈݵĵ¥Í¨µÀ¸ôÀëʽդ¼«Çý¶¯Æ÷

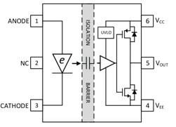
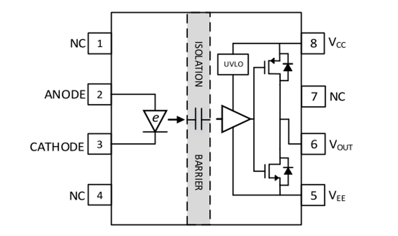
NSI6801Êǵ¥Í¨µÀ¼æÈݹâñîÊäÈëµÄ¸ôÀëʽդ¼«Çý¶¯Æ÷£¬¿ÉÓ¦ÓÃÓÚÇý¶¯IGBT¡¢SiC ºÍ MOSFET¡£Ëü¿ÉÒÔÌṩ5AµÄ·åÖµÀ­/¹àµçÁ÷¡£Ö§³Ö150kV/¦ÌsµÄ×îС¹²Ä£Ë²Ì¬ÃâÒߣ¨CMTI£©£¬È·±£ÁËϵͳµÄ³°ôÐÔ¡£Çý¶¯Æ÷µÄ×î´óµçÔ´µçѹΪ32V¡£ ÆäÓë¹âñîʽդ¼«Çý¶¯Æ÷Ïà±È¾ßÓÐÐÔÄÜÓÅÊÆ£¬°üÀ¨¸üºÃµÄ¿É¿¿ÐÔºÍÀÏ»¯ÐÔÄÜ£¬¸ü¸ßµÄ¹¤×÷ζÈ£¬¸ü¶Ì´«²¥ÑӳٺͽÏСµÄÂö³å¿í¶ÈÊ§Õæ¡£Òò´Ë£¬ÔÚÒªÇó¸ß¿É¿¿ÐÔ£¬¸ß¹¦ÂÊÃܶȺ͸ßЧÂÊ¿ª¹ØµçԴϵͳ£¬¹â·üÄæ±äÆ÷£¬µç»úÇý¶¯ÏµÍ³ÖУ¬NSI6801ÊʺÏÌæ´ú¹âñî¸ôÀëÇý¶¯Æ÷¡£

²úÆ·ÌØÐÔ

? Òý½Å¼æÈÝP2PÌæ´ú¹âñîÇý¶¯Æ÷£¬ÐÔÄÜÉý¼¶

? Çý¶¯Æ÷²àµçÔ´µçѹ£º¸ß´ï32V£¬¾ßÓÐUVLO¹¦ÄÜ

? 5A/5AµÄ·åÖµÀ­/¹àµçÁ÷

? ¸ßCMTI£º150kV / ¦Ìs

? 75nsµäÐÍ´«²¥ÑÓ³Ù

? 30ns×î´óÂö³å¿í¶ÈÊ§Õæ

? ¹¤×÷»·¾³Î¶È£º-40¡æ~125¡æ

? ·ûºÏRoHSµÄ·â×°

      ? SOW6

      ? DUB8

°²È«ÈÏÖ¤

? UL1577ÈÏÖ¤:

     ? SOW6£º1·ÖÖÓ 5.7kVRMS

     ? DUB8£º1·ÖÖÓ 5kVRMS

?  DIN VDE V 0884-11:2017-01 

?  CSA component notice 5A  

?   CQC certification per GB4943.1-2011 

Ó¦Óó¡¾°

? Ì«ÑôÄÜÄæ±äÆ÷

? ´¢ÄÜ

? ËÅ·þµç»ú

? ±äƵÆ÷

¹¦ÄÜ¿òͼ

ÈçÄúÐèÒª×Éѯ²úÆ·¸ü¶àÐÅÏ¢£¬Çëµã»÷¡°ÒøºÓ¼¯ÍÅgalaxy¡±£¬ÎÒÃǽ«¾¡¿ì»Ø¸´Äú!

sitemap¡¢µØÍ¼