ÎÒÃǷdz£ÖØÊÓÄúµÄ¸öÈËÒþ˽£¬µ±Äú·ÃÎÊÎÒÃǵÄÍøÕ¾Ê±£¬ÇëͬÒâʹÓõÄËùÓÐcookie¡£ÓйظöÈËÊý¾Ý´¦ÀíµÄ¸ü¶àÐÅÏ¢¿É·ÃÎÊ¡¶Òþ˽Õþ²ß¡·

²úÆ·ÖÐÐÄ
¼¯³É¸ôÀëµçÔ´µÄ¸ôÀëRS485ÊÕ·¢Æ÷

²úÆ·ÖÐÐÄ

¾ßÓм¯³É¸ôÀëµçԴʽDC-DCת»»Æ÷µÄRS-485ÊÕ·¢Æ÷

NSIP83086CÊǾßÓм¯³É¸ôÀëʽDC-DCµçÔ´µÄ¸ß¿É¿¿ÐÔȫ˫¹¤¸ôÀëRS-485ÊÕ·¢Æ÷¡£¸ôÀëʽDC-DCµçÔ´¿É»ùÓÚÆ¬ÉϱäѹÆ÷£¬·´À¡PWMÐźÅÓÉ»ùÓÚNOVOSENSEµçÈݸôÀë¼¼ÊõµÄÊý×Ö¸ôÀëÆ÷´«Êäµ½³õ¼¶²à¡£¸ß¶È¼¯³ÉµÄ½â¾ö·½°¸¿ÉÒÔ¼ò»¯ÏµÍ³Éè¼Æ²¢Ìá¸ß¿É¿¿ÐÔ¡£NSIP83086CÒÑͨ¹ýUL1577°²È«ÈÏÖ¤£¬Ö§³Ö5kVrms¾øÔµµçѹ¡£NSIP83086C×ÜÏß²àµÄ×ÜÏßÒý½Å¶ÔGND2ÓµÓСÀ8kVµÄϵͳ¼¶ESDµÄ±£»¤¡£´ËÉ豸¾ßÓйÊÕϰ²È«¹¦Äܵç·£¬µ±½ÓÊÕÆ÷ÊäÈë¶Ï¿ª»ò¶Ì·ʱ£¬È·±£½ÓÊÕÆ÷Êä³öÂß¼­¸ß¡£Æä¾ßÓÐ1/8µ¥Î»¸ºÔصĽÓÊÕÆ÷ÊäÈë×迹£¬ÔÊÐí×ÜÏßÉÏ×î¶àÁ¬½Ó256¸öÊÕ·¢Æ÷¡£

²úÆ·ÌØÐÔ

? ¾øÔµµçѹ¸ß´ï5000Vrms

? ¾ßÓм¯³É¸ôÀëʽDC-DCµçÔ´

? I/Oµçѹ·¶Î§Ö§³Ö1.8V~5V MCU

? µçÔ´µçѹ£º

oVDD: 4.5VÖÁ5.5V

oVDDL: 1.8VÖÁ5.5V

? ¹ýµçÁ÷ºÍ¹ýÈȱ£»¤

? ¸ßCMTI£º150kV/us

? Êý¾ÝËÙÂÊ£º16Mbps

? Ö§³Ö256¸öÊÕ·¢Æ÷

? ½Ï¸ßµÄϵͳ¼¶EMCÐÔÄÜ£º

o×ÜÏßÒý½Å·ûºÏIEC61000-4-2¡À8kV ESD

? ¸ôÀëÕ¤ÊÙÃü£º>60Äê

? ¹¤×÷ζÈ£º-40¡æ~105¡æ

? ·ûºÏRoHSµÄ·â×°£ºSOW20

°²È«ÈÏÖ¤

? UL1577ÈÏÖ¤: 1·ÖÖÓ 5kVrms

? CQCÈÏÖ¤£º·ûºÏGB4943.1-2011

? CSAÈÏÖ¤£º×é¼þ·ûºÏ5A

? VDEÈÏÖ¤£ºDIN VDE V 0884-11:2017-1

Ó¦Óó¡¾°

? ¹¤Òµ×Ô¶¯»¯ÏµÍ³

? ¸ôÀëRS-485ͨÐÅϵͳ

? ÖÇÄܵç±íºÍË®±í

? °²·ÀºÍ¼à¿ØÏµÍ³

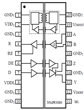
¹¦ÄÜ¿òͼ

¿òͼ.PNG

ÈçÄúÐèÒª×Éѯ²úÆ·¸ü¶àÐÅÏ¢£¬Çëµã»÷¡°ÒøºÓ¼¯ÍÅgalaxy¡±£¬ÎÒÃǽ«¾¡¿ì»Ø¸´Äú!

sitemap¡¢µØÍ¼