ÎÒÃǷdz£ÖØÊÓÄúµÄ¸öÈËÒþ˽£¬µ±Äú·ÃÎÊÎÒÃǵÄÍøÕ¾Ê±£¬ÇëͬÒâʹÓõÄËùÓÐcookie¡£ÓйظöÈËÊý¾Ý´¦ÀíµÄ¸ü¶àÐÅÏ¢¿É·ÃÎÊ¡¶Òþ˽Õþ²ß¡·
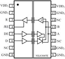
NSI8308xEÊÇ»ùÓÚNOVOSENSEÊý×Ö¸ôÀëµÄÊÕ·¢Æ÷¼¼ÊõµÄ¸ôÀëRS-485ÊÕ·¢Æ÷ϵÁУ¬ÆäÖÐNSI83085EÊǰëË«¹¤RS-485ÊÕ·¢Æ÷£¬¶øNSI83086EÊÇȫ˫¹¤RS-485ÊÕ·¢Æ÷¡£Á½¿î²úÆ·¾ùͨ¹ýUL1577°²È«ÈÏÖ¤£¬Ö§³Ö5kVrms¾øÔµÄÍѹ£¬Í¬Ê±ÓµÓеͷøÉ䣬µÍ¹¦ºÄºÍºÜÇ¿µÄ¿¹µç´Å¸ÉÈÅÄÜÁ¦¡£NIRS485µÄ×ÜÏß²àµÄ×ÜÏßÒý½Å¶ÔµØÓµÓСÀ10kVµÄϵͳ¼¶ESDµÄ±£»¤¡£´Ë²úÆ·¾ßÓйÊÕϰ²È«¹¦Äܵç·£¬µ±½ÓÊÕÆ÷ÊäÈë¶Ï¿ª»ò¶Ì·ʱ£¬È·±£½ÓÊÕÆ÷Êä³öÂß¼¸ß¡£Æä¾ßÓÐ1/8µ¥Î»¸ºÔصĽÓÊÕÆ÷ÊäÈë×迹£¬ÔÊÐí×ÜÏßÉÏ×î¶àÁ¬½Ó256¸öÊÕ·¢Æ÷¡£NSI83085EµÄÊý¾ÝËÙÂÊΪ12Mbps£¬NSI83086EµÄÊý¾ÝËÙÂÊΪ16Mbps¡£
²úÆ·ÌØÐÔ
?¾øÔµÄÍѹ5000Vrms
?×ÜÏß²àµçÔ´µçѹ£º3.0VÖÁ5.5V
?VDD1µçÔ´µçѹ£º2.5VÖÁ5.5V
?¸ßCMTI£º¡À150kV/¦Ìs
?½Ï¸ßµÄϵͳ¼¶EMCÐÔÄÜ£º
o×ÜÏßÒý½Å·ûºÏIEC61000-4-2¡À10kV ESD
?¹ÊÕϰ²È«±£»¤½ÓÊÕÆ÷
?Ö§³Ö256¸öÊÕ·¢Æ÷
?¸ôÀëÕ¤ÊÙÃü£º> 60Äê
?¹¤×÷ζȣº-40¡æ~105¡æ
?·ûºÏRoHSµÄ·â×°£ºSOW16
°²È«ÈÏÖ¤
? UL1577ÈÏÖ¤: 1·ÖÖÓ 5kVrms
? CQCÈÏÖ¤£º·ûºÏGB4943.1-2011
? CSAÈÏÖ¤£º×é¼þ·ûºÏ5A
? VDEÈÏÖ¤£ºDIN V VDE V 0884-11:2017-1
Ó¦Óó¡¾°
?¹¤Òµ×Ô¶¯»¯ÏµÍ³
?¸ôÀë485ͨÐÅϵͳ
?ÖÇÄܵç±íºÍË®±í
?°²·ÀºÍ¼à¿ØÏµÍ³
¹¦ÄÜ¿òͼ

Ïà¹Ø×ÊÔ´

ÈçÄúÐèÒª×Éѯ²úÆ·¸ü¶àÐÅÏ¢£¬Çëµã»÷¡°ÒøºÓ¼¯ÍÅgalaxy¡±£¬ÎÒÃǽ«¾¡¿ì»Ø¸´Äú!