ÎÒÃǷdz£ÖØÊÓÄúµÄ¸öÈËÒþ˽£¬µ±Äú·ÃÎÊÎÒÃǵÄÍøÕ¾Ê±£¬ÇëͬÒâʹÓõÄËùÓÐcookie¡£ÓйظöÈËÊý¾Ý´¦ÀíµÄ¸ü¶àÐÅÏ¢¿É·ÃÎÊ¡¶Òþ˽Õþ²ß¡·

²úÆ·ÖÐÐÄ
¸ôÀë°ëÇÅÇý¶¯

²úÆ·ÖÐÐÄ

µÚ¶þ´ú¸ßÐÔÄܸôÀëʽ˫ͨµÀÕ¤¼«Çý¶¯Æ÷

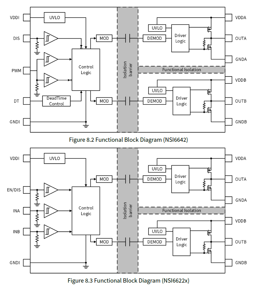
NSI66x2xÊÇÒøºÓ¼¯ÍÅgalaxyµÚ¶þ´ú¸ß¿É¿¿ÐԵĸôÀëʽ˫ͨµÀÕ¤¼«Çý¶¯Æ÷IC, ÔöÇ¿ÁË¿¹¸ÉÈÅÄÜÁ¦ºÍÇý¶¯ÄÜÁ¦£¬ÇÒ¹¦ºÄ¸üµÍ£¬Í¬Ê±Ìá¸ßÁËÊäÈë²àµÄÄÍѹÄÜÁ¦¡£¿ÉÒÔÇý¶¯¸ß´ï2MHz¿ª¹ØÆµÂʵŦÂʾ§Ìå¹Ü¡£Ã¿¸öͨµÀÊä³ö¿ÉÒÔÒÔ¿ìËÙµÄ25ns´«²¥ÑÓ³ÙºÍ5nsµÄ×î´óÑÓ³ÙÆ¥ÅäÀ´Ìṩ×î´ó6A/8AµÄÀ­¹àµçÁ÷ÄÜÁ¦¡£150kV/usµÄ¹²Ä£Ë²±ä¿¹ÈŶÈ(CMTI)Ìá¸ßϵͳ³°ôÐÔ¡£¸ÃÇý¶¯Æ÷µÄ×î´óÄÍѹΪ30V£¬¶øÊäÈë²àÔò½ÓÊÜ3VÖÁ18VµÄµçÔ´¹©µçµçѹ¡£ËùÓеçÔ´µçѹÒý½Å¾ùÖ§³ÖÇ·Ñ¹Ëø¶¨(UVLO)±£»¤¡£Í¬Ê±Óжà¸öǷѹµã¿É¹©Ñ¡Ôñ¡£×îµÍǷѹµãÖ§³Ö4V, ¿ÉÓÃÓÚÇý¶¯GaN ¹¦ÂÊÆ÷¼þ¡£Ëü»¹Óжà¸ö·â×°¿É¹©Ñ¡Ôñ£¬×îС·â×°ÊÇ4*4mm LGA·â×°£¬¿ÉÓÃÓÚ¶ÔÌå»ýÒªÇó¸ßµÄ³¡¾°¡£

²úÆ·ÌØÐÔ

- ¸ôÀëʽ˫ͨµÀÇý¶¯Æ÷

- ÊäÈë²àµçÔ´µçѹ: 3VÖÁ18V

- Çý¶¯Æ÷²àµçÔ´µçѹ£º×î´óÄÍѹ30V£¬¾ßÓÐUVLO¹¦ÄÜ

- ·åÖµ6A/8AÀ­¹àµçÁ÷ÄÜÁ¦

- ¸ßCMTI:150kV/us

- 25nsµäÐÍ´«²¥ÑÓ³Ù

- 5ns×î´óÑÓ³ÙÆ¥Åä

- 6ns×î´óÂö³å¿í¶ÈÊ§Õæ

- ¿É±à³ÌËÀÇøÊ±¼ä

- ʹÄÜÒý½Å£ºNSI6602N Enable (¸ßµçƽ¿ª»ú)

- ½ÓÊÜ×îСÊäÈëÂö³å¿í¶È15ns

- ¹¤×÷ζÈ: -40¡æ~125¡æ

- AEC-Q100ÈÏÖ¤

°²È«ÈÏÖ¤

- UL1577ÈÏÖ¤:

SOW14£º1·ÖÖÓ 5.7kVrms

SOW16£º1·ÖÖÓ 5.7kVrms

SOP16£º1·ÖÖÓ 3kVrms

- CQCÈÏÖ¤£º·ûºÏGB4943.1-2011

- CSAÈÏÖ¤£º×é¼þ·ûºÏ5A

- VDEÈÏÖ¤£ºDIN V VDE V 0884-11£º2017-1

Ó¦Óó¡¾°

- ·þÎñÆ÷£¬µçÐź͹¤ÒµÖеĸôÀëʽDC-DCºÍAC-DCµçÔ´

- DC-ACÌ«ÑôÄÜÄæ±äÆ÷

- µç»úÇý¶¯ºÍEV³äµç

- UPSºÍµç³Ø³äµçÆ÷

¹¦ÄÜ¿òͼ

image.png

image.png

Ïà¹Ø×ÊÔ´

ÈçÄúÐèÒª×Éѯ²úÆ·¸ü¶àÐÅÏ¢£¬Çëµã»÷¡°ÒøºÓ¼¯ÍÅgalaxy¡±£¬ÎÒÃǽ«¾¡¿ì»Ø¸´Äú!

sitemap¡¢µØÍ¼