ÎÒÃǷdz£ÖØÊÓÄúµÄ¸öÈËÒþ˽£¬µ±Äú·ÃÎÊÎÒÃǵÄÍøÕ¾Ê±£¬ÇëͬÒâʹÓõÄËùÓÐcookie¡£ÓйظöÈËÊý¾Ý´¦ÀíµÄ¸ü¶àÐÅÏ¢¿É·ÃÎÊ¡¶Òþ˽Õþ²ß¡·
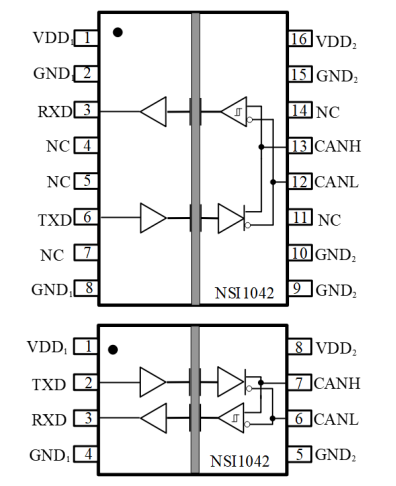
NSI1042-Q1 ÊÇÒ»¿î¸ôÀëʽ CAN ÊÕ·¢Æ÷£¬ÍêÈ«·ûºÏ ISO11898-2 ±ê×¼¡£NSI1042-Q1 ¼¯³ÉÁË˫ͨµÀÊý×Ö¸ôÀëÆ÷ºÍ¸ß¿É¿¿ÐÔ CAN ÊÕ·¢Æ÷¡£Êý×Ö¸ôÀëÆ÷ÊÇ»ùÓÚÒøºÓ¼¯ÍÅgalaxyµçÈݸôÀë¼¼ÊõµÄ¸ôÀëÆ÷¡£ÕâÖָ߶ȼ¯³ÉµÄ½â¾ö·½°¸ÓÐÖúÓÚ¼ò»¯ÏµÍ³Éè¼Æ²¢Ìá¸ß¿É¿¿ÐÔ¡£ NSI1042-Q1 Æ÷¼þͨ¹ýÁË UL1577 °²È«ÈÏÖ¤£¬Ö§³Ö 5kVrms ¾øÔµÄÍѹ£¬Í¬Ê±Ìṩ¸ßµç´Å¿¹ÈŶȺ͵ͷøÉä¡£NSI1042-Q1 µÄÊý¾Ý´«ÊäËÙÂʸߴï 5Mbps¡£NSI1042-Q1 ÌṩÈȱ£»¤ºÍ´«ÊäÊý¾ÝÖ÷µ¼³¬Ê±¹¦ÄÜ¡£ËùÓÐÉ豸¾ùÌṩ AEC-Q100£¨Grade 1£©Ñ¡Ïî¡£
²úÆ·ÌØÐÔ
ÍêÈ«·ûºÏ ISO11898-2 ±ê×¼
¾øÔµµçѹ¸ß´ï 5000Vrms
µçÔ´µçѹ£º
VDD1: 2.5V ÖÁ 5.5V
VDD2£º4.5V ÖÁ 5.5V
×ÜÏß¹ÊÕϱ£»¤ -58V ÖÁ +58V
´«ÊäÊý¾Ý (TXD) Ö÷µ¼³¬Ê±¹¦ÄÜ
¹ýÁ÷ºÍ¹ýα£»¤
Êý¾Ý´«ÊäËÙÂÊ£º¸ß´ï 5Mbps
ÎÞµçԴʱµÄÀíÏëÎÞÔ´¸ß×迹×ÜÏߺÍÂß¼ÖÕ¶Ë
¸ß CMTI£º150kV/¦Ìs
µÍ»·Â·ÑÓ³Ù <220ns
¸ßϵͳ¼¶ EMC ÐÔÄÜ£ºÔöÇ¿µÄϵͳ¼¶ ESD¡¢EFT ºÍÀËÓ¿¿¹ÈŶÈ
¹¤×÷ζȣº-40¡ãC ~125¡ãC
ͨ¹ý AEC-Q100 Grade 1ÈÏÖ¤
·ûºÏ RoHS ¹æ·¶µÄ·â×°£º SOW8¡¢SOW16
°²È«ÈÏÖ¤
UL ÈÏÖ¤£º
SOP8£¨300mil£©£º5000Vrms 1 ·ÖÖÓ£¬·ûºÏ UL1577 ±ê×¼
SOP16£¨300mil£©£º5700Vrms 1 ·ÖÖÓ£¬·ûºÏ UL1577 ±ê×¼
CQC ÈÏÖ¤£º·ûºÏ GB4943.1
CSA ÈÏÖ¤£º×é¼þ·ûºÏ 5A
DIN EN IEC 60747-17 (VDE 0884-17)
Ó¦Óó¡¾°
Æû³µÓ¦ÓÃ
¹¤Òµ×Ô¶¯»¯ÏµÍ³
¸ôÀë CAN ×ÜÏß
µçÐÅ
¹¦ÄÜ¿òͼ

Ïà¹Ø×ÊÔ´

ÈçÄúÐèÒª×Éѯ²úÆ·¸ü¶àÐÅÏ¢£¬Çëµã»÷¡°ÒøºÓ¼¯ÍÅgalaxy¡±£¬ÎÒÃǽ«¾¡¿ì»Ø¸´Äú!