ÎÒÃǷdz£ÖØÊÓÄúµÄ¸öÈËÒþ˽£¬µ±Äú·ÃÎÊÎÒÃǵÄÍøÕ¾Ê±£¬ÇëͬÒâʹÓõÄËùÓÐcookie¡£ÓйظöÈËÊý¾Ý´¦ÀíµÄ¸ü¶àÐÅÏ¢¿É·ÃÎÊ¡¶Òþ˽Õþ²ß¡·
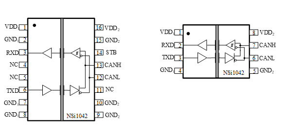
NSI1042ÊǸôÀëʽµÄCANÊÕ·¢Æ÷£¬ÓëISO11898-2±ê×¼ÍêÈ«¼æÈÝ¡£NSI1042¼¯³ÉÁËÁ½Í¨µÀÊý×Ö¸ôÀëÆ÷ºÍÒ»¸ö¸ßÐÔÄÜCANÊÕ·¢Æ÷¡£Êý×Ö¸ôÀëÆ÷ÊÇ»ùÓÚNOVOSENSEµçÈݸôÀë¼¼ÊõµÄÑõ»¯¹è¸ôÀë¡£¸ß¶È¼¯³ÉµÄ½â¾ö·½°¸¿ÉÒÔ°ïÖú¼ò»¯ÏµÍ³Éè¼Æ²¢Ìá¸ß¿É¿¿ÐÔ¡£NSI1042²úÆ·ÒÑͨ¹ýUL1577°²È«ÈÏÖ¤, Ö§³Ö5kVrmsµÄ¾øÔµÄÍѹ, ͬʱ¾ßÓкܸߵĵç´Å¿¹ÈŶȺ͵ͷøÉä¡£NSI1042Ö§³ÖCAN FD£¬Êý¾ÝËÙÂʸߴï5Mbps£¬²¢ÇÒ¿ÉÒÔÖ§³ÖÖÁÉÙ110¸öCAN½Úµã¡£NSI1042ÌṩÈȱ£»¤ºÍ´«ÊäÊý¾ÝÖ÷µ¼³¬Ê±¹¦ÄÜ¡£
²úÆ·ÌØÐÔ
?ÍêÈ«¼æÈÝISO11898-2±ê×¼
?¸ôÀëÄÍѹ5000Vrms
?µçÔ´µçѹ
oVDD1£º2.5VÖÁ5.5V
oVDD2£º4.5VÖÁ5.5V
?×ÜÏß±£»¤µçѹ-70VÖÁ+70V
?¹ýµçÁ÷ºÍ¹ýÈȱ£»¤
?ͨѶËÙÂÊ´ï5Mbps
?¸ßCMTI£º150kV/¦Ìs
?µÍ»·Â·ÑÓ³Ù£º<220ns
?ÔöÇ¿µÄϵͳ¼¶ESD,EFT,¿¹ÀËÓ¿ÄÜÁ¦
?´ý»úģʽ£ºNSI1052
?¹¤×÷ζȣº-40¡æ~125¡æ
?·ûºÏRoHSµÄ·â×°£ºSOW8, SOW16
°²È«ÈÏÖ¤
? UL1577ÈÏÖ¤: 1·ÖÖÓ 5kVrms
? CQCÈÏÖ¤£º·ûºÏGB4943.1-2011
? CSAÈÏÖ¤£º·ûºÏIEC60950-1
? VDEÈÏÖ¤£ºDIN V VDE V 0884-10:2006-12
Ó¦Óó¡¾°
?¹¤Òµ×Ô¶¯»¯ÏµÍ³
?¸ôÀëʽCAN×ÜÏß
?ͨÐÅ
¹¦ÄÜ¿òͼ

Ïà¹Ø×ÊÔ´

ÈçÄúÐèÒª×Éѯ²úÆ·¸ü¶àÐÅÏ¢£¬Çëµã»÷¡°ÒøºÓ¼¯ÍÅgalaxy¡±£¬ÎÒÃǽ«¾¡¿ì»Ø¸´Äú!