ÎÒÃǷdz£ÖØÊÓÄúµÄ¸öÈËÒþ˽£¬µ±Äú·ÃÎÊÎÒÃǵÄÍøÕ¾Ê±£¬ÇëͬÒâʹÓõÄËùÓÐcookie¡£ÓйظöÈËÊý¾Ý´¦ÀíµÄ¸ü¶àÐÅÏ¢¿É·ÃÎÊ¡¶Òþ˽Õþ²ß¡·
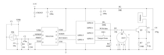
NSA3166ÊÇÒ»¿Å¸ß¶È¼¯³ÉµÄÓÃÓÚÈÈÊ͵çºìÍâ´«¸ÐÆ÷£¨PIR£©µÄÐźŴ¦ÀíоƬ£¬Ó¦ÓÃÓÚÖÇÄܰ²·ÀµÈÓ¦Óó¡ºÏ¡£NSA3166µ¥Æ¬¼¯³ÉÁËÈÈÊ͵类¶¯ºìÍâÒÆ¶¯Ì½²âµÄËùÓбØÐè×é¼þ£¬Ä£Äâǰ¶Ë¿ÉÒÔÖ±½ÓÓëÄ£ÄâÐÍPIR̽²âÆ÷ͨ¹ý½»Á÷ñîºÏÁ¬½Ó¡£ÄÚÖø߾«¶ÈÄ£Êýת»»Æ÷£¬¿É½«Ì½²âÆ÷ÐźÅת»¯³ÉÊý×ÖÐźţ¬Òƶ¯¼ì²âµ¥Ôª¿ÉÒÔÕë¶ÔÒÆ¶¯ÈÈÔ´½øÐÐËã·¨Õç±ð£¬Ìá¸ßϵͳ¿¹¸ÉÈÅÐÔ£¬Í¬Ê±Ö§³Ö¿ª¹ØÁ¿Êä³öºÍÊý×ÖÁ¿Êä³öÁ½ÖÖÊä³ö·½Ê½¡£´«¸ÐÆ÷ÁéÃô¶ÈãÐÖµºÍ±¨¾¯Î¬³Öʱ¼ä¿Éͨ¹ýÊý×ÖͨÐŽӿÚдÈë¼Ä´æÆ÷µÄ·½Ê½¶¯Ì¬µ÷½Ú£¬ÁíÍâÓû§»¹¿ÉÒÔ¶ÔоƬÄÚ²¿µÄÈËÌåʶ±ðÂß¼ÅжϷ½Ê½½øÐÐһЩ¿ÉÅäÖõ÷Õû¡£
²úÆ·ÌØÐÔ
? Ó¦¶ÔPIRÍâÖÃÐÍÐźŵ÷ÀíÓ¦Óó¡ºÏ£¬DFN8·â×°
? ÁéÃô¶ÈºÍÏìӦʱ¼äͨ¹ýÊý×ֽӿڿɵ÷
? Ö§³Ö1.6V~4.5VµÄ¹©µç·¶Î§
? ͬʱ֧³ÖÊý×ÖÁ¿Êä³öºÍ¿ª¹ØÁ¿Êä³ö
? µÍ¹¦ºÄ£¬¾²Ì¬µçÁ÷µÍÖÃ6¦ÌA
? ÄÚ²¿¼¯³Éζȴ«¸ÐÆ÷£¬·½±ã¿Í»§¸ù¾ÝÆøÎµ÷½ÚÁéÃô¶È
Ó¦Óó¡¾°
? ÖÇÄÜÕÕÃ÷
? ÖÇÄܰ²·À
? ÖÇÄÜÉãÏñÍ·
? Â¥Óî×Ô¶¯»¯ºÍÖÇÄÜÃÅÁå
¹¦ÄÜ¿òͼ


ÈçÄúÐèÒª×Éѯ²úÆ·¸ü¶àÐÅÏ¢£¬Çëµã»÷¡°ÒøºÓ¼¯ÍÅgalaxy¡±£¬ÎÒÃǽ«¾¡¿ì»Ø¸´Äú!