我们非常重视您的个人隐私,当您访问我们的网站时,请同意使用的所有cookie。有关个人数据处理的更多信息可访问《隐私政策》
银河集团galaxy
样片申请
CN
传感器
隔离器件
接口
通用信号链芯片
栅极驱动
电机驱动
LED驱动
供电电源
功率路径保护
音频功放
功率集成
汽车/工业专用芯片
微控制器(MCU)
交叉参考搜索
磁性传感器
集成式电流传感器
线性电流传感器
霍尔角度编码器
磁阻角度编码器
速度传感器
线性位置传感器
霍尔开关/锁存器
磁阻开关/锁存器
电流传感器磁调理芯片
位置传感器专用芯片
压力传感器
MEMS压力传感器
传感器信号调理专用芯片
压力传感器信号调理芯片
MEMS麦克风信号调理芯片
工业压力变送器信号调理芯片
传感器信号调理专用芯片评估套件
温湿度传感器
温度传感器
数字隔离器
通用数字隔离器
I?C隔离器
超宽体数字隔离器
隔离接口
隔离RS485收发器
隔离CAN收发器
隔离电源
集成隔离电源的隔离RS485收发器
集成隔离电源的隔离CAN收发器
集成隔离电源的数字隔离器
变压器驱动器
隔离采样
隔离ADC
隔离电流放大器
隔离电压放大器
隔离误差放大器
隔离比较器
集成隔离电源的隔离采样
隔离驱动
隔离半桥驱动
隔离单管驱动
智能隔离驱动
半桥驱动板
固态继电器
光耦仿真器
通用接口
CAN/LIN/Mini SBC
I2C & I3C
其他工业通用接口
逻辑器件
电压基准
串联电压基准
数据转换器
模数转换器ADC
放大器
高压通用运算放大器
低压通用运算放大器
功率运算放大器
电流传感放大器
非隔离驱动
>600V半桥驱动
>100V半桥驱动
低边驱动
直流有刷电机驱动
直流有刷电机集成驱动
直流有刷电机预驱
继电器与螺线管驱动
多通道低边驱动
步进电机驱动
双极性步进电机驱动
线性LED驱动
线性LED驱动(硬线接口)
线性LED驱动(数字接口)
MCU+氛围灯
LDO
中高压>10V通用LDO
DC-DC开关变换器
Buck降压
智能高低边开关
智能低边开关
智能高边开关
ClassD音频功放
GaN功率芯片与驱动
智能GaN
GaN驱动芯片
碳化硅
碳化硅二极管
碳化硅MOSFET
硅MOS
锂电保护CSP MOSFET
汽车专用“MCU+”芯片
MCU+电机驱动
嵌入式电机驱动芯片功能验证评估板
工业专用芯片
工业变送器专用芯片
实时控制MCU/DSP
汽车电子
新能源汽车能源和动力总成系统
汽车热管理
车身电子与照明
车载娱乐与仪表
可再生能源与电源
光储充系统
移动储能
充电桩
数字电源
适配器电源
工业自动化
仪器仪表
配电自动化
PLC
步进电机驱动器
工业变频器
伺服驱动器
电池化成分容
消费电子
家电
智能门锁
送餐机器人
样品申请
质量与认证
线上购买
资料下载
技术文章
在线课堂
隔离认证
公司简介
新闻活动
媒体报道
投资者关系
纳芯世界
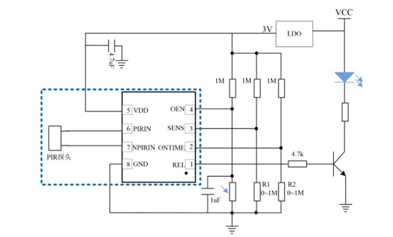
NSA3180/3180T是一颗高度集成的用于热释电红外传感器(PIR)的控制芯片。NSA3180单片集成了热释电被动红外移动探测的所有必需组件,模拟前端可以直接连接模拟型PIR探测器。内置高精度模数转换器,可将探测器信号转化成数字信号,移动检测单元可以针对移动热源进行算法甄别,提高系统抗干扰性,支持开关量输出。传感器灵敏度阈值和报警维持时间可通过外部电阻调节。NSA3180T相比于NSA3180的静态电流稍大,最低工作电压也稍高一点,是NSA3180的低成本版。
产品特性
? 应对PIR内置型信号调理应用场合,DFN8封装
? 灵敏度和响应时间通过外部电阻可调
? 开关量输出
? 低功耗,静态电流13μA(NSA3180T为15μA)
? 供电电压范围为1.5V~4.5V(NSA3180T为1.8V~4.5V)
应用场景
? 智能照明
? 智能安防
? 楼宇自动化
功能框图
如您需要咨询产品更多信息,请点击“银河集团galaxy”,我们将尽快回复您!
您的问卷已提交,请您等待我们的邮件反馈,感谢您的耐心!