ÎÒÃǷdz£ÖØÊÓÄúµÄ¸öÈËÒþ˽£¬µ±Äú·ÃÎÊÎÒÃǵÄÍøÕ¾Ê±£¬ÇëͬÒâʹÓõÄËùÓÐcookie¡£ÓйظöÈËÊý¾Ý´¦ÀíµÄ¸ü¶àÐÅÏ¢¿É·ÃÎÊ¡¶Òþ˽Õþ²ß¡·
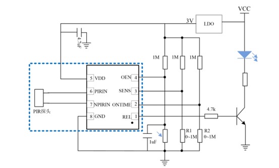
NSA3180/3180TÊÇÒ»¿Å¸ß¶È¼¯³ÉµÄÓÃÓÚÈÈÊ͵çºìÍâ´«¸ÐÆ÷£¨PIR£©µÄ¿ØÖÆÐ¾Æ¬¡£NSA3180µ¥Æ¬¼¯³ÉÁËÈÈÊ͵类¶¯ºìÍâÒÆ¶¯Ì½²âµÄËùÓбØÐè×é¼þ£¬Ä£Äâǰ¶Ë¿ÉÒÔÖ±½ÓÁ¬½ÓÄ£ÄâÐÍPIR̽²âÆ÷¡£ÄÚÖø߾«¶ÈÄ£Êýת»»Æ÷£¬¿É½«Ì½²âÆ÷ÐźÅת»¯³ÉÊý×ÖÐźţ¬Òƶ¯¼ì²âµ¥Ôª¿ÉÒÔÕë¶ÔÒÆ¶¯ÈÈÔ´½øÐÐËã·¨Õç±ð£¬Ìá¸ßϵͳ¿¹¸ÉÈÅÐÔ£¬Ö§³Ö¿ª¹ØÁ¿Êä³ö¡£´«¸ÐÆ÷ÁéÃô¶ÈãÐÖµºÍ±¨¾¯Î¬³Öʱ¼ä¿Éͨ¹ýÍⲿµç×èµ÷½Ú¡£NSA3180TÏà±ÈÓÚNSA3180µÄ¾²Ì¬µçÁ÷ÉÔ´ó£¬×îµÍ¹¤×÷µçѹҲÉÔ¸ßÒ»µã£¬ÊÇNSA3180µÄµÍ³É±¾°æ¡£

ÈçÄúÐèÒª×Éѯ²úÆ·¸ü¶àÐÅÏ¢£¬Çëµã»÷¡°ÒøºÓ¼¯ÍÅgalaxy¡±£¬ÎÒÃǽ«¾¡¿ì»Ø¸´Äú!