ÎÒÃǷdz£ÖØÊÓÄúµÄ¸öÈËÒþ˽£¬µ±Äú·ÃÎÊÎÒÃǵÄÍøÕ¾Ê±£¬ÇëͬÒâʹÓõÄËùÓÐcookie¡£ÓйظöÈËÊý¾Ý´¦ÀíµÄ¸ü¶àÐÅÏ¢¿É·ÃÎÊ¡¶Òþ˽Õþ²ß¡·

²úÆ·ÖÐÐÄ
»ô¶û½Ç¶È±àÂëÆ÷

²úÆ·ÖÐÐÄ

NSM3012-Q1: ³µ¹æ¼¶»ô¶û½Ç¶È´«¸ÐÆ÷

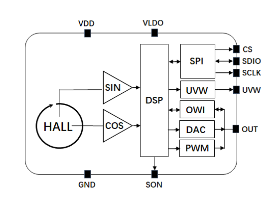
NSM301x-Q1ÊÇÒ»ÖÖ³µ¹æ¼¶·Ç½Ó´¥Ê½Ðýת½Ç¶È´«¸ÐÆ÷£¬ÔÚ-40¡ãCÖÁ125¡ãCµÄ»·¾³Î¶ȷ¶Î§ÄÚÖ§³Ö360¡ãÐýת½Ç¶ÈµÄ¾«È·²âÁ¿¡£¸ÃϵÁлùÓÚÆ½Ãæ»ô¶ûÕóÁУ¬½«Á½¼«´ÅÌúµÄ½Ç¶ÈλÖÃÐÅϢͨ¹ýÄÚ²¿DSP½âË㣬ת»¯³ÉÄ£Äâµçѹ£¬PWM£¬SPIµÈ¸÷ÖÖÊä³öÐÎʽ¡£

NSM301xÌṩSPIºÍOWI½Ó¿ÚÓÃÓÚÐźÅ·¾¶ÅäÖÃÒÔ¼°¿É²Á³ý±à³Ì¼Ä´æÆ÷¿é£¨MTP£©£¬Ëü¾ßÓÐ×Ô¶¯ÔöÒæ(AGC)µ÷ÕûÄ£¿é£¬¿É¶ÔÐźÅ·¾¶½øÐÐÔöÒæµ÷½Ú£¬ÒÔÊÊÓ¦²»Í¬µÄ»úÐµÔ¼ÊøºÍ´Å³¡¡£ÕâÖÖ·½·¨ÔÚϵͳÉè¼Æ·½ÃæÌṩÁË×î´óµÄÁé»îÐÔ£¬ÒòΪËü¿ÉÒÔÖ±½Ó¼¯³Éµ½ÏÖÓеÄÌåϵ½á¹¹ÖУ¬Ìṩ½Ï¸ßµÄ׼ȷ¶È¡£

²úÆ·ÌØÐÔ

? 3~5.5V ¿íµÄ¹¤×÷µçѹ·¶Î§

? 14 λÏßÐÔ DAC Ä£ÄâÁ¿Êä³ö»òÕß 12 λ·Ö±æÂÊ PWM Êä³ö

? ÄÚÖÃ×Ô¶¯ÔöÒæ²¹³¥µç·²¹³¥´ÅÌúζÈÌØÐÔºÍ Z ·½ Ïò°²×°Î»Öù«²î´øÀ´µÄÔöÒæËðʧ

? Ö§³ÖËĶηֶÎÄâºÏ

? Ìṩ¡À1¡ã¾«¶ÈµÄ½Ç¶ÈÊä³ö

? ËĶÎУ׼ºó¾«¶È¿É´ïµ½¡À0.2¡ã

? Z ·½Ïò¿É±à³ÌãÐÖµÅжϿª¹ØÁ¿Êä³ö

? ¾ßÓÐÒì³£Õï¶Ï¹¦ÄÜ

? ²î·Ö»ô¶û¼ì²â¿ÉµÖÓùÍâ½çÔÓÉ¢´Å³¡

? Ìṩ SPI ºÍ OWI Óû§¿É±à³ÌͨÐŽӿÚ

? ÒøºÓ¼¯ÍÅgalaxy´´ÐµÄÕ¶²¨ÒÔ¼°ÐýתµçÁ÷¼¤Àø¼¼ÊõʹµÃ½Ç ¶ÈÎÂÆ¯ºÜС

? ¹¤×÷ζÈ£º-40¡æ ~ 125¡æ

? ·ûºÏAEC-Q100 Grade 1ÖÊÁ¿ÒªÇó

Ó¦Óó¡¾°

? Æû³µ£º

   - ·§ÃŽǶȴ«¸ÐÆ÷£¨½ÚÆøÃÅ¡¢EGR¡¢Çò·§¡¢ÅòÕÍ·§µÈ£©

   - ÓÍÃÅ̤°å½Ç¶È´«¸ÐÆ÷

   - µç×Ó»»µ²Æ÷

   - Óê¹ÎÆ÷λÖô«¸ÐÆ÷

   - ³µÉí¸ß¶È´«¸ÐÆ÷


¹¦ÄÜ¿òͼ

NSM301x-Q1Ó¦Óÿòͼ.png

ÈçÄúÐèÒª×Éѯ²úÆ·¸ü¶àÐÅÏ¢£¬Çëµã»÷¡°ÒøºÓ¼¯ÍÅgalaxy¡±£¬ÎÒÃǽ«¾¡¿ì»Ø¸´Äú!

sitemap¡¢µØÍ¼